Запчасти Case IH 1120 (5-16) - STEERING SYSTEM AND COLUMN (05) - STEERING

Схема запчастей Case IH 1120 - (5-16) - STEERING SYSTEM AND COLUMN (05) - STEERING
71
e
70
90
92
67
47
91
d
52
54
73
66
d
54
a
68
63
c
72
45
59
60
94
53
c
64
a
48
51
55
b
e
93
54
69
69
b
44
66
FIT
1:1
100%

Артикул

Название

Примечание

Количество

45

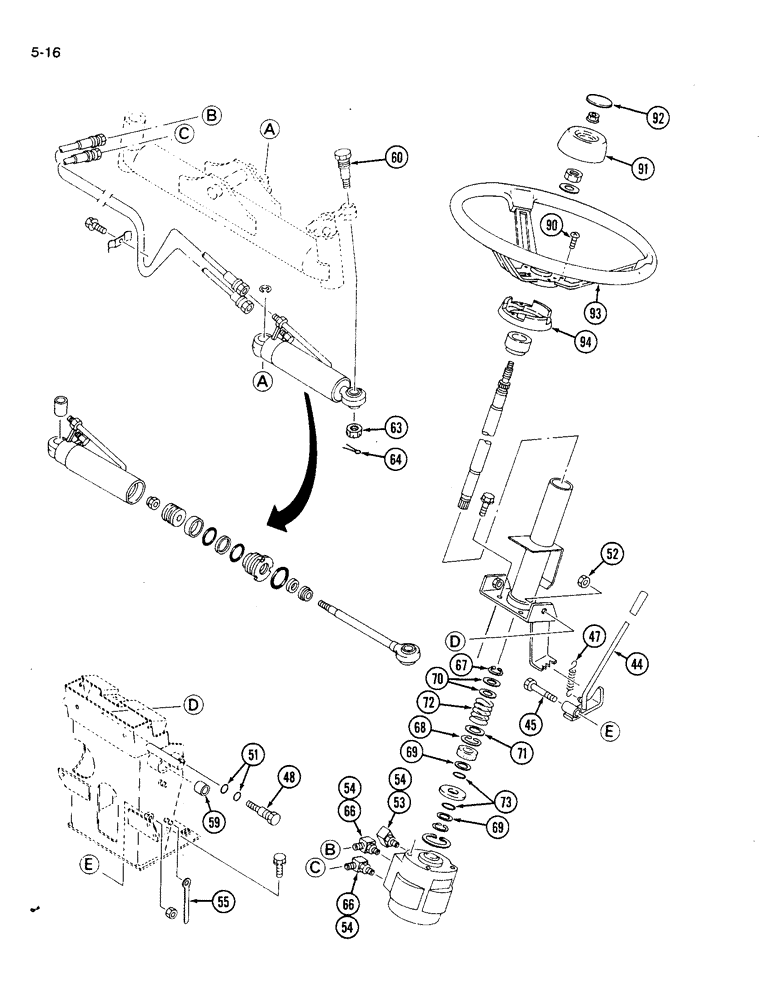
514-843

BOLT,Hex, M12 x 1.25 x 60mm, Cl 8.8, Full Thd

1шт.

825-11412

NUT,M12 x 1.25, Cl 8

hex, 12 mm - 1.25

1шт.

44

1992300C1

LEVER

1шт.

47

1992301C1

SPRING

1шт.

48

1992302C1

BOLT

2шт.

49

1992303C1

GRIP

handle

1шт.

51

1992304C1

O-RING,0.614" ID x 0.754" OD x 0.07"

4шт.

53

1991431C1

GEAR

VALVE check

1шт.

54

1992239C1

O-RING

3шт.

55

1963135C1

CLAMP

1шт.

57

1992297C1

BRACKET

steering column

1шт.

58

514-712

BOLT,Hex, M10 x 1.25 x 25mm, Cl 8.8, Full Thd

4шт.

892-11010

LOCK WASHER,M10

4шт.

59

1991217C1

BUSHING

2шт.

60

1992545C1

BOLT

2шт.

63

1271877C1

NUT

castle, 15 mm

1шт.

64

732-4032

COTTER PIN,M4 x 32

PIN split

1шт.

66

1991215C1

BODY

ELBOW 90 degree

2шт.

67

933105R1

SNAP RING,M22, Ext

RING retaining, external, 20 mm ID

2шт.

68

1992172C1

RING

retaining

1шт.

69

1992753C1

SLEEVE CYLINDER

WASHER

2шт.

70

1963040C1

SLEEVE CYLINDER

WASHER

2шт.

71

1992754C1

SLEEVE CYLINDER

WASHER

2шт.

72

1992755C1

SPRING

1шт.

73

1991232C1

O-RING,0.864" ID x 1.004" OD x 0.07"

2шт.

90

263-10310

SELF-TAP SCREW,Slotted Pan Hd, #6 x 5/8"

SCREW self-tapping, pan head, slotted, No. 6-20 x 5/8 inch

1шт.

91

1977749C1

CAP

HUB steering wheel, upper

1шт.

92

1342054C1

PLASTIC PLUG

INSERT cap, steering wheel

1шт.

93

1340252C1

STEERING WHEEL

WHEEL steering

1шт.

94

1340334C1

HUB

steering wheel, lower

1шт.

Выбрано товаров: 30