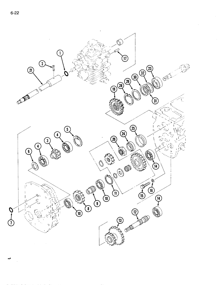
Запчасти Case IH 1120 (6-22) - HYDROSTATIC TRANSMISSION SHAFT AND GEARS (06) - POWER TRAIN

Схема запчастей Case IH 1120 - (6-22) - HYDROSTATIC TRANSMISSION SHAFT AND GEARS (06) - POWER TRAIN
30
3
6
19
15
12
24
2
31
21
7
13
14
5
17
1
16
8
11
29
26
14
23
4
25
10
32
4
10
9
28
FIT
1:1
100%

Артикул

Название

Примечание

Количество

1

1991232C1

O-RING,0.864" ID x 1.004" OD x 0.07"

1шт.

2

838-1640

LOCK PIN,M6 x 40, Slotted

PIN spring

1шт.

3

1991281C1

GEAR

19 tooth

1шт.

4

1271857C91

BEARING, BALL

BALL BEARING ASSEMBLY

2шт.

5

933032R1

SNAP RING,M52, Int

RING retaining, internal, 56 mm OD

1шт.

6

1271872C1

SHIM

51 mm OD

1шт.

7

1273524C1

O-RING

O-RING, 14 mm ID

1шт.

8

1991282C1

GEAR

23 tooth

1шт.

9

1991283C1

SHAFT

COLLAR splined

1шт.

10

1991284C1

BALL BEARING

BEARING ASSEMBLY

2шт.

11

1991896C1

RING

retaining

1шт.

12

1991285C1

SHAFT

pinion

1шт.

13

1991286C1

GEAR

25 and 37 tooth

1шт.

14

1271862C91

BEARING, BALL

BALL BEARING ASSEMBLY

2шт.

15

514-703

BOLT,Hex, M10 x 1.25 x 20mm, Cl 8.8, Full Thd

1шт.

892-11010

LOCK WASHER,M10

1шт.

16

896-16010

WASHER,11mm ID x 24mm OD x 3mm Thk

flat, 11 x 24 x 3 mm, hardened

1шт.

17

837-10020

DOWEL,M10 x 20

M10 x 20

1шт.

19

1991287C1

GEAR

19 and 32 tooth

1шт.

21

1991288C1

SHAFT

tansmission

1шт.

23

1991263C1

BALL BEARING

BEARING ASSEMBLY

1шт.

24

1273175C91

TAPERED BEARING

TAPER ROLLER BEARING ASSEMBLY

1шт.

25

1269456C1

WASHER

HOLDER bearing

1шт.

26

1962038C1

NUT

hex, special, 25 mm - 1.5

1шт.

28

1273565C1

RING

retaining

1шт.

29

1273566C1

SHIM

1шт.

1273570C1

SHIM

KIT Shim, drive pinion

1шт.

30

NSS

NOT SOLD SEPARAT

SHIM, 0.1 mm

1шт.

31

NSS

NOT SOLD SEPARAT

SHIM, 0.2 mm

1шт.

Выбрано товаров: 29