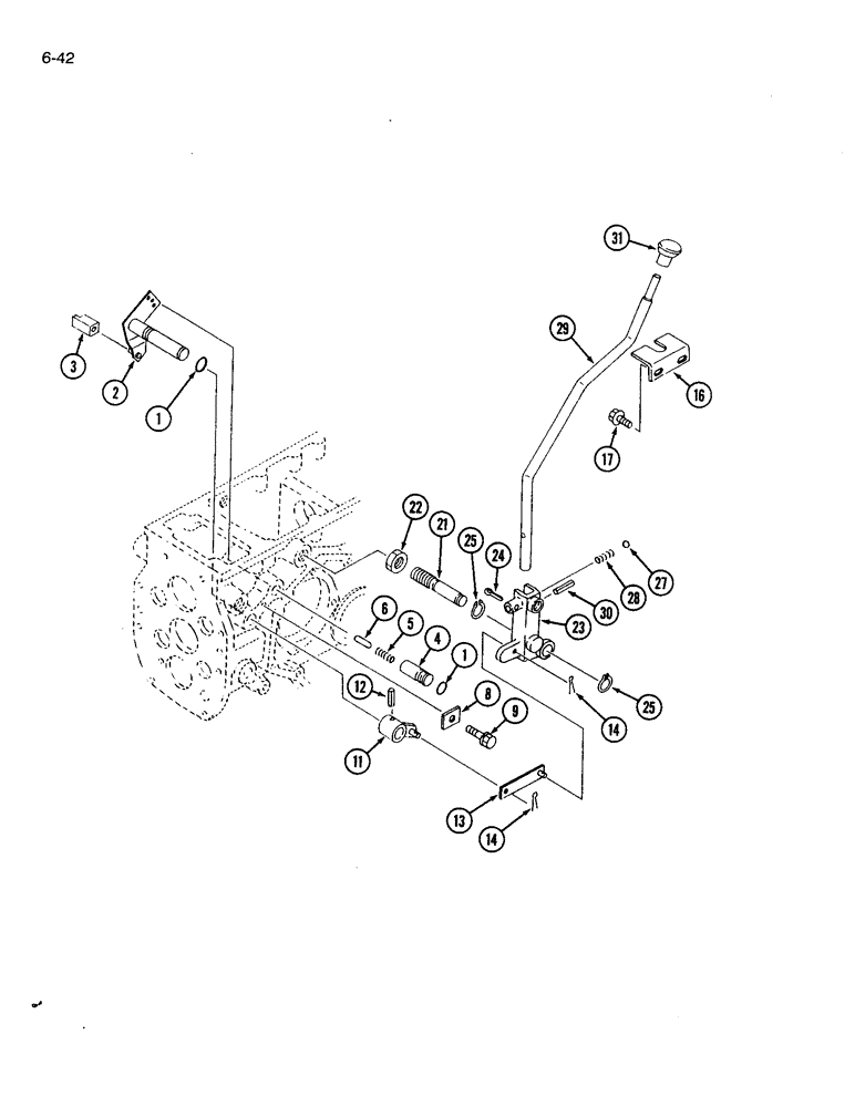
Запчасти Case IH 1120 (6-42) - TRANSMISSION RANGE SHIFT LINKAGE, MECHANICAL AND HYDROSTATIC (06) - POWER TRAIN

Схема запчастей Case IH 1120 - (6-42) - TRANSMISSION RANGE SHIFT LINKAGE, MECHANICAL AND HYDROSTATIC (06) - POWER TRAIN
28
14
13
21
3
6
1
11
2
22
5
4
8
23
24
27
25
1
9
12
31
17
30
29
16
14
25
FIT
1:1
100%

Артикул

Название

Примечание

Количество

1

1288101C1

O-RING

O-RING, 16 mm ID

2шт.

2

1991366C1

SHIFTING UNIT

LEVER range shift

1шт.

3

1991367C1

SPACER

range shift

1шт.

4

1991368C1

BOSS

range shift

1шт.

5

1273482C1

VALVE SPRING

SPRING shift cover

1шт.

6

99396C1

KEY

PIN shift position

1шт.

8

1991369C1

PLATE

mounting

1шт.

9

514-703

BOLT,Hex, M10 x 1.25 x 20mm, Cl 8.8, Full Thd

1шт.

892-11010

LOCK WASHER,M10

1шт.

11

1991370C1

ARM

range shift

1шт.

12

838-1632

LOCK PIN,6mm OD x 32mm L, Slotted

Spring M6 x 32, Slotted

1шт.

13

1991371C1

PLATE

link, connecting

1шт.

14

732-2516

COTTER PIN,M2.5 x 16

PIN cotter

2шт.

16

1991372C1

PLATE

range shift

1шт.

17

614-6016

BOLT,Hex, M6 x 1 x 16mm, Cl 8.8, Full Thd

2шт.

892-11008

LOCK WASHER,8mm ID

WASHER, LOCK, M8

2шт.

895-11008

WASHER,9mm ID x 16mm OD x 1.6mm Thk

flat, 9 x 17 x 1.6 mm

2шт.

21

1991373C1

SHAFT

PIN threaded

1шт.

22

525-5116

NUT,M20 x 1.5, Cl 8

hex, 20 mm - 1.5

1шт.

23

1991374C1

BRACKET

guide, range shift

1шт.

24

732-3232

COTTER PIN,M3.2 x 32

PIN cotter, 3.2 x 32 mm

1шт.

25

933123R1

SNAP RING,M20, Ext

RING retaining, external, 18 mm ID

2шт.

27

17011R1

BALL

steel, 1/4 inch diameter

1шт.

28

1273482C1

VALVE SPRING

SPRING shift cover

1шт.

29

1991375C1

LEVER

range shift

1шт.

30

1991361C1

PIN

spring

1шт.

31

1991376C1

GRIP

KNOB lever

1шт.

Выбрано товаров: 27