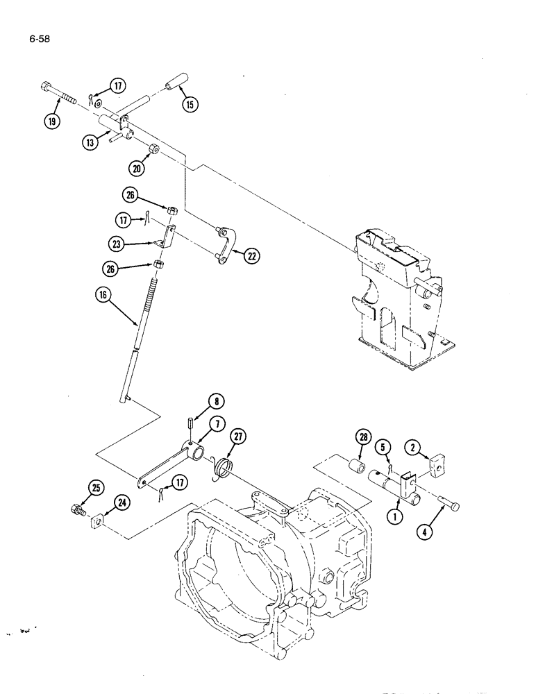
Запчасти Case IH 1120 (6-58) - HYDROSTATIC TRANSMISSION CONTROL LINKAGE (06) - POWER TRAIN

Схема запчастей Case IH 1120 - (6-58) - HYDROSTATIC TRANSMISSION CONTROL LINKAGE (06) - POWER TRAIN
25
1
13
27
4
28
26
2
17
20
7
23
8
15
17
24
22
16
17
5
19
26
FIT
1:1
100%

Артикул

Название

Примечание

Количество

1

1991459C1

SHAFT

brake

1шт.

2

1991460C1

SHOE

brake

1шт.

4

1962996C1

CLEVIS PIN

PIN clevis

1шт.

5

732-2516

COTTER PIN,M2.5 x 16

PIN split

1шт.

7

1991461C1

ARM

pivot

1шт.

8

838-1632

LOCK PIN,6mm OD x 32mm L, Slotted

Spring M6 x 32, Slotted

1шт.

13

1991464C1

LEVER

control

1шт.

15

1992303C1

GRIP

handle

1шт.

16

191465C1

SUPPORT

ROD connecting

1шт.

17

732-2516

COTTER PIN,M2.5 x 16

PIN hair

3шт.

19

1991463C1

BOLT

1шт.

20

825-11412

NUT,M12 x 1.25, Cl 8

hex, 12 mm - 1.25

1шт.

22

1992375C1

PLATE

BRACKET

1шт.

23

1992018C1

BRACKET

mounting

1шт.

24

1991369C1

PLATE

mounting

1шт.

25

514-703

BOLT,Hex, M10 x 1.25 x 20mm, Cl 8.8, Full Thd

1шт.

892-11010

LOCK WASHER,M10

1шт.

26

825-1406

NUT,M6, Cl 8

2шт.

27

1992376C1

SPRING

1шт.

28

1992591C1

BUSHING

1шт.

Выбрано товаров: 20