Запчасти Case IH 1120 (8-04) - HYDRAULIC LIFT, HITCH SYSTEM (08) - HYDRAULICS

Схема запчастей Case IH 1120 - (8-04) - HYDRAULIC LIFT, HITCH SYSTEM (08) - HYDRAULICS
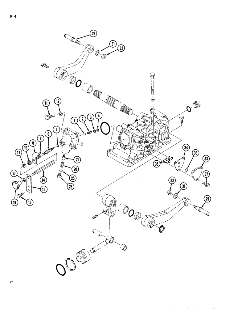
11
3
12
31
6
4
7
10
9
1
21
29
17
36
25
32
8
35
14
19
17
20
16
31
29
34
33
15
26
2
37
32
FIT
1:1
100%

Артикул

Название

Примечание

Количество

1

17014R1

BALL

7/16 inch, grade 25 metal

1шт.

2

1275044C1

VALVE SPRING

SPRING cylinder head

1шт.

3

1273211C1

WASHER

flat, 1/4 x 35/64 x 3/64 inch

1шт.

4

933687R1

SNAP RING,M15, Int

RING retaining, internal, 16 mm OD

1шт.

6

1962292C1

ADJUSTMENT SCREW

SCREW pilot

1шт.

7

1273521C1

O-RING

O-RING, 6 mm ID

1шт.

8

1992030C1

BRACKET

retaining

1шт.

9

1991219C1

SPRING

1шт.

10

825-1408

NUT,M8, Cl 8

1шт.

892-11008

LOCK WASHER,8mm ID

WASHER, LOCK, M8

1шт.

11

1962699C1

BOLT (SPREADER)

BOLT hex, 12 x 40 mm

4шт.

12

892-11012

LOCK WASHER,M12

WASHER, LOCK, M12

4шт.

14

1991483C1

SHAFT

1шт.

15

1992377C1

PLATE

guide

1шт.

16

614-8016

BOLT,Hex, M8 x 1.25 x 16mm, Cl 8.8, Full Thd

hex, 8 - 1.25 x 16 mm

2шт.

892-11008

LOCK WASHER,8mm ID

WASHER, LOCK, M8

2шт.

17

825-1408

NUT,M8, Cl 8

2шт.

19

99231C1

KNOB

adjuster

1шт.

20

1991484C1

SPRING

1шт.

21

1991485C1

SPOOL

POPPET

1шт.

25

1273793C1

O-RING

O-RING, 14 mm ID

1шт.

26

1991486C1

PLUG

1шт.

29

1991487C1

PIN

lift arm

2шт.

31

892-11016

LOCK WASHER,16.4mm ID x 27.4mm OD x 5mm Thk

WASHER - lock, 16 mm

2шт.

32

825-11416

NUT,M16 x 1.5, Cl 8

Hex M16 x 1.5, Cl 8

2шт.

33

1273344C1

CYLINDER END CAP

CAP housing

1шт.

34

1273342C1

SUPPORT ASSY.

PLATE support

1шт.

35

1273523C1

O-RING

O-RING, 12 mm ID

1шт.

36

1962505C1

O-RING

cap sealing, 25 mm ID

1шт.

37

814-8040

BOLT,Hex, M8 x 1.25 x 40mm, Cl 8.8

3шт.

892-11008

LOCK WASHER,8mm ID

WASHER, LOCK, M8

3шт.

Выбрано товаров: 31