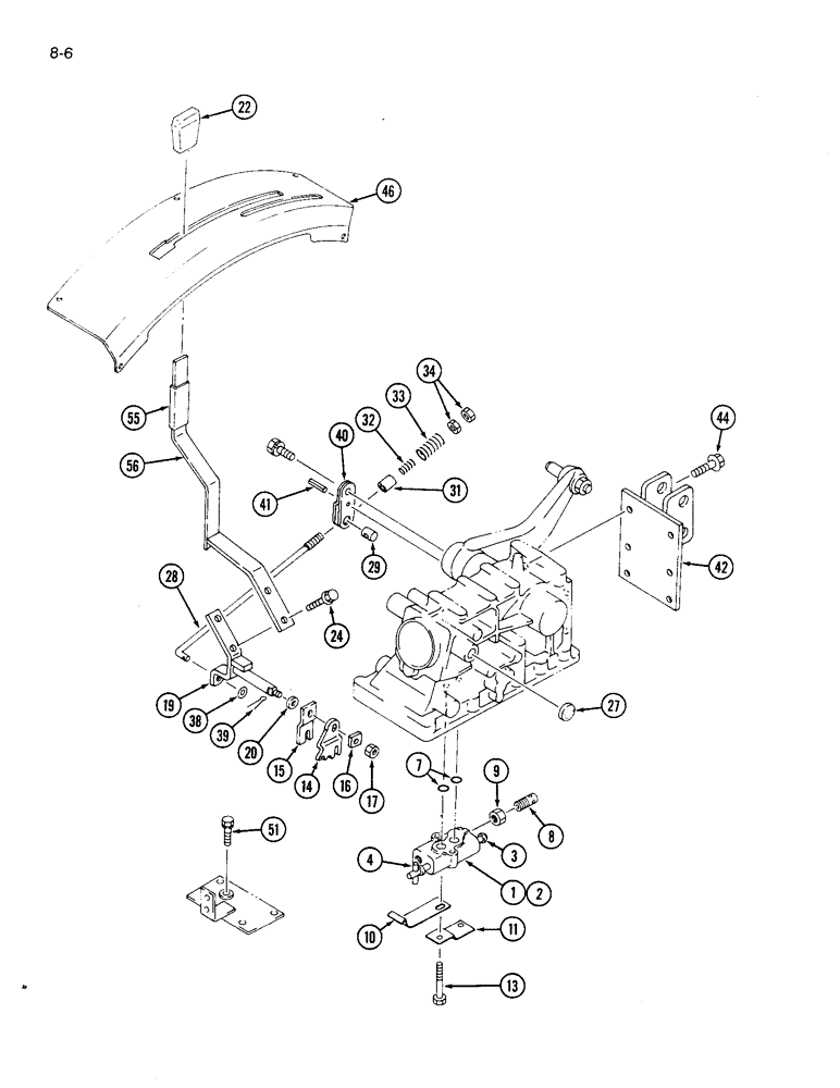
Запчасти Case IH 1120 (8-06) - HYDRAULIC LIFT, AUTO RETURN (08) - HYDRAULICS

Схема запчастей Case IH 1120 - (8-06) - HYDRAULIC LIFT, AUTO RETURN (08) - HYDRAULICS
17
11
29
44
10
15
32
56
28
4
33
34
42
40
38
31
13
16
55
39
9
27
22
2
41
3
1
20
51
19
8
24
14
46
7
FIT
1:1
100%

Артикул

Название

Примечание

Количество

1991488C1

VALVE

control, Includes Ref. 1 - 4

1шт.

1

NSS

NOT SOLD SEPARAT

BODY control valve

1шт.

2

NSS

NOT SOLD SEPARAT

SPOOL control valve

1шт.

3

1273542C1

SHIM

RING

2шт.

4

838-1626

LOCK PIN,6mm OD x 26mm L, Slotted

PIN spring

1шт.

7

1273523C1

O-RING

O-RING, 12 mm ID

2шт.

8

1992378C1

PIPE

1шт.

9

825-11414

NUT,M14 x 1.5, Cl 8

1шт.

10

1273336C1

VALVE SPRING

BRACKET valve mounting

1шт.

11

1273335C1

SUPPORT ASSY.

BRACKET valve mounting

1шт.

13

814-8055

BOLT,Hex, M8 x 1.25 x 55mm, Cl 8.8

hex, 8 - 1.25 x 55 mm

2шт.

14

1273339C1

SUPPORT ASSY.

PLATE linkage

1шт.

15

1273338C1

SUPPORT ASSY.

ARM control

1шт.

16

1273340C1

SUPPORT ASSY.

PLATE lock

1шт.

17

825-1408

NUT,M8, Cl 8

1шт.

19

1271810C1

LEVER

control linkage

1шт.

20

1273178C1

OIL SEAL

SEAL oil

1шт.

22

1273379C1

KNOB

lever

1шт.

24

614-8016

BOLT,Hex, M8 x 1.25 x 16mm, Cl 8.8, Full Thd

hex, 8 - 1.25 x 16 mm

2шт.

892-11008

LOCK WASHER,8mm ID

WASHER, LOCK, M8

2шт.

895-11008

WASHER,9mm ID x 16mm OD x 1.6mm Thk

flat, 9 x 17 x 1.6 mm

2шт.

27

1271803C1

PLUG

housing

1шт.

28

1271812C1

ROD

connecting

1шт.

29

1269896C1

AXLE PIN

PIN rod guide

1шт.

31

1271813C1

WASHER

COLLAR linkage rod

1шт.

32

1273645C1

VALVE SPRING

SPRING linkage, 4 coils

1шт.

33

1271733C1

VALVE SPRING

SPRING adjusting

1шт.

34

825-1406

NUT,M6, Cl 8

2шт.

38

895-11006

WASHER,6.6mm ID x 12mm OD x 1.6mm Thk

1шт.

39

732-2516

COTTER PIN,M2.5 x 16

PIN hair

1шт.

40

1269895C1

ARM

control

1шт.

41

838-1420

LOCK PIN,M4 x 20, Slotted

PIN spring

1шт.

42

1991490C1

BRACKET

1шт.

44

614-12030

BOLT,Hex, M12 x 1.75 x 30mm, Cl 8.8, Full Thd

- hex, 12 mm - 1.75 x 30 mm

6шт.

892-11012

LOCK WASHER,M12

WASHER, LOCK, M12

6шт.

46

1991491C1

LEVER

GUIDE control lever

1шт.

47

540-702

SCREW,Cross Pan Hd, M6 x 12

pan head, cross recessed, 6 x 12 mm

4шт.

51

514-703

BOLT,Hex, M10 x 1.25 x 20mm, Cl 8.8, Full Thd

4шт.

892-11010

LOCK WASHER,M10

4шт.

1992619C1

LEVER ASSY.

CONTROL LEVER ASSEMBLY, Includes Ref. 55 and 56

1шт.

55

1992593C1

TUBE

LEVER shift

1шт.

56

1991489C1

LEVER

shift

1шт.

Выбрано товаров: 42