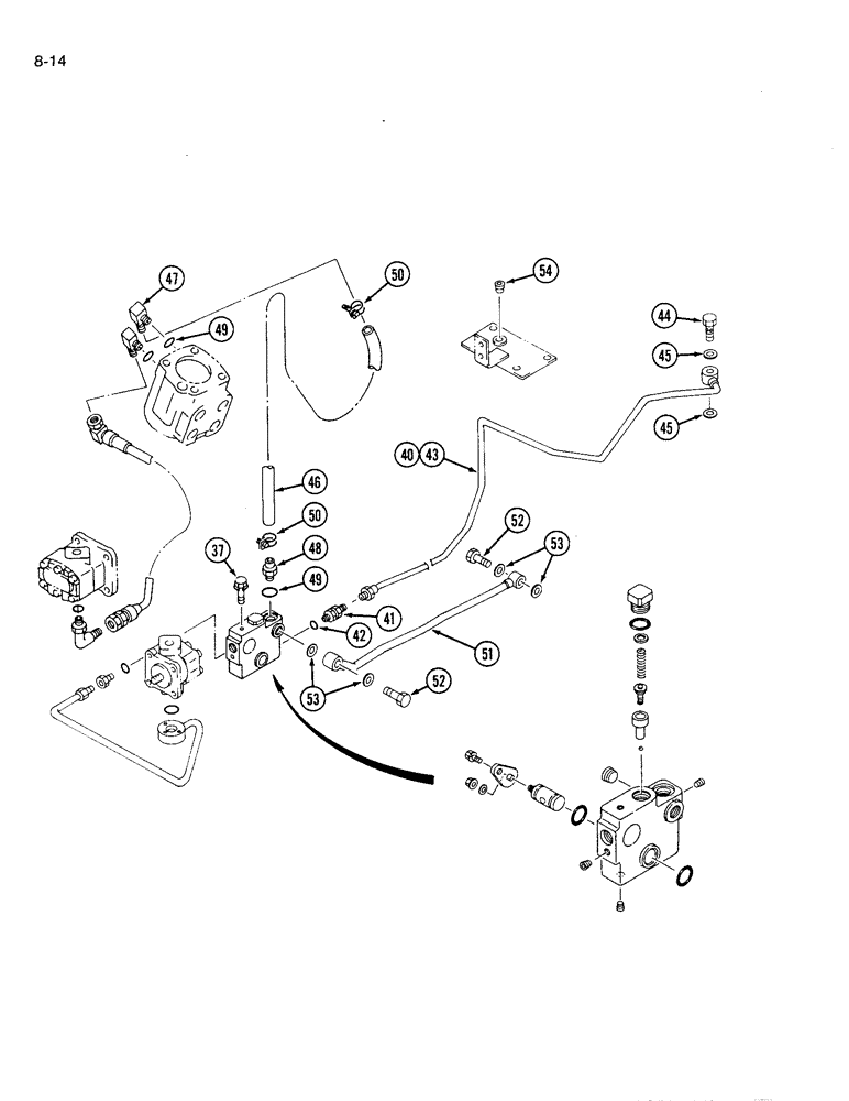
Запчасти Case IH 1120 (8-14) - HYDRAULIC VALVE, LINES AND CONNECTIONS (08) - HYDRAULICS

Схема запчастей Case IH 1120 - (8-14) - HYDRAULIC VALVE, LINES AND CONNECTIONS (08) - HYDRAULICS
45
49
52
41
45
43
46
50
37
48
47
54
44
50
51
42
49
40
53
53
52
FIT
1:1
100%

Артикул

Название

Примечание

Количество

37

614-8016

BOLT,Hex, M8 x 1.25 x 16mm, Cl 8.8, Full Thd

hex, 8 - 1.25 x 16 mm

1шт.

892-11008

LOCK WASHER,8mm ID

WASHER, LOCK, M8

1шт.

39

1282727C1

TUBE

CUSHION tube, not shown

2шт.

40

1991552C1

TUBE

pressure, used with mechanical transmission

1шт.

41

1992600C1

BODY

FITTING

1шт.

42

1992239C1

O-RING

14 mm ID

1шт.

43

1992382C1

TUBE

pressure, used with hydrostatic transmission

1шт.

44

1282526C1

BOLT,M16 x 1.5 x 30mm

BOLT special

1шт.

45

1963085C1

SEALING WASHER

seal

2шт.

46

1991553C1

HYDRAULIC HOSE

1шт.

47

1991554C1

ADAPTER

ELBOW 90 degree

1шт.

48

1991555C1

ADAPTER

Includes Ref. 48

1шт.

49

1273793C1

O-RING

O-RING, 14 mm ID

1шт.

50

1991556C1

CLAMP

hose

2шт.

51

1991557C1

TUBE

pressure

1шт.

52

1282526C1

BOLT,M16 x 1.5 x 30mm

BOLT special

2шт.

53

1963085C1

SEALING WASHER

seal

4шт.

54

1282720C1

PLUG

1шт.

Выбрано товаров: 18