Качественные детали и логистика
Оригинальные и аналоговые запчасти с доставкой по России, Казахстану и Беларуси
©2022 PartSell ООО "Система" ИНН 2463123282 ОГРН 1212400004838
Центральный офис: г. Красноярск, Академика Киренского, д.87, пом.4
Телефон: 8 (800) 777-65-74 Email: zakaz@partsell.ru
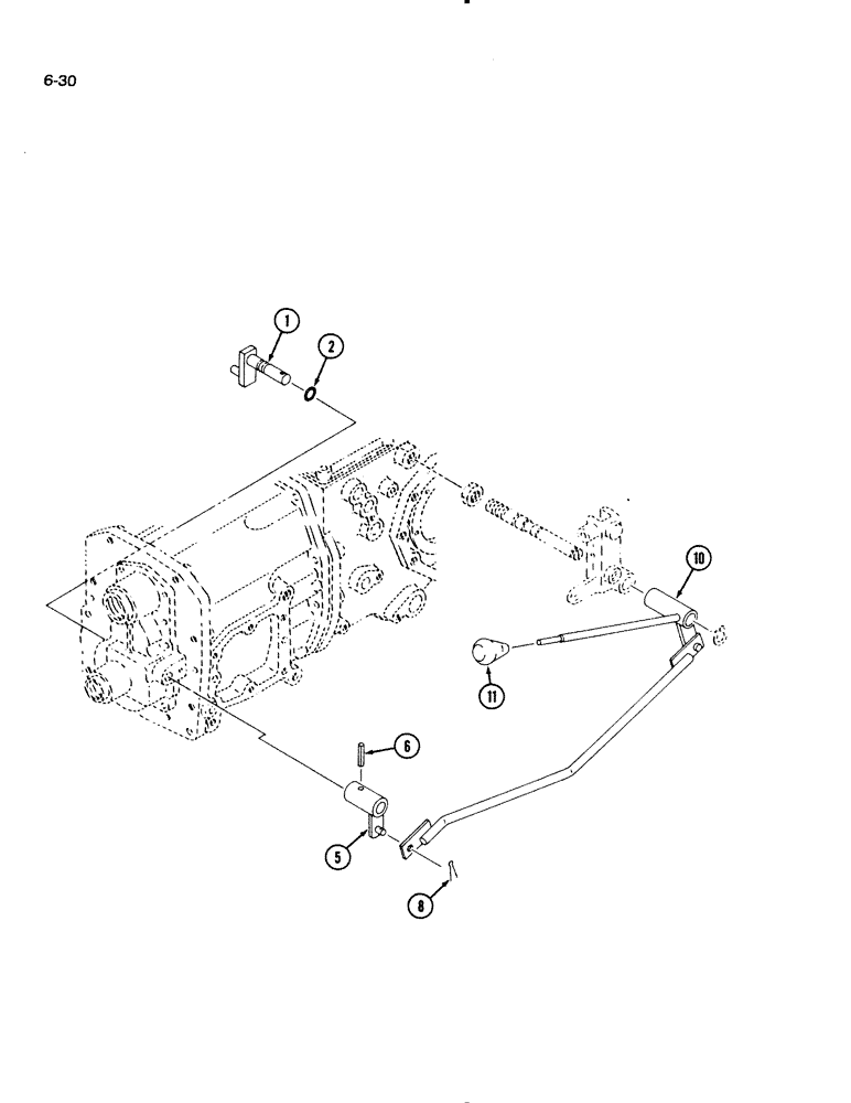
(6-30) - MFD CONTROLS
№
Артикул
Название
Примечание
Количество
1
1991415C1
SHIFTING UNIT
LEVER - MFD shift
1шт.
2
1273793C1
O-RING
O-RING - 14 mm ID
5
1991417C1
ARM
- MFD shift
6
838-1632
LOCK PIN,6mm OD x 32mm L, Slotted
Spring M6 x 32, Slotted
8
732-2516
COTTER PIN,M2.5 x 16
PIN - cotter, 2.5 x 16 mm
10
1991985C1
LEVER
- shift, MFD
11
1991376C1
GRIP
KNOB - lever
Выбрано товаров: 0