Запчасти Case IH 1130 (9-14) - THREE POINT HITCH (09) - CHASSIS/ATTACHMENTS

Схема запчастей Case IH 1130 - (9-14) - THREE POINT HITCH (09) - CHASSIS/ATTACHMENTS
24
29
42
35
15
22
3
20
27
43
33
7
29
1
46
17
6
6
39
34
28
26
38
23
41
5
32
21
14
16
2
12
4
45
20
11
26
30
9
27
29
30
FIT
1:1
100%

Артикул

Название

Примечание

Количество

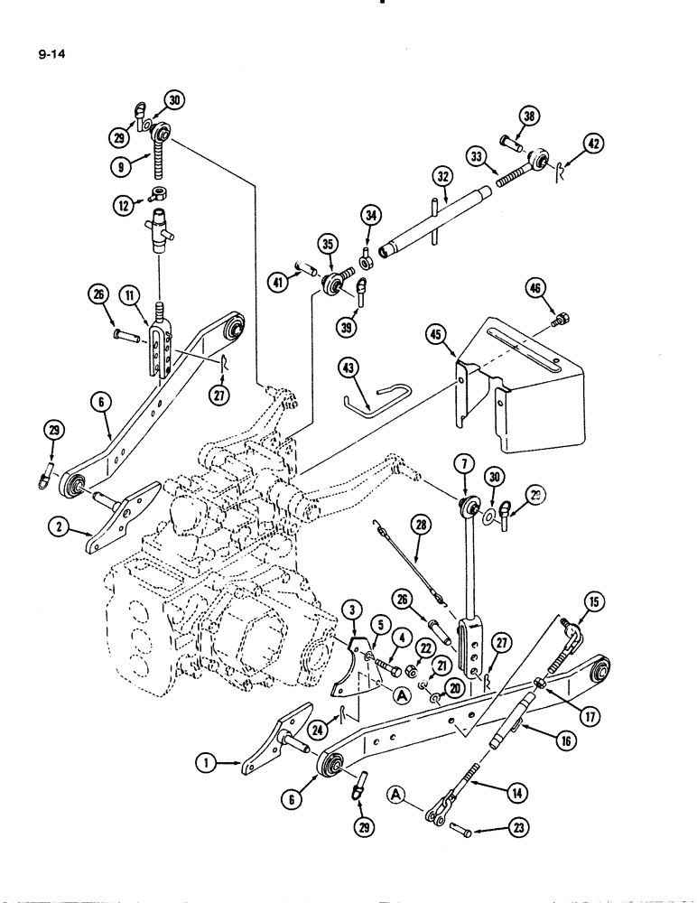
1

176039A1

BRACKET

- hitch link, lower left (Replaces 1992846C1)

1шт.

2

176040A1

BRACKET

- hitch link, lower right (Replaces 1992847C1)

1шт.

3

176041A1

BRACKET

- hitch link, left (Shown) (Replaces 1992118C1)

1шт.

3

176042A1

SUPPORT

BRACKET - hitch link, right (Replaces 1992368C1)

1шт.

4

614-14035

BOLT,Hex, M14 x 2 x 35mm, Cl 8.8, Full Thd

- hex, 14 x 35 mm

4шт.

5

892-11014

LOCK WASHER,14.5mm ID x 24.1mm OD x 4.5mm Thk

WASHER - lock, 14 mm

4шт.

1992499C1

ACCESSORIES

HITCH ASSEMBLY - three point, Includes: Ref. 6 - 46

1шт.

6

1992119C1

LINK

- lower

2шт.

7

1992120C1

ROD

- lift, lower left

1шт.

1992121C1

ROD

ASSEMBLY - lift, lower right, Includes: Ref. 9 - 12

1шт.

9

1991632C1

ROD

- top

1шт.

10

1992611C1

TURNBUCKLE

ROD - lift, middle

1шт.

Shown on the figure 9-14, is located between ref #11 & ref #12.

1шт.

11

1992123C1

ROD

- lift, lower

1шт.

12

1992408C1

SAFETY NUT

NUT - lock

1шт.

1992124C1

CHAIN (CE)

TURNBUCKLE ASSEMBLY - anti-sway, Includes: Ref. 14 - 17

2шт.

14

1992125C1

CHAIN (AG)

CHAIN - anti-sway

1шт.

15

1992126C1

CHAIN (AG)

CHAIN - anti-sway

1шт.

16

1991430C1

TURNBUCKLE

- anti-sway adjust

1шт.

17

825-1414

NUT,M14, Cl 8

- hex, 14 mm

1шт.

20

1992128C1

WASHER

- special

2шт.

21

892-11008

LOCK WASHER,8mm ID

WASHER, LOCK, M8

2шт.

22

825-11418

NUT,M18 x 1.5, Cl 8

- hex, 18 mm (Replaces 825-1418)

2шт.

23

1992409C1

PIN

- clevis

2шт.

24

732-3220

COTTER PIN,M3.2 x 20

PIN - cotter, 3.2 x 20 mm

2шт.

26

1992410C1

PIN

- lift rod

2шт.

27

1992411C1

PIN

- cotter

2шт.

28

1991638C1

BRAKE BAND

STRAP - retaining, upper link

1шт.

29

1992412C1

PIN

- linch

6шт.

30

896-16018

WASHER,19.8mm ID x 41.5mm OD x 5mm Thk

- flat, 20 x 41 x 5 mm

2шт.

1991298C1

LINK

ASSEMBLY - top, Includes: Ref. 32 - 35

1шт.

32

1991299C1

TURNBUCKLE

- upper link

1шт.

33

1991300C1

ADJUSTER

ROD - upper link, right

1шт.

34

1991301C1

LOCK NUT

NUT - lock

1шт.

35

1991302C1

ADJUSTER

ROD - upper link, left

1шт.

38

1992414C1

PIN

- upper rod

1шт.

39

1992416C1

PIN

- cotter (Replaces 1992412C1)

1шт.

41

1992415C1

PIN

- lower rod

1шт.

42

1992412C1

PIN

- linch (Replaces 1992416C1)

1шт.

43

1991643C1

HOOK

- upper link

1шт.

45

1991644C1

COVER

- PTO

1шт.

46

614-12025

BOLT,Hex, M12 x 1.75 x 25mm, Cl 8.8, Full Thd

- hex, 12 - 1.75 x 25 mm

2шт.

892-11012

LOCK WASHER,M12

WASHER, LOCK, M12

2шт.

Выбрано товаров: 43