Запчасти Case IH 1140 (9-04) - HITCH SYSTEM (09) - CHASSIS/ATTACHMENTS

Схема запчастей Case IH 1140 - (9-04) - HITCH SYSTEM (09) - CHASSIS/ATTACHMENTS
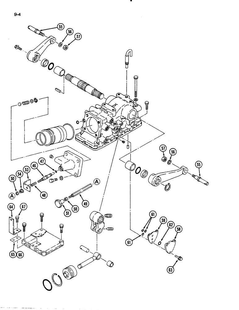
62
48
51
55
56
66
61
49
58
57
64
46
59
53
56
57
50
55
67
63
50
61
65
54
47
FIT
1:1
100%

Артикул

Название

Примечание

Количество

46

1962292C1

ADJUSTMENT SCREW

SCREW - pilot

1шт.

47

1273521C1

O-RING

O-RING - 6 mm ID

1шт.

48

1991219C1

SPRING

1шт.

49

1991483C1

SHAFT

1шт.

50

825-1408

NUT,M8, Cl 8

2шт.

51

99231C1

KNOB

- adjuster

1шт.

53

1992030C1

BRACKET

- retaining

1шт.

54

825-1408

NUT,M8, Cl 8

1шт.

892-11008

LOCK WASHER,8mm ID

WASHER, LOCK, M8

1шт.

55

1991487C1

PIN

- lift arm

2шт.

56

892-11016

LOCK WASHER,16.4mm ID x 27.4mm OD x 5mm Thk

WASHER - lock, 16 mm

2шт.

57

525-5109

NUT,M16 x 1.5, Cl 8

- hex, 16 mm

2шт.

58

1273344C1

CYLINDER END CAP

CAP - housing

1шт.

59

1273342C1

SUPPORT ASSY.

PLATE - support

1шт.

61

1273523C1

O-RING

O-RING - 12 mm ID

3шт.

62

1962505C1

O-RING

- cap sealing, 25 mm ID

1шт.

63

814-8035

BOLT,Hex, M8 x 1.25 x 35mm, Cl 8.8

- hex, 8 - 1.25 x 35 mm

3шт.

892-11008

LOCK WASHER,8mm ID

WASHER, LOCK, M8

3шт.

64

1992479C1

BRACKET

- support

1шт.

65

1992480C1

SHIM

1шт.

66

1992481C1

SHIM

1шт.

67

614-8016

BOLT,Hex, M8 x 1.25 x 16mm, Cl 8.8, Full Thd

- hex, 8 mm - 1.25 x 16 mm

2шт.

892-11008

LOCK WASHER,8mm ID

WASHER, LOCK, M8

2шт.

Выбрано товаров: 23