Запчасти Case IH 1190 (C-03) - CLUTCH RELEASE MECHANISM, WITH CONTINUOUS CLUTCH (03.1) - CLUTCH

Схема запчастей Case IH 1190 - (C-03) - CLUTCH RELEASE MECHANISM, WITH CONTINUOUS CLUTCH (03.1) - CLUTCH
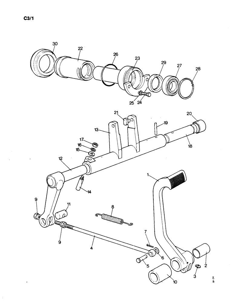
30
6
7
23
12
14
21
9
11
3
22
4
8
10
28
15
9
27
5
29
16
24
25
2
17
13
18
19
20
1
26
FIT
1:1
100%

Артикул

Название

Примечание

Количество

1

K959649

CLUTCH

PEDAL - with bushing, Includes Ref: 2

1шт.

2

K621301

BUSHING

1шт.

3

219-8

LUBE NIPPLE,1/4" - 28 NPTF

NIPPLE, LUBE, , ANF, Order K966110 (10), Incl. Ref 4 1/4"-28 NPT x .54" lg

1шт.

4

K200394

ROD

- pedal to stub shaft

1шт.

5

K625968

PIN

CLEVIS PIN - 3/8 x 1-5/8"

1шт.

6

K19472

WASHER

- 3/8", order K966202 (10)

1шт.

7

K19528

PIN

- cotter 3/32 x 3/4", order K966220 (10)

1шт.

8

K624965

SPRING

RETURN SPRING - pedal, Includes Ref: 9

1шт.

9

K607521

NUT

ADJUSTING NUT - 3/8 UNC

2шт.

10

K627193

BUSHING

SPACER

1шт.

11

K14744

PIN

- stub shaft lever

1шт.

12

K200500

CLUTCH

STUB SHAFT AND LEVER - left hand

1шт.

13

K200323

CLUTCH

FORK

1шт.

14

K609425

LARGE PIN

PIN - 3/8" UNC

1шт.

15

K19472

WASHER

- 3/8", order K966202 (10)

1шт.

16

K11522

WASHER

- lock, external shakeproof 3/8" - order K966052 (10)

1шт.

17

280136

NUT,3/8"-16, G8

Order K966474 (10) 3/8"-16, G8

1шт.

18

K201283

SHAFT

STUB SHAFT - right hand

1шт.

19

K623726

PIN

- 1/4 x 1-1/2", order K966618 (10)

1шт.

20

K628753

BUSHING

- main frame

4шт.

21

K84748

TRUNNION

PIN

2шт.

22

K200590

BEARING CARRIER

CARRIER - release bearing

1шт.

23

K200333

SHAFT

SUPPORT SNOUT

1шт.

24

9635884

BOLT,Hex, 5/16" - 18 1", Full Thd, Gr 5

Order K966416 (10) Hex, 5/16"-18 x 1", G5, Full Thd

3шт.

25

K19481

SPRING WASHER

WASHER - lock, 5/16", order K966205 (10)

3шт.

26

K623545

O-RING,0.139" Thk x 2.984" ID, -234, Cl 5, 75 Duro

- 3" internal diameter

1шт.

27

K620204

BALL BEARING

- clutch driveshaft

1шт.

28

K621430

CIRCLIP

RETAINING RING - 75 mm, internal

1шт.

29

K623430

OIL SEAL

OIL SEAL - 45 x 65 x 8 mm

1шт.

30

K620153

THRUST BEARING,69.84mm ID x 103.17mm OD x 21.59mm W

RELEASE BEARING

1шт.

Выбрано товаров: 30