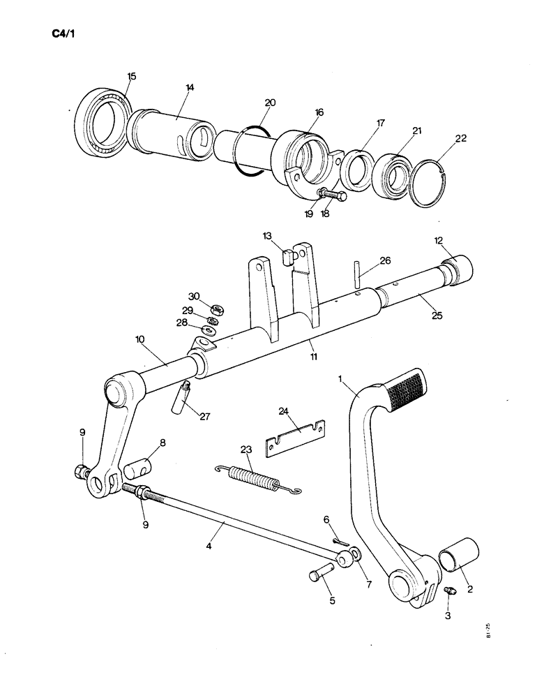
Запчасти Case IH 1190 (C-04) - RELEASE MECHANISM FOR TRANSMISSION CLUTCH, WITH INDEPENDENT CLUTCH (03.1) - CLUTCH

Схема запчастей Case IH 1190 - (C-04) - RELEASE MECHANISM FOR TRANSMISSION CLUTCH, WITH INDEPENDENT CLUTCH (03.1) - CLUTCH
8
6
22
9
28
10
2
4
9
7
5
11
29
12
25
20
19
23
13
17
14
1
24
27
18
16
21
30
15
26
3
FIT
1:1
100%

Артикул

Название

Примечание

Количество

1

K959650

CLUTCH

PEDAL - with bushing, Includes Ref: 2

1шт.

2

K621301

BUSHING

1шт.

3

219-8

LUBE NIPPLE,1/4" - 28 NPTF

NIPPLE, LUBE, , ANF, Order K966110 (10) 1/4"-28 NPT x .54" lg

1шт.

4

K201380

CLUTCH

ROD - pedal to cross shaft

1шт.

5

K625968

PIN

CLEVIS PIN - 3/8 x 1-5/8"

1шт.

6

K19528

PIN

- cotter 3/32 x 3/4", order K966220 (10)

1шт.

7

K19472

WASHER

- 3/8", order K966202 (10)

1шт.

8

K14744

PIN

- 3/4 x 1-1/2"

1шт.

9

K607521

NUT

ADJUSTING NUT - 3/8 UNC

2шт.

10

K201378

LEVER

SHAFT AND LEVER - left hand

1шт.

11

K200323

CLUTCH

FORK - transmission clutch

1шт.

12

K628753

BUSHING

- main frame

4шт.

13

K84748

TRUNNION

PIN - fork

2шт.

14

K928937

BEARING CARRIER,54.04mm ID x 76.2mm OD x 107.95mm L

CARRIER - thrust bearing

1шт.

15

K19177

BALL BEARING,76.2mm ID x 114.3mm OD x 19.05mm W

THRUST BEARING - transmission clutch

1шт.

16

K200333

SHAFT

SUPPORT SNOUT - bearing carrier

1шт.

17

K623430

OIL SEAL

OIL SEAL - 45 x 65 x 8 mm

1шт.

18

9635884

BOLT,Hex, 5/16" - 18 1", Full Thd, Gr 5

Support to main frame - Order K966416 (10) Hex, 5/16"-18 x 1", G5, Full Thd

3шт.

19

K19481

SPRING WASHER

WASHER - lock, 5/16", support to main frame - order K966205 (10)

3шт.

20

K623545

O-RING,0.139" Thk x 2.984" ID, -234, Cl 5, 75 Duro

- 3", internal

1шт.

21

K620204

BALL BEARING

- clutch driveshaft

1шт.

22

K621430

CIRCLIP

RETAINING RING - 75 mm, internal

1шт.

23

K624965

SPRING

RETURN SPRING

1шт.

24

K300803

CLUTCH

STOP - clutch pedal

1шт.

25

K201283

SHAFT

STUB SHAFT - right hand

1шт.

26

K623726

PIN

- 1/4 x 1-1/4", order K966618 (10)

1шт.

27

K609425

LARGE PIN

PIN - 3/8 UNC

1шт.

28

K19472

WASHER

- 3/8", order K966202 (10)

1шт.

29

K11522

WASHER

- lock, external shakeproof 3/8" - order K966052 (10)

1шт.

30

280136

NUT,3/8"-16, G8

Order K966474 (10) 3/8"-16, G8

1шт.

Выбрано товаров: 30