Запчасти Case IH 1190 (A-04) - VALVE MECHANISM AND TIMING GEARS (01) - ENGINE

Схема запчастей Case IH 1190 - (A-04) - VALVE MECHANISM AND TIMING GEARS (01) - ENGINE
19
28
1
17
23
11
12
14
35
21
36
15
9
25
18
25
20
3
27
29
10
20
42
38
6
13
24
33
43
16
31
30
41
5
39
4
26
32
40
2
7
22
27
8
37
44
34
FIT
1:1
100%

Артикул

Название

Примечание

Количество

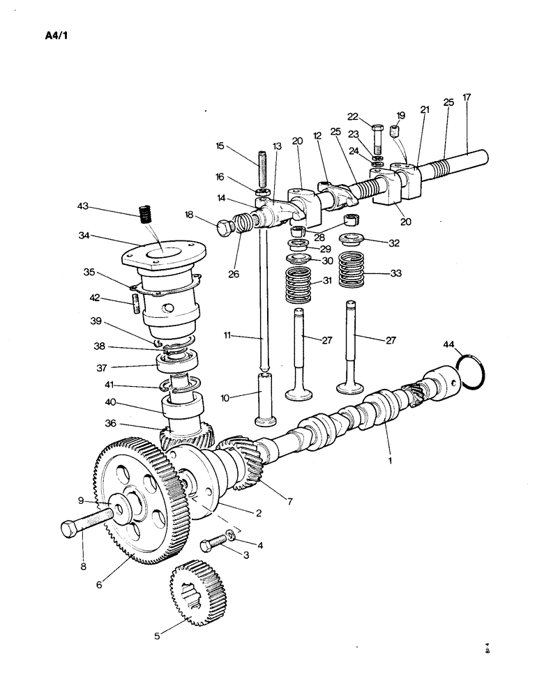
1

K914527

CAMSHAFT

1шт.

2

K907336

HOUSING

LOCATING HOUSING

1шт.

3

K602849

SCREW

BOLT - 5/16 UNC x 7/8", order K966417 (10)

3шт.

4

K19481

SPRING WASHER

WASHER - lock, 5/16", order K966205 (10)

3шт.

5

K907329

GEAR

- 41 teeth, crankshaft

1шт.

6

K907335

PINION

GEAR - 82 teeth, camshaft

1шт.

7

K909920

DRIVE

GEAR - injection pump drive

1шт.

K19607

KEY

- Woodruff No. 506, order K966241 (10)

2шт.

8

K907572

BOLT

- 1/2 UNC x 2-1/4", gear retaining

1шт.

9

K907571

WASHER

- 1/2", special

1шт.

10

K901137

TAPPET

6шт.

11

K902035

ROD

PUSH ROD

6шт.

12

K63089

ROCKER

VALVE ROCKER - right hand, with bushing

3шт.

13

K63090

ROCKER

VALVE ROCKER - left hand, with bushing

3шт.

14

K964733

BUSHING

- valve rocker

6шт.

15

K900413

ADJUSTMENT SCREW,3/8" - 16 x 1 1/8"

- 3/8 UNC, adjusting

6шт.

16

87016560

JAM NUT,Jam, 3/8"-16, G5

- lock 3/8 UNC, order K966481 (10)

6шт.

17

K907920

TUBE

SHAFT - rocker

1шт.

18

K19590

PLUG

- 3/8 BSP

2шт.

19

K606051

SET SCREW,5/16" - 18 x 1/2"

- 5/16 UNC x 1/2", order K966469 (10)

1шт.

20

K921431

BRACKET

- rocker shaft, No. 1 and 2

2шт.

21

K921432

BRACKET

- rocker shaft, rear

1шт.

22

K600705

BOLT

- 7/16 UNC x 2-5/8"

3шт.

23

K626344

WASHER, LOCK

WASHER - lock, 7/16", order K966715 (10)

3шт.

24

K626314

WASHER

- 7/16", order K967232 (10)

3шт.

25

K11017

SPRING

- intermediate

2шт.

26

K907919

WASHER

SPRING - ends

2шт.

27

K928622

STD INLET VALVE

VALVE - inlet and exhaust

6шт.

28

K943439

LOCKING DEVICE

LOCK - exhaust valve

6шт.

29

K928623

COLLAR

- inner, exhaust valve

3шт.

30

K928624

COLLAR

- outer, exhaust valve

3шт.

31

K921436

VALVE SPRING

SPRING - exhaust vavle

3шт.

28

K943439

LOCKING DEVICE

LOCK - inlet valve

6шт.

32

K921437

COLLAR

- inlet valve

3шт.

33

K921435

SPRING

- inlet valve

3шт.

34

K948193

HOUSING

BEARING HOUSING

1шт.

35

K907922

GASKET

- housing to cylinder block, order K967286 (10)

1шт.

36

K912483

GEAR

- injection pump

1шт.

37

K24489

BALL BEARING

1шт.

38

K11128

CIRCLIP

RETAINER RING - 1" external

1шт.

39

K13170

RING, SNAP

RETAINER RING - 52 mm internal

1шт.

40

K620266

NEEDLE BEARING

NEEDLE ROLLER BEARING

1шт.

41

K621680

SNAP RING,2.062", Int, #206

Ring, Snap, 2.062", Int, #206

1шт.

42

K608121

STUD

- 5/16 UNC x 1-7/8"

3шт.

43

K624903

SPRING

- pump shaft location

1шт.

44

K623523

O-RING,1.802" OD x 0.143" Width

- 1-13/16" internal

1шт.

Выбрано товаров: 46