Запчасти Case IH 1190 (A-05) - CYLINDER HEAD (01) - ENGINE

Схема запчастей Case IH 1190 - (A-05) - CYLINDER HEAD (01) - ENGINE
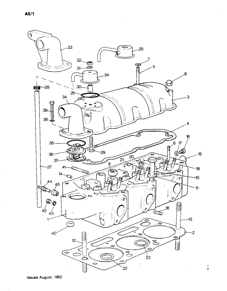
26
43
1
27
3
11
30
18
36
25
15
2
7
38
8
4
41
10
14
37
9
45
17
20
16
29
24
5
31
22
40
19
12
32
33
39
6
42
34
35
28
21
13
44
23
FIT
1:1
100%

Артикул

Название

Примечание

Количество

K965767

HEAD (CYLINDER)

CYLINDER HEAD - with inserts, plugs, valves and springs

1шт.

1

K965768

HEAD (CYLINDER)

CYLINDER HEAD - with valve inserts and plugs

1шт.

2

K956672

CYLINDER HEAD GASKET

GASKET -, Serial Range: head-block

1шт.

3

K921488

COVER

- cylinder head

1шт.

4

K907338

GASKET,3.97mm Thk

-, Serial Range: cover-head

1шт.

5

K608118

STUD

- 5/16 UNC x 3-7/16"

2шт.

6

K608111

STUD

- 5/16 UNC x 3"

2шт.

7

K14988

WASHER

COPPER-ASBESTOS WASHER - 5/16"

4шт.

8

K607252

NUT

DOMED NUT - 5/16 UNC

4шт.

9

K617594

NUT

- 1/2 UNF, special, cylinder, Serial Range: head-block

6шт.

10

K600870

BOLT

- 1/2 UNC x 4-1/4", special, cylinder, Serial Range: head-block

9шт.

11

K953429

WASHER,13.89mm ID x 23.81mm OD x 0.71mm Thk

- 1/2", special, cylinder, Serial Range: head-block

15шт.

12

K906538

STUD

- 1/2 UNC/UNF x 4-7/8", cylinder, Serial Range: head-block

4шт.

13

K908505

BUSHING

STUD - 1/2 UNC/UNF x 5-5/8", cylinder, Serial Range: head-block

2шт.

14

K900431

PLUG

TAPER PLUG

3шт.

15

K623789

PLUG

CORE PLUG - 1"

1шт.

16

K19591

PLUG

FLANGED PLUG - 1/8 BSP

1шт.

17

K16732

WASHER

COPPER WASHER - 3/8"

1шт.

18

K608203

STUD

- 3/8 UNC x 1-7/16", exhaust manifold

6шт.

19

K608107

STUD

- 5/16 UNC x 2-11/16" injectors

6шт.

20

9635082

NUT,5/16" - 18, Gr 5

- 5/16 UNC, injectors

6шт.

21

K19481

SPRING WASHER

WASHER - lock, 5/16", injectors

6шт.

22

K921246

INSERT

- inlet seat

3шт.

23

K921247

INSERT

- exhaust seat

3шт.

24

K921489

COVER

- breather, without steering reservoir connection

1шт.

25

K203757

COVER

- breather, with steering reservoir connection

1шт.

26

K626901

O-RING,40554" ID x 40575" OD x 0.12"

O-RING - 1-5/8" internal

1шт.

27

K947667

PIPE

HOSE - 5/8 x 20"

1шт.

28

K622023

CLAMP

- hose 3/4"

1шт.

29

K600878

BOLT

- 1/2 UNC x 1-5/8"

1шт.

30

K945433

BUSHING

SPACER - breather

1шт.

31

K626443

WASHER

COPPER WASHER - 1/2"

1шт.

32

86632558

JAM NUT,Jam, 1/2"-13, G5

NUT - lock 1/2 UNC

1шт.

33

K947344

PIPE

- water outlet

1шт.

34

K921853

OUTLET

PIPE - water outlet

1шт.

35

K68951

O-RING,0.103" Thk x 2.112" ID, -138, Cl 5, 75 Duro

-138, 90 Duro, 2.112" ID x .103" Thk

1шт.

36

K917962

THERMOSTAT

- water

1шт.

37

K200225

GASKET,0.81mm Thk

- thermostat

1шт.

38

K19481

SPRING WASHER

WASHER - lock, 5/16"

2шт.

39

413-518

BOLT,Hex, 5/16" - 18 x 1-1/8", Gr 5

- 5/16 UNC x 1-7/8"

2шт.

40

K915330

SEALING RING

RUBBER SEAL - pump to cylinder head

1шт.

41

K608247

STUD

- 5/16 UNC x 3-1/4" (No. 2 top inlet hole)

1шт.

42

K623829

PLUG

- 3/8 BSP

1шт.

43

K19500

GASKET

FIBER WASHER - 5/8"

1шт.

44

K302026

TEMPERATURE SENDER

SENDER - temperature gauge

1шт.

45

K203464

ADAPTER

- 5/8 UNF x 1/8 NPT

1шт.

K260287

KIT, ENGINE TOP GASK

GASKET SET - cylinder head

1шт.

Выбрано товаров: 47