Запчасти Case IH 1190 (F-02) - POWER TAKE OFF UNIT, CASE AND COVERS (01) - POWER TAKE OFF

Схема запчастей Case IH 1190 - (F-02) - POWER TAKE OFF UNIT, CASE AND COVERS (01) - POWER TAKE OFF
3
10
20
8
18
21
7
11
14
5
4
9
16
13
1
19
12
2
17
6
FIT
1:1
100%

Артикул

Название

Примечание

Количество

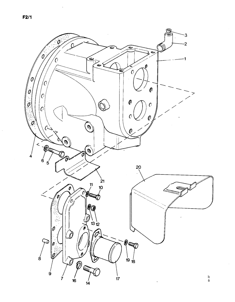
1

K951568

PTO

CASE

1шт.

2

K622127

FITTING

ELBOW - 1" BSP

1шт.

3

K12362

PLUG

- 1" BSP

1шт.

4

K922591

GASKET

- case to rear axle

1шт.

5

K600605

BOLT

- 7/16 UNC x 1-7/8", case to rear axle

11шт.

6

K626344

WASHER, LOCK

WASHER - lock, 7/16", case to rear axle - order K966715 (10)

11шт.

7

K906686

COVER

END COVER

1шт.

8

K25360

PIN

DOWEL - 1/4 x 9/16", order K966274 (10)

2шт.

9

K924217

GASKET

1шт.

10

9635884

BOLT,Hex, 5/16" - 18 1", Full Thd, Gr 5

Order K966416 (10) Hex, 5/16"-18 x 1", G5, Full Thd

1шт.

11

K19481

SPRING WASHER

WASHER - lock, 5/16", order K966205 (10)

1шт.

12

9635082

NUT,5/16" - 18, Gr 5

- 5/16 UNC, order K966473 (10)

1шт.

13

K15498

SEALING WASHER

ING WASHER - 5/16"

1шт.

14

K608311

STUD

- 7/16 UNC x 2-5/16" (Multi-speed PTO)

4шт.

14

K600614

BOLT - 7/16 UNC x 1-3/4" (Single-speed PTO)

4шт.

15

280717

NUT,7/16"-14, G5

Order K966475 (10) (Multi-speed PTO) 7/16"-14, G5

4шт.

16

K626344

WASHER, LOCK

WASHER - lock, 7/16", order K966715 (10)

4шт.

17

K909111

COVER

- PTO shaft

1шт.

18

K602840

SCREW

BOLT - 5/16 UNC x 1/2", order K966412 (10)

2шт.

19

K626682

WASHER

- 5/16", order K966753 (10)

2шт.

20

K906893

GUARD

- PTO shaft

1шт.

21

K928304

SHIM

GUARD - hydraulic filter switch

1шт.

Выбрано товаров: 22