Запчасти Case IH 1190 (D-01) - GEARBOX CASE AND SELECTORS (03) - POWER TRAIN

Схема запчастей Case IH 1190 - (D-01) - GEARBOX CASE AND SELECTORS (03) - POWER TRAIN
15
9
22
24
6
28
26
31
8
13
21
4
19
2
18
1
11
29
16
20
5
27
25
17
12
10
7
3
30
14
FIT
1:1
100%

Артикул

Название

Примечание

Количество

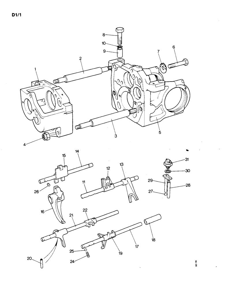
1

K929944

PLATE

END PLATE - front

1шт.

2

K928339

LARGE PIN

SPACING BAR - upper

2шт.

3

K928338

SHAFT

SPACING BAR - lower

2шт.

4

K607331

NUT

NYLOC NUT - 5/8 UNC

6шт.

5

K963487

PLATE

END PLATE - rear, with bearing caps, Includes Ref: 6

1шт.

6

K601240

BOLT

- 5/8 UNC x 3-1/4", caps to end plate

4шт.

7

K626389

BEARING WASHER

TABWASHER - caps to end plate - order K966726 (10)

4шт.

8

K601306

BOLT

- 5/8 UNC special, gearbox to main frame

2шт.

9

K920656

BUSHING

BUSHING - gearbox to main frame

2шт.

10

K626239

SHIM,.010" Thk

Gearbox to main frame - Order K967282 (10) .010" Thk

1шт.

11

K945213

SELECTOR

ROD - first and reverse

1шт.

12

K954125

SELECTOR

JAW - first and reverse

1шт.

13

K942472

SELECTOR

FORK - first and reverse

1шт.

14

K945215

SELECTOR

ROD - second and third

1шт.

15

K928571

SELECTOR

JAW - second and third

1шт.

16

K926310

SELECTOR

FORK - second and third

1шт.

17

K945699

SELECTOR

ROD - high/low

1шт.

18

K929417

BUSHING

SLEEVE - high/low

1шт.

19

K950260

SELECTOR

FORK - high/low

1шт.

20

K623887

PIN,5.21mm OD x 25.4mm L

- 3/16 x 1", order K967377 (10)

6шт.

21

K928576

SELECTOR

ROD - slow/normal

1шт.

22

K950259

SELECTOR

JAW - slow/normal

1шт.

23

K928567

SELECTOR

FORK - slow/normal

1шт.

24

K13507

SPRING

- gear detent, order K966114 (10)

4шт.

25

K13506

BALL

STEEL BALL - 3/8", detent - order K966113 (10)

4шт.

26

K30430

LOCKING DEVICE

GEAR LOCK

1шт.

27

K13506

BALL

STEEL BALL - 3/8", order K966113 (10)

2шт.

28

K945208

PLUNGER

1шт.

29

K945204

PLUNGER

AND PLATE

1шт.

30

K626895

SHIM,.002" Thk

Switch to gearbox cover - K966777 (10) .002" Thk

1шт.

30

K626858

SHIM,.005" Thk

Switch to gearbox cover .005" Thk

1шт.

30

K626894

SHIM,.010" Thk

Switch to gearbox cover - Order K966776 (10) .010" Thk

1шт.

31

K200652

NEUTRAL START SWITCH

SAFETY SWITCH - starter

1шт.

Выбрано товаров: 33