Запчасти Case IH 1190 (L-01) - RAMSHAFT AND RAM CYLINDER (09) - IMPLEMENT LIFT

Схема запчастей Case IH 1190 - (L-01) - RAMSHAFT AND RAM CYLINDER (09) - IMPLEMENT LIFT
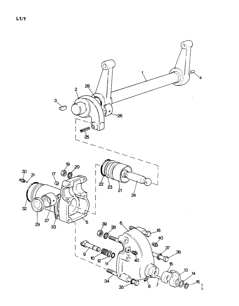
7
30
1
32
26
11
40
39
4
33
24
21
20
8
2
38
18
27
12
35
15
23
6
25
5
19
40
3
34
29
28
22
16
17
10
37
31
9
36
13
14
FIT
1:1
100%

Артикул

Название

Примечание

Количество

1

K921719

SHAFT

RAMSHAFT AND LEVERS - linkage (Standard)

1шт.

1

K205053

SHAFT

RAMSHAFT AND LEVERS - linkage (Heavy Duty), Includes Ref: 2 - 4

1шт.

2

K906796

ARM

RAM LEVER - linkage

1шт.

3

K622381

KEY

- special

2шт.

4

K621807

PIN

DOWEL - 5/16 x 1/2"

1шт.

5

K260465

COVER

CYLINDER BODY AND COVER ASSEMBLY - ram (P.I.N. 11031124 and after), Includes Ref: 6 - 20

1шт.

5

K961748

CYLINDER

BODY AND COVER ASSEMBLY - ram (Prior to P.I.N. 11031124)

1шт.

6

K260466

COVER

AND LIFT LOCK ASSEMBLY - ram (P.I.N. 11031124 and after)

1шт.

K623789

PLUG

- core, 3/4" diameter (P.I.N. 11031124 and after)

1шт.

6

K961742

COVER

AND LIFT LOCK ASSEMBLY - ram (Prior to P.I.N. 11031124), Includes Ref: 7 - 20

1шт.

7

K620027

NEEDLE

ROLLER - needle

2шт.

8

K606322

SCREW

- locating (P.I.N. 11031124 and after)

1шт.

8

K606052

SET SCREW,Hex Skt, 5/16" - 18 x 3/4"

LOCATING SCREW - locating (Prior to P.I.N. 11031124)

1шт.

9

K913846

PIN

LATCH PIN - 3-3/4" (Prior to P.I.N. 11031124)

1шт.

10

K913436

SPRING

- latch (Prior to P.I.N. 11031124)

1шт.

11

K24556

O-RING,0.734" ID x 1.012" OD x 0.139"

- 3/4" internal diameter (Prior to P.I.N. 11031124)

1шт.

12

K907061

BUSHING

SPACER - 3/16 x 1" (Prior to P.I.N. 11031124)

1шт.

13

K947974

LEVER ASSY.

LEVER - control

1шт.

14

K626210

SHIM,.030" Thk

1шт.

15

K913724

DUST CAP

DIRT SEAL - lever

1шт.

16

K11290

RING, SNAP

RETAINING RING - 3/4", external

2шт.

17

K924685

RUBBER

RESTRICTOR - cylinder body

1шт.

18

K608834

BOLT

- 1/2 UNC x 3-1/2"

2шт.

19

280431

NUT,1/2"-13, G5

2шт.

20

K11518

WASHER

- lock, 1/2"

2шт.

21

K907502

PISTON

- standard

1шт.

22

K623542

O-RING,0.21" Thk x 2.725" ID, -335, Cl 5, 75 Duro

- 2-3/4" internal diameter

1шт.

23

K628050

RING,69.6mm ID x 79.65mm OD x 2.64mm Thk

- backup

1шт.

24

K910106

ROD

- connecting

1шт.

25

K623920

SPLIT PIN/SAFETY PIN

SPRING PIN - 1/4 x 1-7/8"

1шт.

26

K912013

BEARING HALF,50.22mm ID x 54.52mm OD x 30.63mm W

BEARING - half

2шт.

27

K912012

BUSHING

- bearing

1шт.

28

K623538

O-RING,6.99mm Thk x 50.16mm ID, 60 Duro

- 2" internal diameter

1шт.

29

K30061

COVER

DISC - sealing

1шт.

30

K910104

SCREW

- bleed

1шт.

31

K11286

BALL

STEEL BALL - 5/16"

1шт.

32

K623566

O-RING,0.139" Thk x 3.859" ID, -241, Cl 5, 75 Duro

- 3-7/8" internal diameter

1шт.

33

K913768

GASKET

- cylinder to rear axle case

1шт.

34

K600822

BOLT

- 1/2 UNC x 5"

2шт.

35

K11518

WASHER

- lock, 1/2"

2шт.

36

K601274

BOLT

- 5/8 UNC x 12-1/2"

2шт.

37

K623515

SEAL,16.38mm ID x 25.53mm OD x 3.2mm Thk

ING WASHER - 5/8"

2шт.

38

K11516

WASHER

- lock, 5/8"

2шт.

39

280374

NUT,Hex, 5/8" - 11, Gr 5

2шт.

40

219-8

LUBE NIPPLE,1/4" - 28 NPTF

NIPPLE, LUBE, , ANF 1/4"-28 NPT x .54" lg

2шт.

Выбрано товаров: 45