Запчасти Case IH 1194 (6-114) - CLUTCH SLAVE CYLINDER AND RELEASE MECHANISM, TRACTORS WITH CAB (06) - POWER TRAIN

Схема запчастей Case IH 1194 - (6-114) - CLUTCH SLAVE CYLINDER AND RELEASE MECHANISM, TRACTORS WITH CAB (06) - POWER TRAIN
6
35
21
29
32
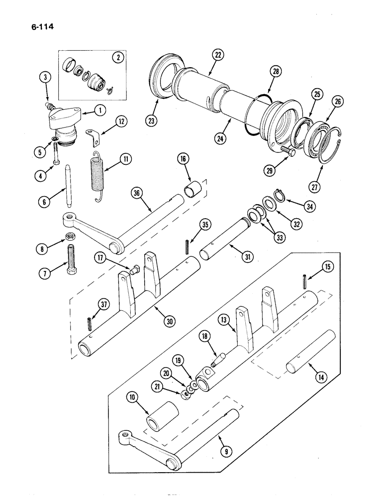
15
1
11
16
17
24
5
31
36
23
30
4
14
34
7
33
22
2
27
19
20
8
10
9
3
37
12
25
26
13
28
18
FIT
1:1
100%

Артикул

Название

Примечание

Количество

1

K957166

MASTER CYLINDER,25.4mm Stroke

CYLINDER - slave, Includes: Ref. 2 & 3

1шт.

2

K964574

KIT

SEAL KIT

1шт.

3

K964534

SCREW,M12 x 1

- air removal

1шт.

4

K650648

BOLT

- M8 x 50 mm

2шт.

5

K651848

WASHER

- lock, 8 mm

2шт.

6

K203256

ROD

- slave cylinder push

1шт.

7

K950997

SCREW

- adjusting, 1/2 inch UNF

1шт.

8

K622809

NUT

- lock, 1/2 inch UNF

1шт.

9

K203244

SHAFT

AND LEVER - left-hand (Prior to P.I.N. 11040729)

1шт.

10

K203247

BUSHING

SPACER - (Prior to P.I.N. 11040729)

1шт.

11

K624975

SPRING

1шт.

12

K301473

SPRING

ANCHOR - return spring

1шт.

13

K200323

CLUTCH

FORK - clutch (Prior to P.I.N. 11040729)

1шт.

14

K200483

SHAFT

- right-hand (Prior to P.I.N. 11040729)

1шт.

15

K623726

PIN

- 1/4 x 1-1/2 inch (Prior to P.I.N. 11040729)

1шт.

16

K628753

BUSHING

- main frame

3шт.

17

K84748

TRUNNION

PIN - trunnion

2шт.

18

K609425

LARGE PIN

PIN - 3/8 inch UNC (Prior to P.I.N. 11040729)

1шт.

19

K19472

WASHER

- 3/8 inch (10 mm) (Prior to P.I.N. 11040729)

1шт.

20

K11522

WASHER

- lock, 3/8 inch (Prior to P.I.N. 11040729)

1шт.

21

280136

NUT,3/8"-16, G8

(Prior to P.I.N. 11040729) 3/8"-16, G8

1шт.

22

K928937

BEARING CARRIER,54.04mm ID x 76.2mm OD x 107.95mm L

CARRIER - release bearing

1шт.

23

K620153

THRUST BEARING,69.84mm ID x 103.17mm OD x 21.59mm W

BEARING - transmission clutch release

1шт.

24

K200333

SHAFT

SUPPORT - bearing

1шт.

25

K623430

OIL SEAL

- oil, 45 x 65 x 8 mm

1шт.

26

K19172

BALL BEARING

BEARING - ball, clutch driveshaft

1шт.

27

K621430

CIRCLIP

RING - retaining, 75 mm, internal

1шт.

28

K623545

O-RING,0.139" Thk x 2.984" ID, -234, Cl 5, 75 Duro

- 3 inch (76 mm) internal diameter

1шт.

29

K602862

SCREW,5/16" - 18 x 1 1/4", Gr S

BOLT - 5/16 UNC x 1 inch

3шт.

30

K207254

CLUTCH

FORK - clutch (P.I.N. 11040729 and after)

1шт.

31

K210127

SHAFT

- stud, right-hand (P.I.N. 11040729 and after)

1шт.

32

K627472

WASHER

- 1 inch (P.I.N. 11040729 and after)

1шт.

33

K626749

WASHER

- Belleville, 1 inch (P.I.N. 11040729 and after)

4шт.

34

K11128

CIRCLIP

RING - snap, 1 inch ID (P.I.N. 11040729 and after)

1шт.

35

135-765

GROOVED PIN,1/4" x 1 3/4", Type E

PIN - 5/64 x 3/4 inch (P.I.N. 11040729 and after)

1шт.

36

K207994

LEVER

SHAFT AND LEVER - left-hand (P.I.N. 11040729 and after)

1шт.

37

K623768

GROOVED PIN,3/8" x 2", Type B

Pin, Grooved, (P.I.N. 11040729 and after) 3/8" x 2", Type B

1шт.

Выбрано товаров: 37