Запчасти Case IH 1290 (K-18) - THREE WAY VALVE ASSEMBLY (07) - HYDRAULICS

Схема запчастей Case IH 1290 - (K-18) - THREE WAY VALVE ASSEMBLY (07) - HYDRAULICS
13
20
16
15
4
17
12
15
1
20
24
21
23
18
2
22
14
5
7
6
19
9
10
16
8
FIT
1:1
100%

Артикул

Название

Примечание

Количество

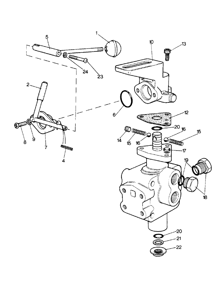
K204765

VALVE

ASSEMBLY - three-way, Includes Ref: 1 - 22

1шт.

1

K929750

KNOB

- lever

1шт.

2

K204724

LEVER

- control

1шт.

4

K943367

PIN

-, Serial Range: lever-cover

1шт.

5

K204726

LEVER

HANDLE - lever

1шт.

6

K16351

O-RING,3.53mm Thk x 24.99mm ID

- 1 inch ID

1шт.

7

K919613

SHIM

PLATE - lever retaining

1шт.

8

86625206

SCREW,Phillips Drive, Pan HD, #10 - 32 x 1/2"

- no. 10 UNF x 1/2 inch

2шт.

9

K626340

RING

WASHER - lock, 3/16 inch

2шт.

10

K957259

COVER

- valve

1шт.

12

K944527

GASKET,0.15mm Thk

- cover

1шт.

Part of valve seal kit, P/N K965998

1шт.

13

K606501

SCREW

- 1/4 UNC x 5/8 inch

3шт.

14

K606020

SCREW

SET SCREW - 5/16 UNC x 1/4 inch slotted

1шт.

15

K625208

SPRING

- pressure

2шт.

16

K17063

BALL

- 1/4 inch OD, steel

2шт.

17

K915393

FOAM

BREATHER - valve

1шт.

Part of valve seal kit, P/N K965998

1шт.

18

K948415

PLUG

- 3/4 inch UNF, special

2шт.

19

K623589

O-RING

- 5/8 inch ID

2шт.

Part of valve seal kit, P/N K965998

1шт.

20

K625408

O-RING

- 7/16 inch ID

2шт.

Part of valve seal kit, P/N K965998

1шт.

21

K628059

RING,Split, 11.11mm ID x 15.88mm OD x 1.47mm Thk

- back up

1шт.

Part of valve seal kit, P/N K965998

1шт.

22

K919826

BREATHER

- valve

1шт.

Part of valve seal kit, P/N K965998

1шт.

K965998

SEAL

KIT - valve

1шт.

K24676

O-RING,0.103" Thk x 0.612" ID, -114, Cl 6, 90 Duro

- 5/8 inch, ID

1шт.

K24556

O-RING,0.734" ID x 1.012" OD x 0.139"

- 3/4 inch, ID

1шт.

K24852

O-RING,0.103" Thk x 0.674" ID, -115, Cl 6, 90 Duro

- 11/16 inch, ID

1шт.

23

K600154

BOLT

- 1/4 UNC x 1-3/4 inch

1шт.

24

K626341

SPRING WASHER

WASHER - lock, 1/4 inch

1шт.

Выбрано товаров: 0