Запчасти Case IH 1290 (18) - CAB, WINDSHIELD WIPER (09) - CHASSIS

Схема запчастей Case IH 1290 - (18) - CAB, WINDSHIELD WIPER (09) - CHASSIS
17
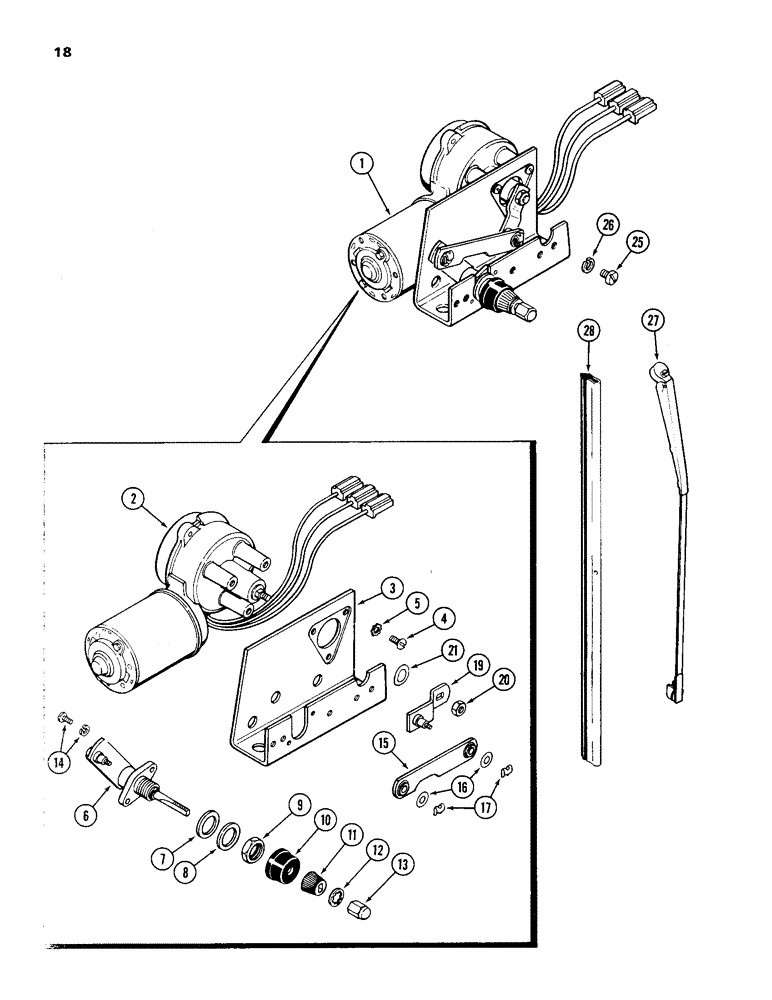
12
28
4
7
11
6
1
25
5
15
16
19
21
8
2
26
10
3
13
14
27
9
20
FIT
1:1
100%

Артикул

Название

Примечание

Количество

1

F96764

WIPER

ASSEMBLY windshield, Includes Ref. 2 - 28

1шт.

2

NSS

NOT SOLD SEPARAT

MOTOR wiper, Order F96764

1шт.

3

NSS

NOT SOLD SEPARAT

BRACKET, Order F96764

1шт.

4

174-214

SCREW,Sl Rnd Hd, 1/4" - 28 x 5/8"

1/4 x 5/8 NF, round head

3шт.

5

193-57

LOCK WASHER,Ext Tooth, 1/4"

WASHER, LOCK, Ext Tooth, 1/4"

3шт.

D71415

SHAFT

ASSEMBLY wiper arm, Includes Ref. 6 - 13

1шт.

6

NSS

NOT SOLD SEPARAT

SHAFT, with pivot, Order D71415

1шт.

7

D71417

SPECIAL WASHER

WASHER fiber

1шт.

8

D71418

WASHER

steel

1шт.

9

D71419

NUT

shaft

1шт.

10

D71420

CAP

BOOT rubber

1шт.

11

D71421

TOOL

DRIVER knurled, wiper arm

1шт.

12

193-87

LOCK WASHER,Ext-Int Tooth, 1/2"

WASHER, 5/61" internal, shakeproof

1шт.

13

D71422

NUT

arm fastener

1шт.

14

D71416

SCREW

shaft assembly, no. 10-32 x 5/16", round head, Includes washer

2шт.

15

D71427

LINK,85.85mm L

motor to shaft pivot

1шт.

16

A22431

WASHER

link clip

2шт.

17

D71414

CLIP

link to drive arm and shaft

2шт.

19

F64210

LEVER

ARM drive

1шт.

20

F44452

LOCK NUT

lock, arm to motor shaft

1шт.

21

D71411

WASHER

spring

1шт.

25

182-548

SCREW,Slotted Pan Hd, 1/4"-28 x 3/8"

mounting, 1/4 x 3/8" NF, pan head slotted

2шт.

26

192-19

LOCK WASHER,Helical Spring, 0.256" ID, CST, ZND

WASHER, LOCK, 1/4"

2шт.

27

F43789

ARM

wiper blade, 18" (457.2 mm)

1шт.

28

L35261

BLADE

wiper, 20" (508.0 mm)

1шт.

Выбрано товаров: 25