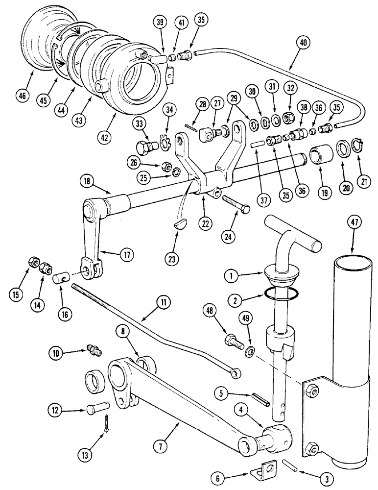
Запчасти Case IH 1294 (6-180) - PTO CLUTCH RELEASE MECHANISM - BORG AND BECK CLUTCH, TRACTORS WITHOUT CAB (06) - POWER TRAIN

Схема запчастей Case IH 1294 - (6-180) - PTO CLUTCH RELEASE MECHANISM - BORG AND BECK CLUTCH, TRACTORS WITHOUT CAB (06) - POWER TRAIN
12
38
21
13
5
49
36
14
11
2
17
37
10
19
6
33
23
34
31
42
36
16
40
25
35
24
28
46
8
44
47
1
35
7
15
27
29
30
48
3
43
32
20
45
41
22
35
4
18
39
26
FIT
1:1
100%

Артикул

Название

Примечание

Количество

1

K206327

LEVER

ASSEMBLY - hand

1шт.

2

K628851

O-RING,0.118" Thk x 1.475" ID, -920, Cl 6, 90 Duro

- cap, 1-1/2 (38 mm) inch ID

1шт.

3

K623887

PIN,5.21mm OD x 25.4mm L

- roll, 3/16 x 1 inch

1шт.

4

K946628

PIVOT

- hand lever

1шт.

5

K690947

PIN

- spring, 5/16 x 1-1/4 inch

2шт.

6

K201959

SUPPORT

BRACKET - bracket

1шт.

7

K201293

LEVER

ASSEMBLY, Includes: Ref. 8

1шт.

8

K947343

BUSHING

- pedal

2шт.

10

219-8

LUBE NIPPLE,1/4" - 28 NPTF

NIPPLE, LUBE, , straight, taper 1/4"-28 NPT x .54" lg

1шт.

11

K201300

CLUTCH

ROD - PTO clutch

1шт.

12

NSS

NOT SOLD SEPARAT

PIN - clevis, (Order K950269 and K621562)

1шт.

13

K19531

PIN

PLUG - drain 1/4 inch, BSP alternative

1шт.

14

K607525

NUT

- adjusting, 3/8 inch UNC

2шт.

15

280136

NUT,3/8"-16, G8

2шт.

16

K14744

PIN

- cam lever

2шт.

17

K201247

SHAFT

LEVER - cross

1шт.

18

K627170

BUSHING

SPACER - cross shaft

1шт.

19

K628753

BUSHING

- main frame

2шт.

20

K626749

WASHER

- Belleville, 1 inch (Prior to P.I.N. 11501086)

1шт.

21

K11128

CIRCLIP

RING - snap, 1 inch (25 mm) OD

1шт.

22

K915832

CLUTCH FORK

FORK - PTO clutch

1шт.

23

126-22

WOODRUFF KEY,#13, 3/16" x 1"

(No. 608) #13, 3/16" x 1"

2шт.

24

K600406

BOLT

- special, 3/8 UNC x 1-3/4 inch

1шт.

25

492-11038

LOCK WASHER,3/8"

1шт.

26

280136

NUT,3/8"-16, G8

1шт.

27

K925323

TRUNNION,14.27mm OD x 57.15mm L

PIN - trunnion, right-hand

1шт.

28

K26230

PIN, SPLIT (COTTER)

PIN - cotter, 3/16 x 1-3/8 inch

1шт.

29

K262720

WASHER,15mm ID x 25mm OD x 2mm Thk

WASHER - friction

2шт.

30

K925338

BEARING WASHER

WASHER - 3/8 inch (10 mm) special

1шт.

31

K626723

BELLEVILLE WASHER

WASHER - Belleville

6шт.

32

232-1416

LOCK NUT,3/8"-16, GC

NUT, LOCK, 3/8"-16, GC

1шт.

33

K915833

PIN

- trunnion, left-hand

1шт.

34

K626399

WASHER

- tab, trunnion pin

1шт.

35

K617956

NUT

- tubing, 3/8 inch UNF

3шт.

36

222-651

SLEEVE,3/16" Tube, Comp

Tapered 3/16" Tube, Comp

1шт.

37

K950502

TUBE,0.187" DIA x 2.25" L

- main frame, 3/16 x 20-1/4 inch

1шт.

38

K626045

FITTING

CONNECTOR - 3/8 inch UNF

1шт.

39

K19587

FITTING

ELBOW - 90 degree

1шт.

40

K950502

TUBE,0.187" DIA x 2.25" L

- main frame, 3/16 x 20-1/4 inch

1шт.

41

K622407

FERRULE

SLEEVE - tube, 3/16 inch ID

2шт.

42

K915837

BEARING HOUSING

HOUSING - thrust bearing

1шт.

43

K19177

BALL BEARING,76.2mm ID x 114.3mm OD x 19.05mm W

BEARING - thrust, PTO clutch

1шт.

44

K84745

SEAL,88.01mm ID x 114.17mm OD x 0.56mm Thk

SHIELD - dirt

1шт.

45

K621431

RING, SNAP

RING - snap, 4-1/2 inch (115 mm) internal

1шт.

46

K84740

THRUST PLATE

1шт.

47

K308491

TUBE

- hand lever

1шт.

48

K650628

BOLT

- M6 x 20 mm

2шт.

49

892-11006

LOCK WASHER,M6

WASHER, LOCK, M6

2шт.

Выбрано товаров: 48