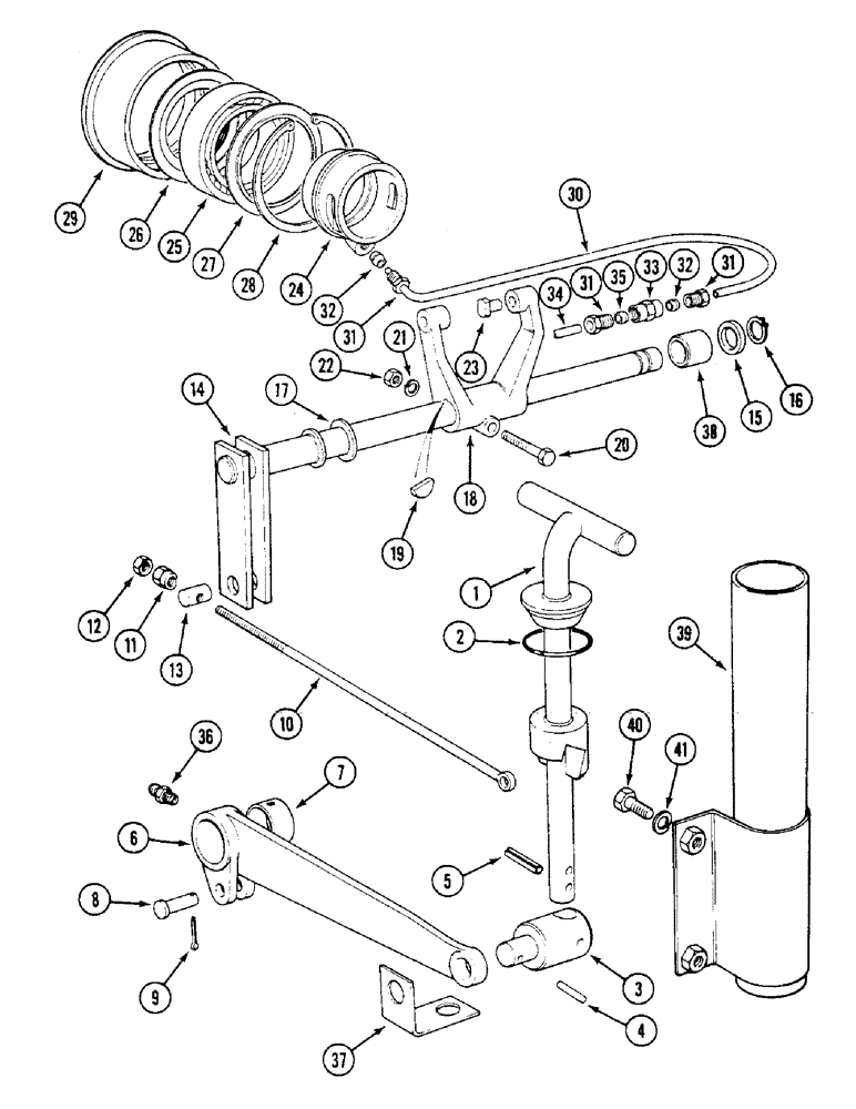
Запчасти Case IH 1294 (6-182) - PTO CLUTCH RELEASE MECHANISM - LAYCOCK CLUTCH, TRACTORS WITHOUT CAB (06) - POWER TRAIN

Схема запчастей Case IH 1294 - (6-182) - PTO CLUTCH RELEASE MECHANISM - LAYCOCK CLUTCH, TRACTORS WITHOUT CAB (06) - POWER TRAIN
9
32
1
12
14
28
13
25
34
33
31
4
5
15
16
10
7
24
27
31
8
19
41
36
21
31
17
22
11
38
3
2
29
20
18
6
37
40
30
32
13
35
26
39
FIT
1:1
100%

Артикул

Название

Примечание

Количество

1

K206327

LEVER

ASSEMBLY - hand

1шт.

2

K628851

O-RING,0.118" Thk x 1.475" ID, -920, Cl 6, 90 Duro

- cap, 1-1/2 (38 mm) Inch ID

1шт.

3

K946628

PIVOT

- hand lever

1шт.

4

K690947

PIN

- spring, 5/16 x 1-1/4 inch

1шт.

5

K623887

PIN,5.21mm OD x 25.4mm L

- roll, 3/16 x 1 inch

1шт.

6

K201293

LEVER

ASSEMBLY, Includes Ref. 7

1шт.

7

K947343

BUSHING

- pedal

1шт.

8

NSS

NOT SOLD SEPARAT

PIN - clevis, (Order K950269 and K621562)

1шт.

9

K19531

PIN

PLUG - drain 1/4 inch

1шт.

10

K201300

CLUTCH

ROD - PTO clutch

1шт.

11

K607525

NUT

- adjusting, 3/8 inch UNC

2шт.

12

280136

NUT,3/8"-16, G8

2шт.

13

K14744

PIN

- cam lever

1шт.

14

K210052

LEVER

CROSS SHAFT AND ARM -

1шт.

15

K626749

WASHER

- Belleville, 1 inch (Prior to P.I.N. 11501086)

1шт.

16

K11128

CIRCLIP

RING - snap, 1 inch (25 mm) OD

1шт.

17

K627170

BUSHING

SPACER - cross shaft

1шт.

17

K627472

WASHER

- 1 inch (P.I.N. 11490001 and after)

1шт.

18

K928940

FORK

- PTO clutch

1шт.

19

126-22

WOODRUFF KEY,#13, 3/16" x 1"

(No. 608) #13, 3/16" x 1"

2шт.

20

K600406

BOLT

- special, 3/8 UNC x 1-3/4 inch

1шт.

21

492-11038

LOCK WASHER,3/8"

1шт.

22

280136

NUT,3/8"-16, G8

1шт.

23

K84748

TRUNNION

PIN - trunnion, clutch fork

2шт.

24

K928939

CARRIER

- release bearing

1шт.

25

K19177

BALL BEARING,76.2mm ID x 114.3mm OD x 19.05mm W

BEARING - thrust, PTO clutch

1шт.

26

K928741

RETAINER,76.33mm ID x 111.13mm OD x 0.79mm Thk

SHIELD - front

1шт.

27

K928742

RETAINER

SHIELD - rear

1шт.

28

K12777

RING, SNAP

RING - retaining, 4-1/2 inch (115 mm) internal

1шт.

29

K928938

SLEEVE,104.78mm ID x 139.7mm OD x 55.56mm L

- thrust

1шт.

30

K926410

TUBE,0.122" ID x 0.187" OD

- plastic

1шт.

31

K617956

NUT

- tubing, 3/8 inch UNF

3шт.

32

K622407

FERRULE

SLEEVE - tube, 3/16 inch ID

2шт.

33

K626045

FITTING

CONNECTOR - 3/8 inch UNF

1шт.

34

K926411

TUBE,0.187" OD x 2.625" L

- main frame

1шт.

35

222-651

SLEEVE,3/16" Tube, Comp

Tapered 3/16" Tube, Comp

1шт.

36

219-8

LUBE NIPPLE,1/4" - 28 NPTF

NIPPLE, LUBE, , straight, taper 1/4"-28 NPT x .54" lg

1шт.

37

K201959

SUPPORT

BRACKET - bracket

1шт.

38

K628753

BUSHING

- main frame

4шт.

39

K308491

TUBE

- hand lever

1шт.

40

K650628

BOLT

- M6 x 20 mm

2шт.

41

892-11006

LOCK WASHER,M6

WASHER, LOCK, M6

2шт.

Выбрано товаров: 42