Запчасти Case IH 1294 (7-200) - BRAKE SHOES AND DRUMS, TRACTORS WITHOUT CAB (07) - BRAKES

Схема запчастей Case IH 1294 - (7-200) - BRAKE SHOES AND DRUMS, TRACTORS WITHOUT CAB (07) - BRAKES
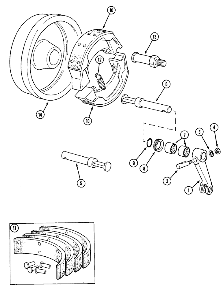
12
13
6
9
4
11
5
1
10
3
8
10
2
14
7
FIT
1:1
100%

Артикул

Название

Примечание

Количество

1

K928589

LEVER

- cam

2шт.

2

K609425

LARGE PIN

PIN - locking, 3/8 inch UNC (Prior to P.I.N. 11490001)

2шт.

3

492-11038

LOCK WASHER,3/8"

2шт.

4

280136

NUT,3/8"-16, G8

2шт.

5

K956734

BRAKE

CAMSHAFT - brake, left-hand

1шт.

6

K956735

BRAKE

CAMSHAFT - brake, right-hand

1шт.

7

K30835

BUSHING

- axle housing

4шт.

8

K85417

SEAL

- dirt

2шт.

9

K654760

O-RING,22.5MM ID x 3MM Width

- 1 inch (25 mm) ID

2шт.

10

K921494

BRAKE SHOE

SHOE ASSEMBLY - brake, Includes: Ref. 11

4шт.

11

K262704

KIT

LINING - brake (4) and rivets

1шт.

12

K63462

SPRING

- brake shoes

4шт.

13

K956736

PIN

- fulcrum

2шт.

14

K945094

GEAR

- crankshaft, 34 teeth

2шт.

Выбрано товаров: 14