Запчасти Case IH 1294 (7-206) - SLAVE CYLINDERS AND BRAKE SHOES, TRACTORS WITH CAB (07) - BRAKES

Схема запчастей Case IH 1294 - (7-206) - SLAVE CYLINDERS AND BRAKE SHOES, TRACTORS WITH CAB (07) - BRAKES
9
25
35
12
29
4
17
20
15
5
7
34
18
22
28
21
16
11
23
11
27
2
24
23
12
36
3
37
6
26
30
8
31
39
33
24
14
22
10
19
32
1
1
25
38
13
3
13
FIT
1:1
100%

Артикул

Название

Примечание

Количество

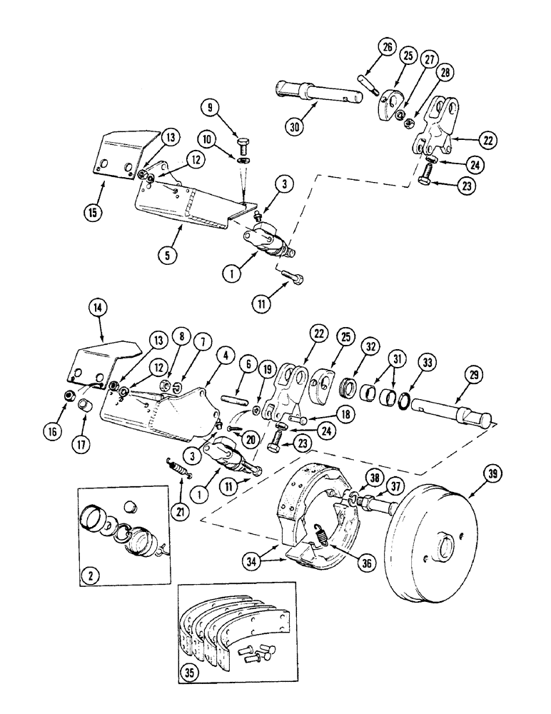
1

K203416

BRAKE

CYLINDER - slave, Includes: Ref. 2 & 3

2шт.

2

K965723

SEAL KIT

SEAL KIT - mineral oil seals

1шт.

3

K964534

SCREW,M12 x 1

- air removal

1шт.

4

K300228

BRACKET

- left-hand cylinder

1шт.

5

K300233

MOUNTING PARTS

BRACKET - right-hand cylinder

1шт.

6

K608413

STUD

- 1/2 UNC x 2-1/2 inch (Tractor with cab)

4шт.

7

K19481

SPRING WASHER

WASHER - lock, 5/16 inch

4шт.

8

425-108

NUT,1/2" - 13, Gr 5

NUT, , Hex 1/2"-13, G5

4шт.

9

K602906

SCREW

BOL T - 3/8 UNC x 1-1/4 inch

2шт.

10

492-11038

LOCK WASHER,3/8"

2шт.

11

K602853

SCREW

BOLT - 5/16 UNC x 2-1/4 inch

4шт.

12

K19481

SPRING WASHER

WASHER - lock, 5/16 inch

4шт.

13

425-105

NUT,5/16"-18, G5

- hex, 5/16 inch NC

4шт.

14

K308502

GUARD

SHIELD - left-hand brake cylinder

1шт.

15

K308503

GUARD

SHIELD - right-hand brake cylinder

1шт.

16

425-105

NUT,5/16"-18, G5

- hex, 5/16 inch NC

4шт.

17

K304489

BUSHING

SPACER - shield

4шт.

18

K625955

PIN

- clevis, 5/16 x 1-13/16 inch

2шт.

19

K626682

WASHER

- lever pin, 5/16 inch (8 mm)

2шт.

20

K11934

PIN

- split, 1/16 x 1/2 inch

2шт.

21

K624946

SPRING

- cam lever return

2шт.

22

K948977

LEVER

- cam

2шт.

23

K951528

SCREW

BOLT - adjusting, 5/8 inch UNC

2шт.

24

425-1010

NUT,5/8"-11, G5

2шт.

25

K948979

ADJUSTER

CAM - adjuster

2шт.

26

K609425

LARGE PIN

PIN - locking, 3/8 inch UNC (Prior to P.I.N. 11490001)

2шт.

27

492-11038

LOCK WASHER,3/8"

2шт.

28

280136

NUT,3/8"-16, G8

2шт.

29

K201329

BRAKE

CAMSHAFT - brake, left-hand

1шт.

30

K201330

BRAKE

CAMSHAFT - brake, right-hand

1шт.

31

K30835

BUSHING

- axle housing

4шт.

32

K85417

SEAL

- dirt

2шт.

33

K654760

O-RING,22.5MM ID x 3MM Width

- 1 inch (25 mm) ID

2шт.

34

K921494

BRAKE SHOE

SHOE ASSEMBLY - brake, Includes: Ref. 35

4шт.

35

K262704

KIT

LINING KIT - brake (4) with rivets

1шт.

36

K63462

SPRING

- brake shoes

4шт.

37

K956736

PIN

- fulcrum

2шт.

38

492-11062

BEARING WASHER,5/8"

WASHER, LOCK, 5/8"

2шт.

39

K917989

BRAKE

DRUM - brake

2шт.

Выбрано товаров: 39