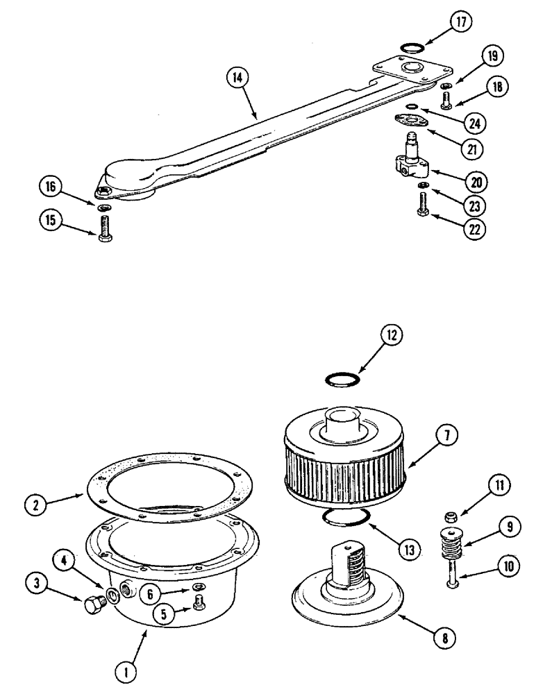
Запчасти Case IH 1294 (8-212) - HYDRAULIC INLET FILTER (08) - HYDRAULICS

Схема запчастей Case IH 1294 - (8-212) - HYDRAULIC INLET FILTER (08) - HYDRAULICS
20
1
12
7
23
16
17
10
21
13
18
6
19
3
14
5
15
11
9
22
2
4
8
24
FIT
1:1
100%

Артикул

Название

Примечание

Количество

1

K920520

COVER

- sump, rear

1шт.

2

K262734

GASKET

COVER

1шт.

3

K19581

PLUG

- drain, 1/4 inch BSP

1шт.

4

K626765

GASKET

WASHER - sealing

1шт.

5

413-510

BOLT,Hex, 5/16" - 18 x 5/8", Gr 5

- hex, 5/16 NC x 5/8 inch

8шт.

6

K19481

SPRING WASHER

WASHER - lock, 5/16 inch

8шт.

7

K920522

FILTER, ELEMENT

ELEMENT - filter

1шт.

8

K920521

VALVE

AND SCREEN ASSEMBLY - filter, Includes: Ref. 9 - 11

1шт.

9

K904390

PLUG

MAGNET - valve

1шт.

10

K624300

SCREW

- 2BA x 1-1/2 inch

1шт.

11

K623002

LOCK NUT

- Nyloc, 2BA

1шт.

12

238-5220

O-RING,0.139" Thk x 1.359" ID, -220, Cl 5, 75 Duro

1шт.

13

238-5227

O-RING,0.139" Thk x 2.109" ID, -227, Cl 5, 75 Duro

1шт.

14

K920860

PIPE

TUBE - suction, oil

1шт.

15

K602850

SCREW,Set, 5/16" - 18 x 1 1/8", Gr S

BOLT - 5/16 UNC x 1-1/8 inch

1шт.

16

K626620

SPRING WASHER

- lock, 5/16 inch

1шт.

17

K15596

RING,3.63mm Thk x 31.34mm ID

O-RING - 1-1/4 inch (31 mm) ID

1шт.

18

K12131

BOLT

- 1/4 BSF x 9/16 inch

4шт.

19

492-11025

LOCK WASHER,1/4"

WASHER, LOCK, 1/4"

4шт.

20

K921214

ADAPTER

- warning lamp switch, Includes: switch

1шт.

K921317

SENDER UNIT

SWITCH - vacuum, hydraulic filter warning lamp (Not shown)

1шт.

21

K921220

GASKET

- adapter

1шт.

22

413-416

BOLT,Hex, 1/4" - 20 x 1", Gr 5

- hex, 1/4 NC x 1 inch

2шт.

23

492-11025

LOCK WASHER,1/4"

WASHER, LOCK, 1/4"

2шт.

24

K625400

O-RING,0.07" Thk x 0.239" ID

- 1/4 inch (6 mm) ID

1шт.

Выбрано товаров: 25