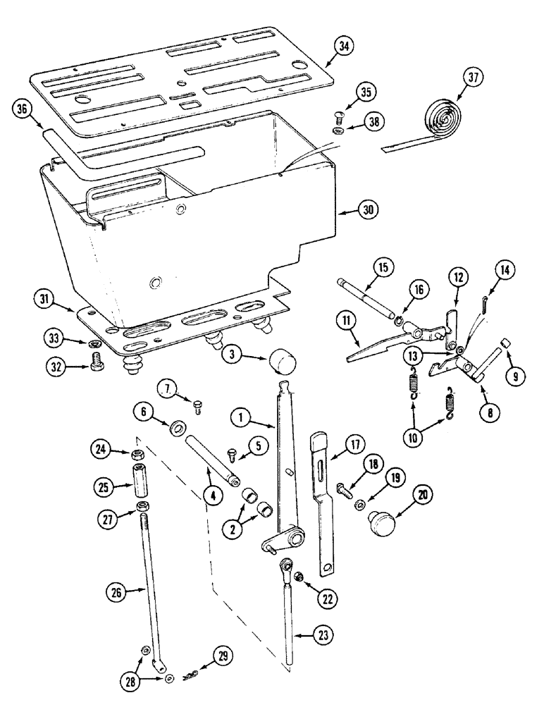
Запчасти Case IH 1294 (8-232) - CONTROL LEVER AND CONSOLE, TRACTORS WITH CAB (08) - HYDRAULICS

Схема запчастей Case IH 1294 - (8-232) - CONTROL LEVER AND CONSOLE, TRACTORS WITH CAB (08) - HYDRAULICS
37
6
3
7
30
19
33
27
1
24
31
12
8
14
4
9
38
20
18
26
22
36
11
2
13
10
5
17
16
35
34
29
25
15
28
23
32
FIT
1:1
100%

Артикул

Название

Примечание

Количество

1

K306116

LEVER

ASSEMBLY - control, hydraulic system, Includes: Ref. 2

1шт.

2

K655430

BUSHING

- lever

2шт.

3

K306268

KNOB

- control lever

1шт.

4

K306161

SHAFT

- lever

1шт.

5

K650803

BOLT,M6 - 1 x 12mm, Grade 8.8

SCREW - locating

1шт.

6

K655810

BUSHING

SPACER - shaft

1шт.

7

614-6012

BOLT,Hex, M6 x 1 x 12mm, Cl 8.8, Full Thd

1шт.

8

K306151

LATCH

LOCK - constant pumping

1шт.

9

K306699

KNOB

- lock

1шт.

10

K624938

SPRING

- return

2шт.

11

K306146

LATCH

LOCK - maximum lift

1шт.

12

K306324

LEVER

LOCK - lever

1шт.

13

K626662

WASHER

- 1/4 inch

1шт.

14

432-48

COTTER PIN,1/16" x 1/2"

PIN, SPLIT (COTTER), 1/16" x 1/2"

1шт.

15

K306144

SHAFT

- cross

1шт.

16

K621587

RING, SNAP

RING - retaining, 3/8 inch (10 mm) external

1шт.

17

K306143

GUIDE

- lever

1шт.

18

K909577

STUD

- 5/16 inch UNF

1шт.

19

K626682

WASHER

- lever pin, 5/16 inch (8 mm)

1шт.

20

K921826

SERRATED NUT

- hand, 5/16 UNF

1шт.

22

425-114

NUT,1/4"-28, G5

1шт.

23

K306746

ROD

- upper

1шт.

24

K616982

NUT

- 3/8 inch UNF

1шт.

25

K950846

NUT

SLEEVE - adjusting, 3/8 inch UNF

1шт.

26

K307202

ROD

- lower

1шт.

27

129-289

JAM NUT,Jam, 3/8"-24, G5, LH

1шт.

28

K626662

WASHER

- 1/4 inch

2шт.

29

K950865

CLIP

- retaining

1шт.

30

K307874

PANEL

CONSOLE - hydraulic control

1шт.

31

K306501

BOOT

COVER - lever

1шт.

32

614-8014

BOLT,Hex, M8 x 1.25 x 14mm, Cl 8.8, Full Thd

- hex, full threads, 8 - 1.25 x 14 mm

4шт.

33

892-11008

LOCK WASHER,8mm ID

WASHER, LOCK, M8

4шт.

34

K306674

COVER

- console, top

1шт.

35

K656180

SCREW

- no. 12 x 1/2 inch, 12 x 1/2 inch

4шт.

36

K628232

GUARD

STRIP - edging, 240 mm

1шт.

37

K307130

STRIP

- damping, 9 x 1.5 x 285 mm

1шт.

38

K626659

WASHER

- nylon

4шт.

Выбрано товаров: 37