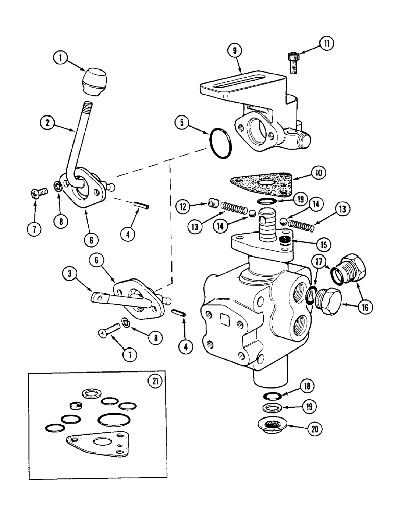
Запчасти Case IH 1294 (8-238) - THREE-WAY VALVE ASSEMBLY, NOT NORTH AMERICA (08) - HYDRAULICS

Схема запчастей Case IH 1294 - (8-238) - THREE-WAY VALVE ASSEMBLY, NOT NORTH AMERICA (08) - HYDRAULICS
13
10
9
11
20
2
14
8
6
4
7
14
21
19
8
6
19
13
7
17
12
1
15
18
3
16
5
4
FIT
1:1
100%

Артикул

Название

Примечание

Количество

1

K950493

KNOB

- selector lever, (Without cab)

1шт.

2

K919612

LEVER

- hand, (Without cab)

1шт.

3

K205934

LEVER

- (With cab)

1шт.

4

K962995

LEVER

PIN -, Serial Range: lever-cover

1шт.

5

238-5214

O-RING,0.139" Thk x 0.984" ID, -214, Cl 5, 75 Duro

1шт.

6

K919613

SHIM

PLATE - lever retaining

1шт.

7

K614924

SCREW

- No. 10 UNF x 1/2 inch

2шт.

8

K19488

SPRING WASHER

- lock, 3/16 inch

2шт.

9

K919611

COVER

1шт.

10

K944527

GASKET,0.15mm Thk

1шт.

11

461-32510

HEX SOC SCREW,1/4"-20 x 5/8"

BOLT - hex socket head, 1/4 NC x 5/8 inch

3шт.

12

K606020

SCREW

- 5/16 UNC x 1/4 inch

1шт.

13

K625208

SPRING

- detent

2шт.

14

211-1008

BALL,1/4" Dia

- chrome alloy steel, 1/4 inch, grade 24

2шт.

15

K915393

FOAM

PAD - breather

1шт.

16

K920826

O-RING

PLUG - 3/4 inch UNF

2шт.

17

237-6008

O-RING,0.087" Thk x 0.644" ID, -908, Cl 6, 90 Duro

8-1, 90 Duro, .644" ID x .087" Thk

2шт.

K262225

VALVE

- three-way, Includes: Ref. 18 - 20

1шт.

18

K625408

O-RING

- 7/16 inch (11 mm) ID

2шт.

19

K628059

RING,Split, 11.11mm ID x 15.88mm OD x 1.47mm Thk

- back-up, 5/8 inch (16 mm) ID

1шт.

20

K919826

BREATHER

1шт.

21

K965998

SEAL

KIT - seals

1шт.

Выбрано товаров: 22