Запчасти Case IH 1294 (8-246) - FIRST REMOTE VALVE, TRACTORS WITH CAB (08) - HYDRAULICS

Схема запчастей Case IH 1294 - (8-246) - FIRST REMOTE VALVE, TRACTORS WITH CAB (08) - HYDRAULICS
14
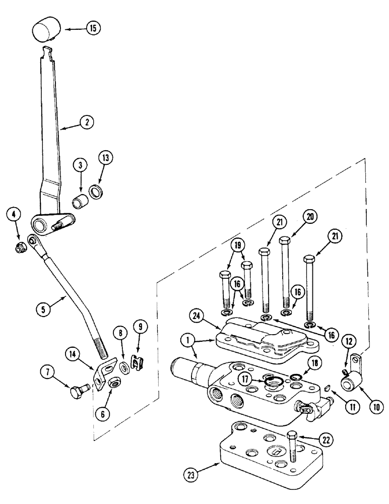
22
21
16
1
21
9
8
17
4
5
16
13
11
15
16
6
3
7
23
19
12
20
2
18
24
10
FIT
1:1
100%

Артикул

Название

Примечание

Количество

1

REF

INSTRUCTION

VALVE ASSEMBLY - detented, See Figure 8-254

1шт.

1

REF

INSTRUCTION

VALVE ATTACHMENT - spring centered, See Figure 8-254

1шт.

K204014

VALVE

ASSEMBLY - detented with float, See Figure 8-254

1шт.

UK6630

KIT

FITTINGS, CONTROLS AND COUPLING - single valve, Includes: Ref. 2 - 22

1шт.

2

K306122

LEVER

ASSEMBLY - first valve, Includes: Ref. 3

1шт.

3

K655430

BUSHING

- lever, control lever

2шт.

4

425-114

NUT,1/4"-28, G5

1шт.

5

K307187

ROD

- first valve

1шт.

6

280136

NUT,3/8"-16, G8

2шт.

7

K306319

PIN

-, Serial Range: rod-lever

1шт.

8

895-11006

WASHER,6.6mm ID x 12mm OD x 1.6mm Thk

2шт.

9

K625039

CLIP

- retaining

1шт.

10

K306327

LEVER

- first valve

1шт.

11

126-9

WOODRUFF KEY,#3, 1/8" x 1/2"

(No. 404) #3, 1/8" x 1/2"

1шт.

12

28-56

BOLT,Hex, 5/16" - 24 x 3/8", Gr 8

- 5/16 UNF x 3/8 inch

1шт.

13

K655810

BUSHING

SPACER - shaft, lever

1шт.

14

K307170

BRACKET

END - rod, first valve

1шт.

15

K306268

KNOB

- control lever, lever, Includes: Ref. 16 - 22

1шт.

16

492-11038

LOCK WASHER,3/8"

6шт.

17

K623588

O-RING,2.69mm Thk x 29.97mm ID, 75 Duro

- 1-3/16 inch (30 mm)

1шт.

18

238-6115

O-RING,0.103" Thk x 0.674" ID, -115, Cl 6, 90 Duro

5шт.

19

413-644

BOLT,Hex, 3/8" - 16 x 2-3/4", Gr 5

2шт.

20

413-672

BOLT,Hex, 3/8" - 16 x 4-1/2", Gr 5

- hex, 3/8 NC x 4-1/2 inch

1шт.

21

K600511

BOLT

- 3/8 UNC x 4-1/4 inch

2шт.

22

K600510

BOLT

- 3/8 UNC x 2 inch

1шт.

23

K203509

BASE

PLATE - base

1шт.

24

K919242

COVER

PLATE - cover

1шт.

REF

INSTRUCTION

TUBES AND COUPLINGS, See Figure 8-252

1шт.

Выбрано товаров: 28