Запчасти Case IH 1294 (8-256) - RAMSHAFT BRACKET (08) - HYDRAULICS

Схема запчастей Case IH 1294 - (8-256) - RAMSHAFT BRACKET (08) - HYDRAULICS
7
15
26
11
10
21
19
23
6
22
1
24
16
2
3
13
17
17
25
5
8
5
18
20
9
4
12
FIT
1:1
100%

Артикул

Название

Примечание

Количество

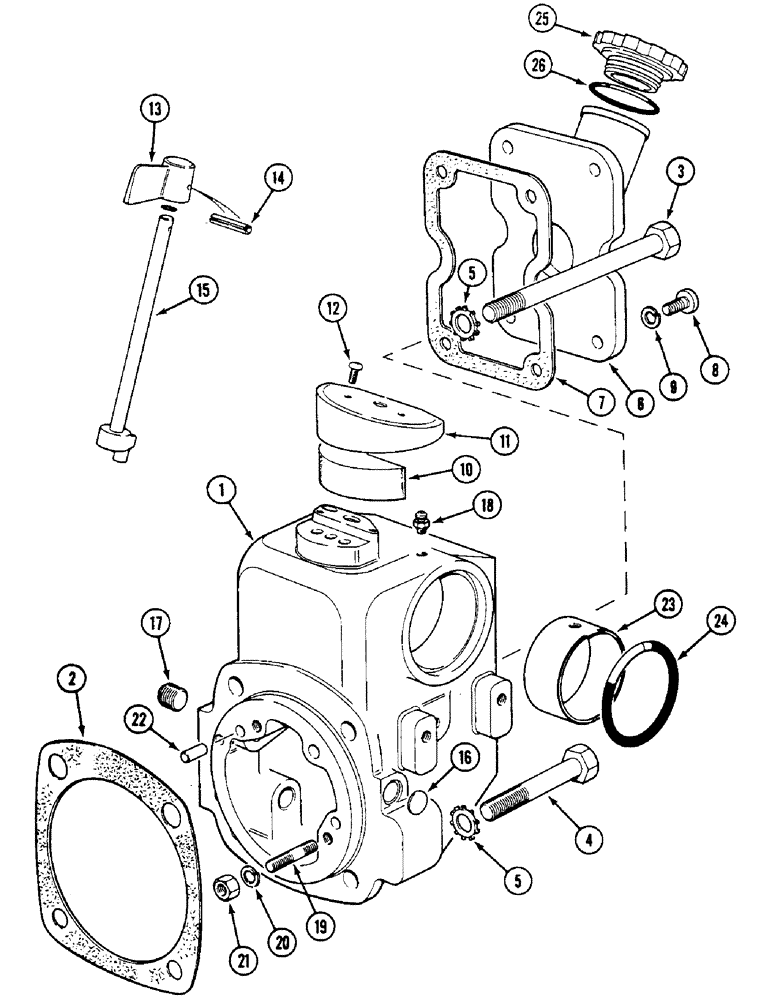
1

K952503

BRACKET

- ramshaft

1шт.

2

K926386

GASKET

- bracket mounting

1шт.

3

K600826

BOLT

- 1/2 UNC x 6 inch

2шт.

4

K600815

BOLT

- 1/2 UNC x 3-1/4 inch

2шт.

5

K11518

WASHER

- lock, 1/2 inch, Shakeproof

4шт.

6

K205945

PIPE

COVER - bracket

1шт.

7

K909558

GASKET,1.59mm Thk

- cover

1шт.

8

413-514

BOLT,Hex, 5/16" - 18 x 7/8", Gr 5

4шт.

9

K19481

SPRING WASHER

WASHER - lock, 5/16 inch

4шт.

10

K923237

SKID/SHOE

PAD - breather

1шт.

11

K909542

WASHER

PANEL - selector

1шт.

12

K614943

SCREW

- No. 10 UNF

2шт.

13

K947405

KNOB

POINTER - selector, selector (Without cab)

1шт.

14

K623936

PIN, ROLL

PIN - roll, 1/8 x 3/4 inch

1шт.

15

K919362

CONTROL LEVER

ROD - selector

1шт.

16

172529

PLUG

- core, 5/8 inch (16 mm)

2шт.

17

K616423

SCREW

PLUG - 9/16 inch UNF

1шт.

17

K923284

PLUG

- 9/16 inch UNF (Not North America)

1шт.

18

219-8

LUBE NIPPLE,1/4" - 28 NPTF

NIPPLE, LUBE, , straight, taper 1/4"-28 NPT x .54" lg

1шт.

19

K608143

STUD

- 5/16 UNC x 1-1/2 inch

2шт.

20

K19481

SPRING WASHER

WASHER - lock, 5/16 inch

2шт.

21

9635082

NUT,5/16" - 18, Gr 5

- 5/16 inch UNC

2шт.

22

K24853

PIN

DOWEL - locating, 1/4 x 11/16 inch

2шт.

23

K913758

BUSHING,57.19mm ID x 61.38mm OD x 28.83mm L

- shaft

1шт.

24

238-5331

O-RING,0.21" Thk x 2.225" ID, -331, Cl 5, 75 Duro

- 2-1/4 inch (57 mm) ID

1шт.

25

K948427

CAP

- oil filler

1шт.

26

K623556

O-RING,0.139" Thk x 1.859" ID, -225, Cl 5, 75 Duro

- sealing, 1-7/8 inch (47 mm) ID

1шт.

Выбрано товаров: 27