Запчасти Case IH 1294 (9-270) - SINGLE RATE SENSING UNIT (09) - CHASSIS/ATTACHMENTS

Схема запчастей Case IH 1294 - (9-270) - SINGLE RATE SENSING UNIT (09) - CHASSIS/ATTACHMENTS
15
3
17
9
20
5
4
27
11
26
24
22
23
25
16
14
10
12
13
21
1
2
8
19
6
18
7
FIT
1:1
100%

Артикул

Название

Примечание

Количество

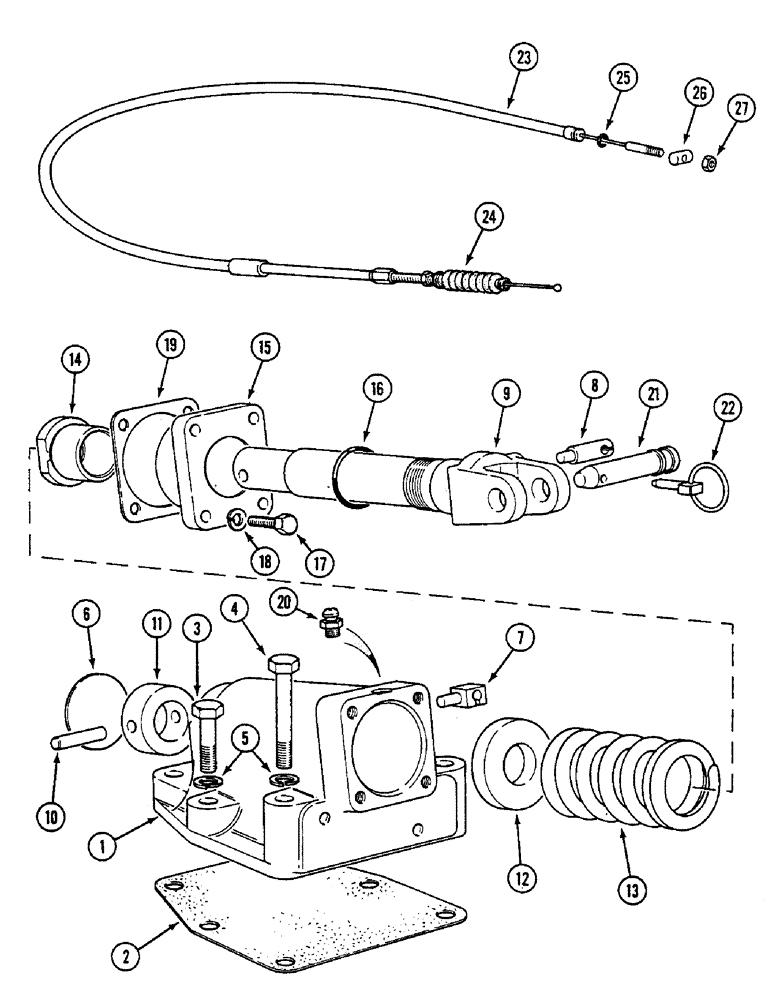
1

K202576

CASE

HOUSING - sensing unit

1шт.

2

K926451

GASKET,0.56mm Thk

- housing

1шт.

3

K600805

BOLT

- 1/2 UNC x 1-7/8 inch

4шт.

4

K600815

BOLT

- 1/2 UNC x 3-1/4 inch

2шт.

5

K19484

LOCK WASHER

WASHER - lock, 1/2 inch

6шт.

6

172599

PLUG,Exp, 2 3/8"

- expansion, Welch, 60 mm OD

1шт.

7

K912371

CABLE

SUPPORT - cable, outer

1шт.

8

K913852

LARGE PIN

SUPPORT - cable, inner

1шт.

9

K919726

SHAFT

- sensing

1шт.

10

37-1636

DOWEL,3/8" x 2 1/4"

RING - retaining,3/8 X 2-1/4 inch

1шт.

11

K915266

COLLAR

- shaft

1шт.

12

K915116

WASHER

- thrust, 0.405 inch (10.29 mm)

1шт.

12

K915115

WASHER

- thrust, 0.395 inch (10.03 mm)

1шт.

12

K915114

WASHER

- thrust, 0.385 inch (9.78 mm)

1шт.

12

K915101

WASHER

- thrust, 0.375 inch (9.53 mm)

1шт.

12

K915113

WASHER

- thrust, 0.365 inch (9.27 mm)

1шт.

12

K915112

WASHER

- thrust, 0.355 inch (9.02 mm)

1шт.

13

K915103

SPRING

- pressure, pressure

1шт.

14

K915259

SLEEVE

- shaft

1шт.

15

K915261

FLANGE

PLATE - end

1шт.

16

K623556

O-RING,0.139" Thk x 1.859" ID, -225, Cl 5, 75 Duro

- sealing, 1-7/8 inch (47 mm) ID

1шт.

17

413-618

BOLT,Hex, 3/8" - 16 x 1-1/8", Gr 5

4шт.

18

492-11038

LOCK WASHER,3/8"

4шт.

19

K915098

SHIM,.030" Thk

(0.76 mm) .030" Thk

1шт.

19

K915097

SHIM,.010" Thk

(0.25 mm) .010" Thk

1шт.

19

K915096

SHIM,.005" Thk

(0.13 mm) .005" Thk

1шт.

20

K690973

FITTING

- grease, 1/4 inch ANF x 45 degree

1шт.

21

K919725

PIN,19.05mm OD x 111.13mm L

- link, sensing unit, top link

1шт.

22

K210316

LINCH PIN

PIN ASSEMBLY - linch (Replaces K66408)

1шт.

23

REF

INSTRUCTION

CABLE ASSEMBLY- inner outer, Includes: Ref. 24

1шт.

24

K906182

RUBBER

SEAL - dirt

1шт.

25

K690702

O-RING,1.59mm Thk x 6.75mm ID, 80 Duro

- 1/4 inch (6 mm) ID

1шт.

26

K915053

FITTING

PIN - cable, 3/8 x 9/16 inch

1шт.

27

225-14210

NUT,#10-32

2шт.

Выбрано товаров: 34