Запчасти Case IH 1294 (9-272) - SELECTIVE SENSING (09) - CHASSIS/ATTACHMENTS

Схема запчастей Case IH 1294 - (9-272) - SELECTIVE SENSING (09) - CHASSIS/ATTACHMENTS
21
17
12
28
23
19
8
25
7
29
10
18
26
9
1
27
22
16
15
6
20
11
13
14
2
24
FIT
1:1
100%

Артикул

Название

Примечание

Количество

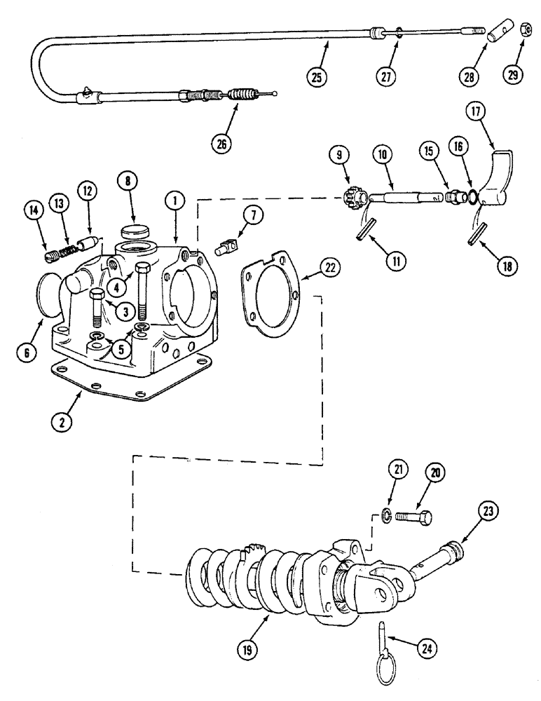
1

K203047

HOUSING

- selective sensing unit

1шт.

2

K926451

GASKET,0.56mm Thk

- housing

1шт.

3

K600805

BOLT

- 1/2 UNC x 1-7/8 inch

4шт.

4

K600815

BOLT

- 1/2 UNC x 3-1/4 inch

2шт.

5

K19484

LOCK WASHER

WASHER - lock, 1/2 inch

6шт.

6

172599

PLUG,Exp, 2 3/8"

- expansion, Welch, 60 mm OD

1шт.

7

K912371

CABLE

SUPPORT - cable, outer

1шт.

8

41-1628

PLUG,Cup, 1 3/4", Stainless

- core, 1-3/4 inch diameter

1шт.

9

K929874

SELECTOR

PINION - spindle

1шт.

10

K940044

SELECTOR

SPINDLE - lever

1шт.

11

K690338

PIN

- roll, 5/32 x 5/8 inch

1шт.

12

K946440

PLUNGER

- detent

1шт.

13

K625285

SPRING

- detent plunger

1шт.

14

K606281

SCREW

- 1/2 inch UNC

1шт.

15

K940045

BUSHING

- threaded

1шт.

16

K623681

WIPER

RING - wiper, 1/2 inch (13 mm) ID

1шт.

17

K940046

SELECTOR

LEVER - selector

1шт.

18

435-1514

GROOVED PIN,5/32" x 7/8", Type A

PIN - roll, 5/32 x 7/8 inch

1шт.

19

K947303

SHAFT

ASSEMBLY - sensing, See Figure 9-274

1шт.

20

K600606

BOLT

- 7/16 UNC x 2 inch

4шт.

21

492-11044

LOCK WASHER,7/16"

WASHER, LOCK, 7/16"

4шт.

22

K940032

SHIM

- 0.005 inch (0.127 mm)

1шт.

22

K940033

SHIM

- 0.010 inch (0.254 mm)

1шт.

22

K940034

SHIM

- 0.030 inch (0.762 mm)

1шт.

23

K919725

PIN,19.05mm OD x 111.13mm L

- link, sensing unit, link

1шт.

24

K210316

LINCH PIN

PIN ASSEMBLY - linch (Replaces K66408)

1шт.

REF

INSTRUCTION

CABLE ASSEMBLY, Includes: Ref. 25 & 26

1шт.

25

K928403

CABLE

- control

1шт.

26

K906182

RUBBER

SEAL - dirt

1шт.

27

K690702

O-RING,1.59mm Thk x 6.75mm ID, 80 Duro

- 1/4 inch (6 mm) ID

1шт.

28

K915053

FITTING

PIN - cable, 3/8 x 9/16 inch

1шт.

29

225-14210

NUT,#10-32

2шт.

Выбрано товаров: 32