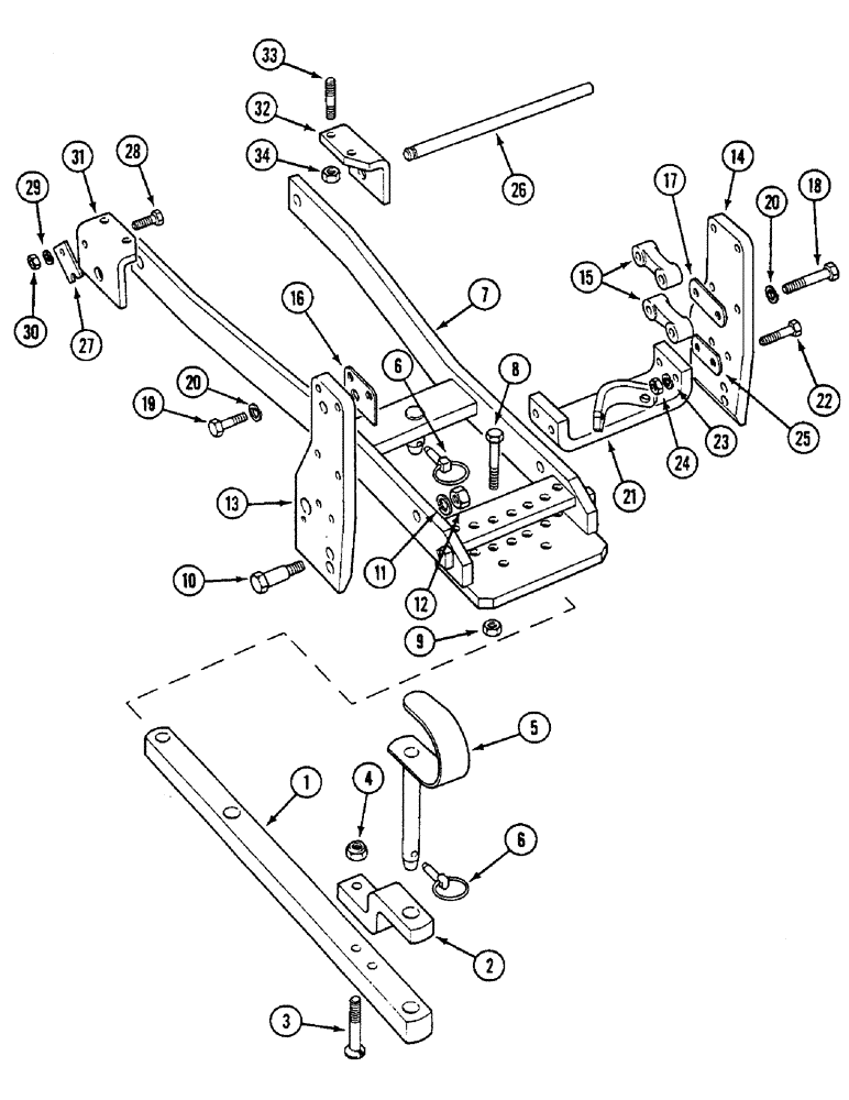
Запчасти Case IH 1294 (9-276) - UNIVERSAL DRAWBAR (09) - CHASSIS/ATTACHMENTS

Схема запчастей Case IH 1294 - (9-276) - UNIVERSAL DRAWBAR (09) - CHASSIS/ATTACHMENTS
3
2
27
13
24
18
23
20
6
1
21
17
7
6
9
30
33
11
12
22
19
28
31
4
15
20
34
16
32
10
5
14
26
8
29
25
FIT
1:1
100%

Артикул

Название

Примечание

Количество

1

K947668

DRAWBAR, SWINGING

DRAWBAR - tractor

1шт.

2

K916516

CLEVIS

BRACKET - clevis

1шт.

3

K601664

BOLT

- 5/8 UNC x 3-1/4 inch, special

2шт.

4

K607463

NUT

- self-locking, 5/8 inch UNC

2шт.

5

K916566

PIN

- hitch

1шт.

6

1328218C1

LINCH PIN,11mm OD

- quick attachable (Replaces K920359)

2шт.

7

K202889

SUPPORT

FRAME - support, drawbar

1шт.

8

413-1068

BOLT,Hex, 5/8" - 11 x 4-1/4", Gr 5

- hex, 5/8 NC x 4-1/4 inch

2шт.

9

K607306

NUT

- self-locking, 5/8 inch UNC

2шт.

10

K908290

STEP BOLT

- 3/4 inch UNC, special

2шт.

11

492-11075

LOCK WASHER,3/4"

3/4"

2шт.

12

425-1012

NUT,3/4"-10, G5

- hex, 3/4 inch NC

2шт.

13

K947171

BRACKET

PLATE - hitch, left-hand

1шт.

14

K947173

BRACKET

PLATE - hitch, right-hand

1шт.

15

K917135

BUSHING

SPACER - hitch

2шт.

16

K916521

BUSHING

SPACER - hitch

1шт.

16

K916522

BUSHING

SPACER - hitch

1шт.

17

K917071

SHIM

- 1/16 inch (2 mm)

1шт.

17

K917072

SHIM

- 1/32 inch (1 mm)

1шт.

18

K601212

BOLT

- 5/8 UNC x 3 inch

4шт.

19

K601204

BOLT

- 5/8 UNC x 2 inch

4шт.

20

492-11062

BEARING WASHER,5/8"

WASHER, LOCK, 5/8"

8шт.

21

K947174

PLATE

- bridge, without pick-up hitch fitting

1шт.

22

K601208

BOLT

- 5/8 UNC x 2-1/2 inch

4шт.

23

492-11062

BEARING WASHER,5/8"

WASHER, LOCK, 5/8"

4шт.

24

K607006

NUT

- hex, 5/8 inch NC

4шт.

25

K947200

SHIM

- 1/16 inch (2 mm)

1шт.

26

K947201

SHIM

- 1/32 inch (1 mm)

1шт.

26

K943026

HINGE

BAR - hinge, front

1шт.

27

K943027

PLATE

- retaining, hinge bar (Without cab)

1шт.

27

K301351

PLATE

- retaining, hinge bar (With cab)

1шт.

28

K600475

BOLT

- 3/8 UNC x 1-1/2 inch

1шт.

29

492-11038

LOCK WASHER,3/8"

1шт.

30

425-106

NUT,3/8"-16, Cl 5

1шт.

31

K929818

BRACKET

- hinge, left-hand (Without cab)

1шт.

32

K929819

BRACKET

- hinge, right-hand (Without cab)

1шт.

33

K608610

STUD

- 5/8 UNC x 2-1/2 inch

4шт.

34

K607306

NUT

- self-locking, 5/8 inch UNC

4шт.

Выбрано товаров: 38