Запчасти Case IH 1294 (2-22) - OIL PUMP, TUBES AND FILTER (02) - ENGINE

Схема запчастей Case IH 1294 - (2-22) - OIL PUMP, TUBES AND FILTER (02) - ENGINE
23
19
7
15
6
16
17
10
22
8
12
25
21
14
18
13
2
5
11
1
9
4
26
3
24
1
20
FIT
1:1
100%

Артикул

Название

Примечание

Количество

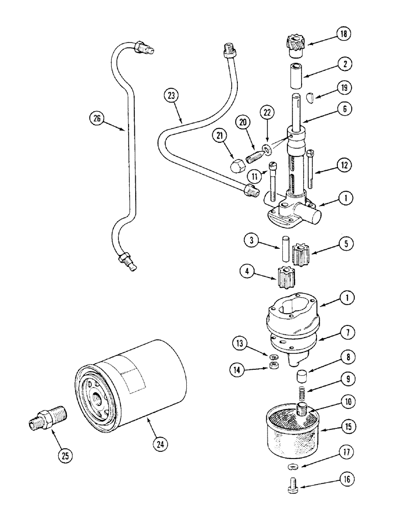
K954067

PUMP, ENGINE OIL

PUMP ASSEMBLY - oil, Includes: Ref. 1 - 19

1шт.

1

K961009

HOUSING

- bracket and gear, Includes: Ref. 2 & 3

1шт.

2

K30016

BUSHING

- bracket

1шт.

3

K902060

SPINDLE

- driven rotor

1шт.

4

K902059

PINION

ROTOR - driven

1шт.

5

K953370

ROTOR

- driving

1шт.

6

K953375

SPINDLE

- driving

1шт.

Ref# 6 is not part of the oil pump. It is separate and used to drive tach drive. CH 5/14/98

1шт.

K953815

VALVE

ASSEMBLY - relief, Includes: Ref. 7 - 10

1шт.

7

K953009

COVER

- flat plunger seat

1шт.

8

K953008

PLUNGER

- flat seat

1шт.

9

K12961

SPRING

- relief valve

1шт.

10

K953010

SCREW,3/8" x 9/16"

- adjusting

1шт.

11

K902061

STEP BOLT

BOLT - 1/4 UNC x 2-1/8 inch

2шт.

12

K600011

BOLT

- 1/4 UNC x 2-1/8 inch

2шт.

13

492-11025

LOCK WASHER,1/4"

WASHER, LOCK, 1/4"

4шт.

14

K607000

NUT

- 1/4 inch UNC

4шт.

15

K12013

FILTER

SCREEN - silter

1шт.

16

413-48

BOLT,Hex, 1/4" - 20 x 1/2", Gr 5

- hex, 1/4 NC x 1/2 inch

1шт.

17

492-11025

LOCK WASHER,1/4"

WASHER, LOCK, 1/4"

1шт.

18

K902051

GEAR

PINION - spirol

1шт.

19

K19604

KEY

- Woodruff No. 405

1шт.

20

K928254

SCREW,7/16" - 14 x 1 5/16"

- locating, 7/16 inch UNC

1шт.

21

K607516

NUT

- capped, 7/16 inch UNC

1шт.

22

K14674

WASHER

- copper, 7/16 inch (11 mm)

1шт.

23

K904180

PIPE

TUBE - oil, pump to cylinder block

1шт.

24

K200037

FILTER

- oil

1шт.

25

K200007

FITTING

CONNECTOR - oil filter

1шт.

26

K902765

PIPE

TUBE - oil, block to cylinder head

1шт.

Выбрано товаров: 29