Запчасти Case IH 1294 (5-094) - STEERING COLUMN AND VALVE, TRACTORS WITH CAB (05) - STEERING

Схема запчастей Case IH 1294 - (5-094) - STEERING COLUMN AND VALVE, TRACTORS WITH CAB (05) - STEERING
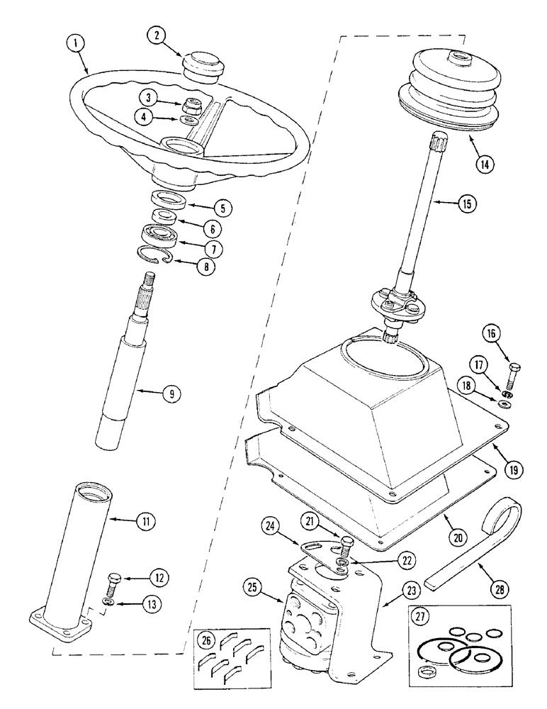
25
11
1
22
15
18
5
7
8
17
6
21
28
4
27
19
24
23
12
9
14
2
26
16
3
13
20
FIT
1:1
100%

Артикул

Название

Примечание

Количество

1

K949446

HANDWHEEL

WHEEL - steering

1шт.

2

K262737

CAP

- hub, (Order also K691285 Seal)

1шт.

3

231-1448

NUT,1/2"-13, GB

- hex, self-locking, 1/2 inch NC

1шт.

4

K626686

WASHER

- flat, 1/2 inch (13 mm)

1шт.

5

K623479

WASHER

- felt, 1/2 inch (13 mm) ID

1шт.

6

K627103

BUSHING

SPACER - bearing

1шт.

7

465004R91

BEARING ASSY,0.6693" ID x 1.5748" OD x 0.4724"

- disc

1шт.

8

K11911

RING, SNAP

RING - snap, 1-5/8 inch (41 mm) internal

2шт.

9

K307289

SHAFT

- steering wheel

1шт.

11

K307276

FLANGE

COLUMN - steering

1шт.

12

513-2704

BOLT

- hex, M10 x 20 mm

4шт.

13

892-11010

LOCK WASHER,M10

4шт.

14

K307333

BELLOWS

COVER - coupling

1шт.

15

NSS

NOT SOLD SEPARAT

COUPLING AND SPINDLE -

1шт.

16

K650814

BOLT

- M6 x 30 mm

4шт.

17

892-11006

LOCK WASHER,M6

WASHER, LOCK, M6

4шт.

18

K651903

WASHER

- special, 6 mm

3шт.

19

K307856

COVER

- insulating

1шт.

20

K307661

COVER

- steering valve

1шт.

21

413-614

BOLT,Hex, 3/8" - 16 x 7/8", Gr 5

6шт.

22

492-11038

LOCK WASHER,3/8"

6шт.

23

K307411

SUPPORT

BRACKET - steering, valve

1шт.

24

K307274

WASHER

PLATE - retaining

1шт.

25

K207419

VALVE

ASSEMBLY - steering (SPC-125-ON), Includes: Ref. 26 & 27 and o-ring

1шт.

1272795C1

O-RING,39.6mm ID x 41mm OD x 4.5mm

O-RING - sleeve, Not illustrated

1шт.

26

1272809C1

PACKAGE

KIT - spring, set of four

1шт.

27

1500443C91

SEAL KIT

KIT - service

1шт.

28

NSS

NOT SOLD SEPARAT

STRIP - sealing, 15 x 8 mm (Order L35799 and, Serial Range: cut-length)

1шт.

Выбрано товаров: 28