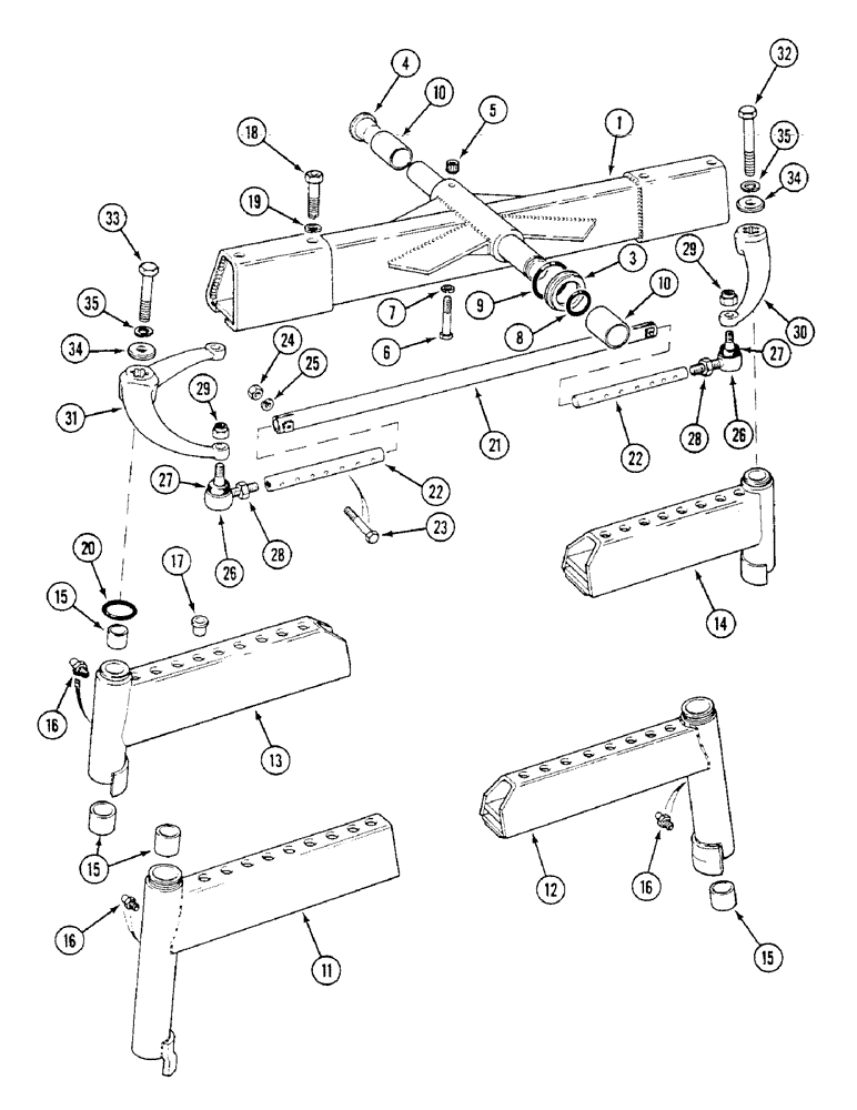
Запчасти Case IH 1294 (5-110) - FRONT AXLE BEAM, 2 WHEEL DRIVE TRACTOR (05) - STEERING

Схема запчастей Case IH 1294 - (5-110) - FRONT AXLE BEAM, 2 WHEEL DRIVE TRACTOR (05) - STEERING
4
15
27
26
31
20
34
19
15
34
21
17
6
5
12
35
10
26
22
9
18
22
28
29
1
27
16
29
33
13
8
32
3
25
23
7
16
35
10
11
30
24
14
16
15
28
FIT
1:1
100%

Артикул

Название

Примечание

Количество

1

K207136

BEAM

CENTER BEAM - 52 to 72 inch (1 321 to 1 829 mm) low profile special

1шт.

1

K210440

BEAM

CENTER BEAM - 52 to 72 inch (1 321 to 1 829

1шт.

1

K210441

BEAM

CENTER BEAM - 56 to 80 inch (1 422 to 2 032 mm) Track

1шт.

2

K200774

AXLE PIN

PIN - trunnion

1шт.

3

K15596

RING,3.63mm Thk x 31.34mm ID

O-RING - 1-1/4 inch (31 mm) ID

2шт.

4

353-11

PLUG,Cap, .610" OD

- tapered, 5/8 inch OD

1шт.

5

K913092

NUT

BUSHING - threaded

1шт.

6

K600505

BOLT

- 3/8 UNC x 2-3/4 inch

1шт.

7

492-11038

LOCK WASHER,3/8"

1шт.

8

K947188

FRICTION WASHER

WASHER - thrust

2шт.

9

K24764

O-RING

- 2-5/8 inch (67 mm) ID

2шт.

10

K15597

BUSHING

- main frame

4шт.

11

K965874

EXTENSION

BEAM EXTENSION - left-hand, Includes: Ref. 15

1шт.

11

K961723

EXTENSION

BEAM EXTENSION - left-hand, Includes: Ref. 15

1шт.

12

K965873

EXTENSION

BEAM EXTENSION - right-hand, Includes: Ref. 15

1шт.

12

K961724

EXTENSION

BEAM EXTENSION - right-hand, Includes: Ref. 15

1шт.

13

K262167

BEAM

EXTENSION - left-hand, Includes: Ref. 15

1шт.

14

K262166

BEAM

EXTENSION - right-hand, Includes: Ref. 15

1шт.

15

K11598

BUSHING

- beam extension

2шт.

16

219-8

LUBE NIPPLE,1/4" - 28 NPTF

NIPPLE, LUBE, , straight, taper 1/4"-28 NPT x .54" lg

2шт.

17

353-16

PLUG,Cap, .848" OD

CAP - end, 1-3/4 inch)

12шт.

18

K601471

BOLT

- 3/4 UNC x 3-1/8 inch

4шт.

19

K626348

BELLEVILLE SPRING

WASHER - lock, 3/4 inch

4шт.

20

238-5226

O-RING,0.139" Thk x 1.984" ID, -226, Cl 5, 75 Duro

4шт.

21

K200374

BUSHING

TUBE - spacer, 27-3/4 inch (705 mm) 52 to 72 inch track

1шт.

21

K926288

TUBE

- spacer, 35-3/4 inch (908 mm) 56 to 80 inch track

1шт.

22

K200339

ROD

- track, 17 inch (432 mm) 56 to 80 inch track

2шт.

22

K200339

ROD

- track, 17 inch (432 mm) 56 to 80 inch track

2шт.

23

413-536

BOLT,Hex, 5/16" - 18 x 2-1/4", Gr 5

- hex, 5/16 NC x 2-1/4 inch

2шт.

24

K607221

NUT

- 5/16 inch UNC

2шт.

25

K19481

SPRING WASHER

WASHER - lock, 5/16 inch

2шт.

26

K908071

BALL JOINT

SOCKET ASSEMBLY - ball, Includes: Ref. 27 - 29

2шт.

27

K961701

BOOT

SEAL - dirt

1шт.

28

K622500

LOCK NUT

- lock, 3/4 inch

1шт.

29

231-2448

LOCK NUT,1/2"-20, GB

NUT - light hex, self-locking, 1/2 inch NF

1шт.

30

K942525

LEVER

- steering, right-hand

1шт.

31

K200597

LEVER

- steering, left-hand

1шт.

32

K601210

BOLT (SPREADER)

BOLT - 5/8 UNC x 2-3/4 inch

1шт.

33

K601213

BOLT

- 5/8 UNC x 3-1/4 inch

1шт.

34

K15595

WASHER

- 5/8 inch (16 mm) special

2шт.

35

492-11062

BEARING WASHER,5/8"

WASHER, LOCK, 5/8"

2шт.

Выбрано товаров: 41