Запчасти Case IH 1294 (5-122) - AXLE HALF SHAFTS - MFD (05) - STEERING

Схема запчастей Case IH 1294 - (5-122) - AXLE HALF SHAFTS - MFD (05) - STEERING
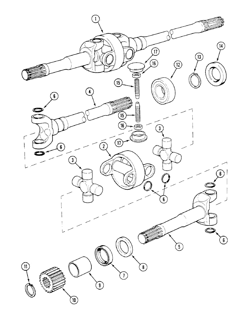
11
2
15
3
3
1
8
16
4
13
5
6
14
15
7
16
12
17
6
6
6
9
6
10
17
FIT
1:1
100%

Артикул

Название

Примечание

Количество

2

K262164

HOUSING

- joint (Carraro 107623)

1шт.

3

K262161

U-JOINT SPIDER

UNIVERSAL JOINT - axle shaft (Carraro 107625)

2шт.

4

K262163

FORK

HALF-SHAFT - long (Carraro 110940)

1шт.

5

K262162

FORK

HALF-SHAFT - short (Carraro 116251/1)

1шт.

6

K965336

RING, SNAP

RING - snap (Carraro 40181)

8шт.

7

K262143

OIL SEAL,16mm W, 35mm ID x 52mm OD

- oil (Carraro 116722)

2шт.

8

K262143

OIL SEAL,16mm W, 35mm ID x 52mm OD

- oil (Carraro 116722)

2шт.

9

1967535C1

BUSHING

- (Carraro 107847)

2шт.

10

K261874

GEAR

- drive (Carraro 113658)

2шт.

11

K261897

RING, SNAP

RING - snap (Carraro 24784)

2шт.

12

K261875

BEARING

- shaft (Carraro 26016)

2шт.

13

800-1135

SNAP RING,M35, Ext

2шт.

14

K261876

OIL SEAL

SEAL - oil (Carraro 25158)

2шт.

15

K965232

BOLT,M10 x 1.25 x 35mm, Cl 10.9

SCREW - bearing locating (Carraro 95952)

4шт.

16

825-1414

NUT,M14, Cl 8

- hex, 14 mm - 2

4шт.

17

K260135

PLUG

- axle housing (Carraro 107811)

4шт.

Выбрано товаров: 16