Запчасти Case IH 1294 (6-138) - INDEPENDENT CLUTCH RELEASE MECHANISM, TRACTORS WITHOUT CAB (06) - POWER TRAIN

Схема запчастей Case IH 1294 - (6-138) - INDEPENDENT CLUTCH RELEASE MECHANISM, TRACTORS WITHOUT CAB (06) - POWER TRAIN
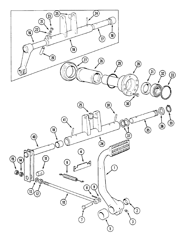
25
32
41
30
2
24
7
11
37
26
39
21
18
36
4
5
20
9
15
12
27
10
29
18
1
6
28
31
17
3
19
40
33
22
35
14
13
23
8
25
38
16
34
FIT
1:1
100%

Артикул

Название

Примечание

Количество

1

K965876

CLUTCH

PEDAL ASSEMBLY - clutch, Includes: Ref. 2

1шт.

2

K947343

BUSHING

- pedal

2шт.

3

219-8

LUBE NIPPLE,1/4" - 28 NPTF

NIPPLE, LUBE, , straight, taper 1/4"-28 NPT x .54" lg

1шт.

4

K300300

SHIM

STOP - clutch pedal

1шт.

5

K627223

BUSHING

SPACER - pedal

1шт.

6

K624963

SPRING

- pedal return

1шт.

7

K625968

PIN

- 3/8 x 1-5/8 inch

1шт.

8

K19528

PIN

- cotter, 1/16 x 1/2 inch

1шт.

9

K19472

WASHER

- flat, 3/8 inch (10 mm)

1шт.

10

K200394

ROD

- pedal to stub shaft

1шт.

11

K14744

PIN

- cam lever

1шт.

12

280136

NUT,3/8"-16, G8

1шт.

13

K205088

RUBBER

WASHER - rubber, 3/8 inch (10 mm)

1шт.

14

K607525

NUT

- adjusting, 3/8 inch UNC

1шт.

15

87016560

JAM NUT,Jam, 3/8"-16, G5

- self-locking, 3/8 inch UNC

1шт.

16

K200657

CLUTCH

LEVER - shaft, stub, left-hand

1шт.

17

K201283

SHAFT

- stub, right-hand

1шт.

18

K628753

BUSHING

- main frame

2шт.

19

K200323

CLUTCH

FORK - clutch

1шт.

20

K609425

LARGE PIN

PIN - locking, 3/8 inch UNC (Prior to P.I.N. 11490001)

1шт.

21

493-41039

LOCK WASHER,Ext Tooth, 3/8"

WASHER, LOCK, Ext Tooth, 3/8"

1шт.

22

K19472

WASHER

- flat, 3/8 inch (10 mm)

1шт.

23

280136

NUT,3/8"-16, G8

1шт.

24

K623726

PIN

- roll, 1/4 x 1-1/2 inch (Prior to P.I.N. 11490001)

1шт.

25

K84748

TRUNNION

PIN - trunnion, clutch fork

2шт.

26

K928937

BEARING CARRIER,54.04mm ID x 76.2mm OD x 107.95mm L

CARRIER - release bearing, 5-7/8 inch long

1шт.

27

K620153

THRUST BEARING,69.84mm ID x 103.17mm OD x 21.59mm W

BEARING - release

1шт.

28

K200333

SHAFT

SNOUT - support, bearing carrier

1шт.

29

238-5234

O-RING,0.139" Thk x 2.984" ID, -234, Cl 5, 75 Duro

1шт.

30

K602862

SCREW,5/16" - 18 x 1 1/4", Gr S

BOLT - 5/16 UNC x 1 inch

3шт.

31

K623430

OIL SEAL

- oil, 45 x 65 x 8 mm

1шт.

31

K623483

OIL SEAL

- oil, 50 x 70 x 10 mm

1шт.

32

554553R91

BALL BEARING,45mm ID x 75mm OD x 16mm W

- ball

1шт.

33

K621430

CIRCLIP

RING - snap, 75 mm

1шт.

34

K207254

CLUTCH

FORK - clutch

1шт.

35

K210029

SHAFT

- stub, right-hand

1шт.

36

K627472

WASHER

- 1 inch (P.I.N. 11490001 and after)

1шт.

37

K626749

WASHER

- Belleville, 1 inch (Prior to P.I.N. 11501086)

4шт.

38

135-765

GROOVED PIN,1/4" x 1 3/4", Type E

PIN - 5/64 x 3/4 inch (P.I.N. 11490001 and after)

1шт.

39

K11128

CIRCLIP

RING - snap, 1 inch (25 mm) OD

1шт.

40

K207993

LEVER

SHAFT - stub, left-hand

1шт.

41

K623768

GROOVED PIN,3/8" x 2", Type B

Pin, Grooved, (P.I.N. 11490001 and after) 3/8" x 2", Type B

1шт.

Выбрано товаров: 42