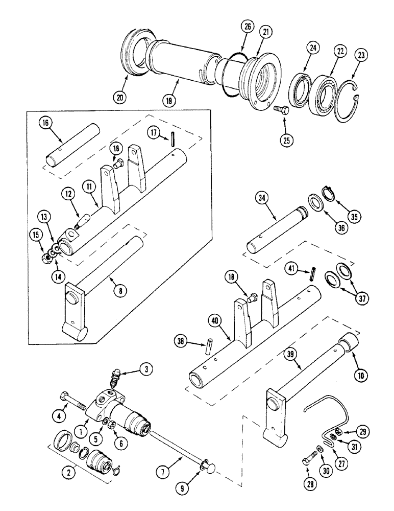
Запчасти Case IH 1294 (6-142) - TRANSMISSION CLUTCH RELEASE MECHANISM, MECHANICAL COMPONENTS - TRACTORS WITH CAB (06) - POWER TRAIN

Схема запчастей Case IH 1294 - (6-142) - TRANSMISSION CLUTCH RELEASE MECHANISM, MECHANICAL COMPONENTS - TRACTORS WITH CAB (06) - POWER TRAIN
25
38
20
26
5
37
30
7
16
29
28
19
3
13
18
18
39
36
31
34
14
40
23
41
9
6
22
24
35
15
11
17
8
2
21
4
27
1
12
10
FIT
1:1
100%

Артикул

Название

Примечание

Количество

1

K306544

CYLINDER,50mm Stroke

ASSEMBLY - slave (Girling 73067124) (Mineral oil), Includes: Ref. 2 & 3

1шт.

2

K261633

SEAL KIT

SEAL KIT - slave cylinder

1шт.

3

K964534

SCREW,M12 x 1

- air removal

1шт.

4

K650648

BOLT

- M8 x 15 mm

2шт.

5

892-11008

LOCK WASHER,8mm ID

WASHER, LOCK, M8

2шт.

6

825-1408

NUT,M8, Cl 8

2шт.

7

K206924

ROD

- push, cylinder

1шт.

8

K207544

SHAFT

AND LEVER - stub, left-hand

1шт.

9

K653434

RING, SNAP

RING - snap, 20 mm

1шт.

10

K628753

BUSHING

- main frame

3шт.

11

K200323

CLUTCH

FORK - clutch

1шт.

12

K609425

LARGE PIN

PIN - locking, 3/8 inch UNC (Prior to P.I.N. 11490001)

1шт.

13

K19472

WASHER

- flat, 3/8 inch (10 mm)

1шт.

14

493-41039

LOCK WASHER,Ext Tooth, 3/8"

WASHER, LOCK, Ext Tooth, 3/8"

1шт.

15

280136

NUT,3/8"-16, G8

1шт.

16

K200483

SHAFT

- stub, right-hand

1шт.

17

K623726

PIN

- roll, 1/4 x 1-1/2 inch (Prior to P.I.N. 11490001)

1шт.

18

K84748

TRUNNION

PIN - trunnion, clutch fork

2шт.

19

K928937

BEARING CARRIER,54.04mm ID x 76.2mm OD x 107.95mm L

CARRIER - release bearing

1шт.

20

K620153

THRUST BEARING,69.84mm ID x 103.17mm OD x 21.59mm W

BEARING - release

1шт.

21

K200333

SHAFT

SNOUT - support, bearing carrier

1шт.

22

554553R91

BALL BEARING,45mm ID x 75mm OD x 16mm W

- ball (Synchromesh)

1шт.

23

K621430

CIRCLIP

RING - snap, 75 mm

1шт.

24

K623483

OIL SEAL

- oil, 50 x 70 x 10 mm

1шт.

24

K623430

OIL SEAL

- oil, 45 x 65 x 8 mm

1шт.

25

K602862

SCREW,5/16" - 18 x 1 1/4", Gr S

BOLT - 5/16 UNC x 1 inch

3шт.

26

238-5234

O-RING,0.139" Thk x 2.984" ID, -234, Cl 5, 75 Duro

1шт.

27

K207045

SPRING

- cross shaft

1шт.

28

K966404

SCREW

BOLT - 1/4 UNC X 1-1/8 inch

1шт.

29

425-104

NUT,1/4"-20, Cl 5

- hex, 1/4 inch NC

1шт.

30

K626662

WASHER

- 1/4 inch

1шт.

31

K626341

SPRING WASHER

WASHER - lock, 1/4 inch

1шт.

32

K201700

BUSHING

SPACER - stub shaft

1шт.

34

K210127

SHAFT

- stub, right hand

1шт.

35

K11128

CIRCLIP

RING - snap, 1 inch (25 mm) OD

1шт.

36

K627472

WASHER

- 1 inch (P.I.N. 11490001 and after)

1шт.

37

K626749

WASHER

- Belleville, 1 inch (Prior to P.I.N. 11501086)

4шт.

38

K623768

GROOVED PIN,3/8" x 2", Type B

Pin, Grooved, (P.I.N. 11490001 and after) 3/8" x 2", Type B

1шт.

39

K207995

LEVER

SHAFT AND LEVER - left-hand

1шт.

40

K207254

CLUTCH

FORK - clutch

1шт.

41

135-765

GROOVED PIN,1/4" x 1 3/4", Type E

PIN - 5/64 x 3/4 inch (P.I.N. 11490001 and after)

1шт.

Выбрано товаров: 41