Запчасти Case IH 1294 (6-144) - GEARBOX HOUSING AND SELECTOR MECHANISM (06) - POWER TRAIN

Схема запчастей Case IH 1294 - (6-144) - GEARBOX HOUSING AND SELECTOR MECHANISM (06) - POWER TRAIN
17
14
5
18
13
22
27
6
26
29
20
21
4
24
7
28
25
15
19
2
12
1
16
9
8
30
3
23
11
10
FIT
1:1
100%

Артикул

Название

Примечание

Количество

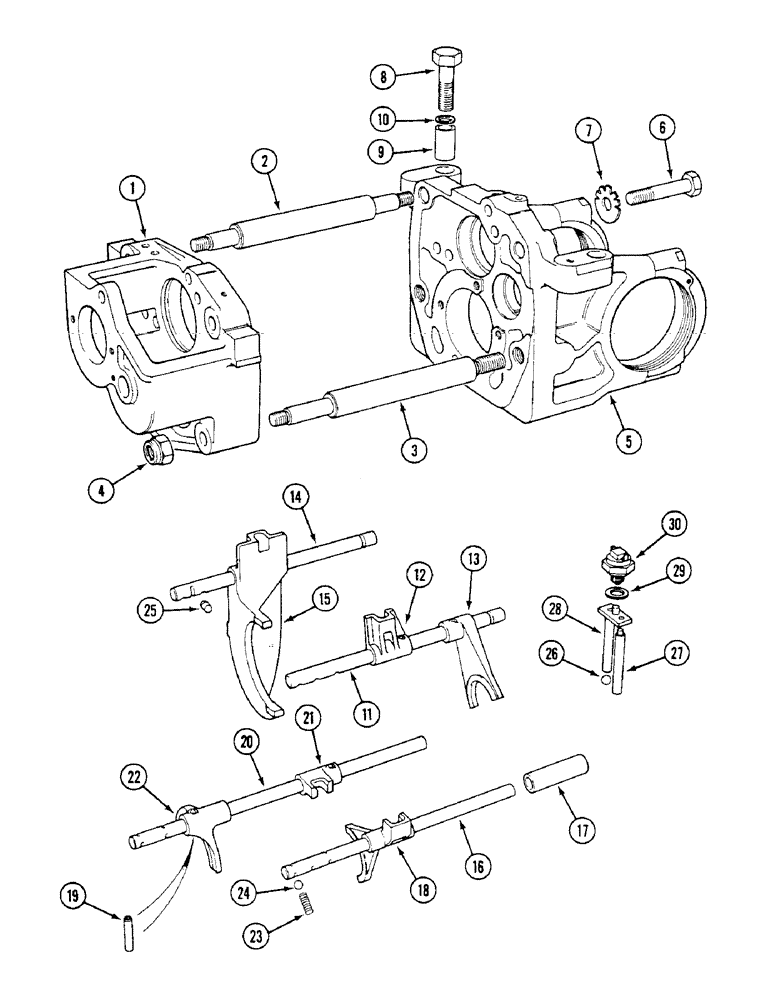
1

K929944

PLATE

- end, front

1шт.

2

K928339

LARGE PIN

BAR - spacing, upper

2шт.

3

K928338

SHAFT

BAR - spacing, lower

2шт.

4

K607331

NUT

- Nyloc, 5/8 inch UNC

6шт.

5

K963487

PLATE

ASSEMBLY - end, rear (With bearing caps), Includes: Ref. 6

1шт.

6

K601240

BOLT

- 5/8 UNC x 3-1/4 inch

4шт.

7

K626389

BEARING WASHER

WASHER - tab, end plate bolt

4шт.

8

K601306

BOLT

- 5/8 inch UNC special

2шт.

9

K920656

BUSHING

BUSHING - bolt

2шт.

10

K626239

SHIM,.010" Thk

(0.254 mm) .010" Thk

1шт.

11

K945213

SELECTOR

ROD - selector, first and reverse

1шт.

12

K954125

SELECTOR

JAW - selector, first and reverse

1шт.

13

K942472

SELECTOR

FORK - selector, first and reverse

1шт.

14

K945215

SELECTOR

ROD - selector, second and third

1шт.

15

K204778

SELECTOR

FORK - selector, second and third

1шт.

16

K205675

ROD

- selector, high/low

1шт.

17

K929417

BUSHING

SLEEVE - rod, high/low

1шт.

18

K950260

SELECTOR

FORK - selector, high/low

1шт.

19

K623887

PIN,5.21mm OD x 25.4mm L

- roll, 3/16 x 1 inch

6шт.

20

K928576

SELECTOR

ROD - selector, slow/normal

1шт.

21

K950259

SELECTOR

JAW - selector, slow/normal

1шт.

22

K928567

SELECTOR

FORK - selector, slow/normal

1шт.

23

K13507

SPRING

- gear detent

4шт.

24

211-1012

BALL,3/8" Dia

- chrome alloy steel, 3/8 inch, grade 24

4шт.

25

K30430

LOCKING DEVICE

LOCK - gear

1шт.

26

211-1012

BALL,3/8" Dia

- chrome alloy steel, 3/8 inch, grade 24

2шт.

27

K945208

PLUNGER

- switch

1шт.

28

K945204

PLUNGER

AND PLATE - switch

1шт.

29

K626895

SHIM,.002" Thk

(0.05 mm) .002" Thk

1шт.

29

K626858

SHIM,.005" Thk

(0.13 mm) .005" Thk

1шт.

29

K626894

SHIM,.010" Thk

(0.25 mm) .010" Thk

1шт.

30

K262714

SWITCH

- safety, starter

1шт.

Выбрано товаров: 32