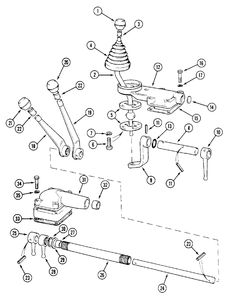
Запчасти Case IH 1294 (6-146) - GEAR SHIFT LEVERS, TRACTORS WITHOUT CAB (06) - POWER TRAIN

Схема запчастей Case IH 1294 - (6-146) - GEAR SHIFT LEVERS, TRACTORS WITHOUT CAB (06) - POWER TRAIN
31
12
20
26
10
11
2
18
22
19
17
11
29
21
28
24
35
27
16
30
22
7
9
5
8
13
15
6
1
3
33
4
25
23
32
23
34
14
FIT
1:1
100%

Артикул

Название

Примечание

Количество

1

K207409

BUTTON

KNOB - gear lever

1шт.

2

K207779

SPEED CHANGE LEVER

LEVER - gear

1шт.

3

K628472

RING

- retaining, Serial Range: knob-lever

1шт.

4

K950494

RUBBER

COVER - gear lever

1шт.

5

K200162

SPACER

HOUSING - ball

2шт.

6

K966404

SCREW

BOLT - 1/4 UNC X 1/8 inch

4шт.

7

492-11025

LOCK WASHER,1/4"

WASHER, LOCK, 1/4"

4шт.

8

K200160

SHAFT

- selector

1шт.

9

K200161

LEVER

ARM - selector shaft

1шт.

10

K950215

SELECTOR

LEVER - selector

1шт.

11

617938R1

PIN,5/16" x 1 3/8", Coiled

2шт.

12

K200159

GEAR

HOUSING - selector shaft

1шт.

13

K623630

SEAL

- oil, 7/8 inch (22 mm) ID

1шт.

14

41-16

PLUG,Exp, 1"

- expansion, housing

1шт.

15

K950543

GASKET,0.2mm Thk

- housing

1шт.

16

K600205

BOLT

- 5/16 UNC x 1-1/2 inch

4шт.

17

K19481

SPRING WASHER

WASHER - lock, 5/16 inch

4шт.

18

K200203

LEVER

- hand, high-low

1шт.

19

K200200

LEVER

- hand, slow-normal

1шт.

20

K207408

KNOB

- lever, slow-normal

1шт.

21

K206712

KNOB

- lever, high-low

2шт.

22

K628472

RING

- retaining, Serial Range: knob-lever

2шт.

23

38-31624

ROLL PIN,1/4" x 1 1/2", Coiled

PIN, ROLL, 1/4" x 1 1/2", Coiled

2шт.

24

K200198

SHAFT

- selector, slow-normal

1шт.

25

K950005

SELECTOR

LEVER - selector, slow-normal

1шт.

26

K200199

SHAFT

TUBE - selector, high-low

1шт.

27

K621303

BUSHING

-, Serial Range: shaft-tube

2шт.

28

K950004

SELECTOR

LEVER - selector, high-low

1шт.

29

K950002

BUSHING

WASHER - 1 inch (25 mm)

1шт.

30

K11128

CIRCLIP

RING - snap, 1 inch (25 mm) OD

1шт.

31

K950000

HOUSING

- gear change

1шт.

32

K628750

BUSHING

- housing

1шт.

33

K950543

GASKET,0.2mm Thk

- housing

1шт.

34

K600205

BOLT

- 5/16 UNC x 1-1/2 inch

4шт.

35

K19481

SPRING WASHER

WASHER - lock, 5/16 inch

4шт.

Выбрано товаров: 35