Запчасти Case IH 1294 (6-148) - GEAR SHIFT LEVERS, TRACTORS WITH CAB (06) - POWER TRAIN

Схема запчастей Case IH 1294 - (6-148) - GEAR SHIFT LEVERS, TRACTORS WITH CAB (06) - POWER TRAIN
19
23
20
7
11
4
3
3
9
8
6
15
21
13
22
12
14
16
10
2
8
17
18
1
5
FIT
1:1
100%

Артикул

Название

Примечание

Количество

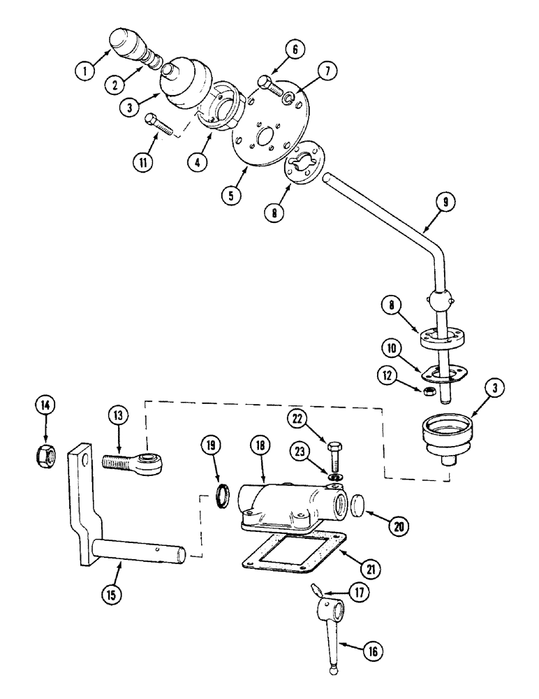
1

K207410

KNOB

- gear lever

1шт.

2

K628472

RING

- retaining, Serial Range: knob-lever

1шт.

3

K204741

BELLOWS

COVER - rubber

2шт.

4

K205234

RETAINER

- upper

1шт.

5

K204803

PLATE

- lever

1шт.

6

614-8020

BOLT,Hex, M8 x 1.25 x 20mm

- hex, full threads, 8 - 1.25 x 20 mm

4шт.

7

892-11008

LOCK WASHER,8mm ID

WASHER, LOCK, M8

4шт.

8

K204810

HOUSING

- ball

2шт.

9

K207245

LEVER

- gear

1шт.

10

K204742

PLATE

RETAINER - lower

1шт.

11

461-32524

HEX SOC SCREW,1/4"-20 x 1 1/2"

SCREW, Hex Soc Hd, 1/4"-20 x 1 1/2"

4шт.

12

231-1444

NUT,1/4"-20, GB

NUT, LOCK, 1/4"-20, GB

4шт.

13

K204680

ROD

JOINT - ball

1шт.

14

131-377

LOCK NUT,5/8"-11, GC

NUT - lock, ball joint, 5/8 inch UNC

1шт.

15

K204683

SELECTOR

SHAFT AND ARM - selector

1шт.

16

K950215

SELECTOR

LEVER - selector

1шт.

17

617938R1

PIN,5/16" x 1 3/8", Coiled

1шт.

18

K950243

HOUSING

- lever shaft

1шт.

19

K623630

SEAL

- oil, 7/8 inch (22 mm) ID

1шт.

20

41-16

PLUG,Exp, 1"

- expansion, housing

1шт.

21

K950543

GASKET,0.2mm Thk

- housing

1шт.

22

K600205

BOLT

- 5/16 UNC x 1-1/2 inch

4шт.

23

K19481

SPRING WASHER

WASHER - lock, 5/16 inch

4шт.

Выбрано товаров: 23