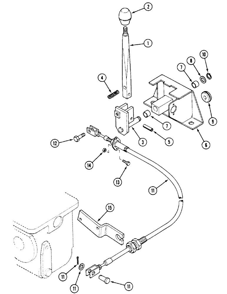
Запчасти Case IH 1294 (6-162) - MFD ENGAGEMENT LEVER, TRACTORS WITHOUT CAB (06) - POWER TRAIN

Схема запчастей Case IH 1294 - (6-162) - MFD ENGAGEMENT LEVER, TRACTORS WITHOUT CAB (06) - POWER TRAIN
4
11
11
7
5
9
15
10
3
11
6
1
13
7
14
11
2
8
12
FIT
1:1
100%

Артикул

Название

Примечание

Количество

1

K207877

LEVER

- MFD selector

1шт.

2

K950493

KNOB

- selector lever

1шт.

3

K207612

SHAFT

SPINDLE - selector lever

1шт.

4

K13507

SPRING

- gear detent

1шт.

5

138-155

LOCK PIN,5/16" x 1 1/4", Slotted

PIN, 5/16" x 1 1/4", Slotted

1шт.

6

K308035

BRACKET

- spindle

1шт.

7

K628759

BUSHING

- bracket

2шт.

8

K626668

WASHER

- spindle

1шт.

9

K627704

GROMMET

- bracket

1шт.

10

K625042

CLIP

RING - snap, spindle, 1/2 inch (13 mm) External

1шт.

11

K307987

CABLE

- inner and outer

1шт.

12

K610262

BOLT

- 5/16 inch UNF

1шт.

13

K613988

SCREW

- No. 10 UNF x 3/4 inch

2шт.

14

K617299

LOCK NUT

- self-locking, No., 10 UNF

2шт.

15

K261808

BRACKET

- cable support

1шт.

Выбрано товаров: 15