Запчасти Case IH 1294 (6-164) - MFD ENGAGEMENT LEVER, TRACTORS WITH CAB (06) - POWER TRAIN

Схема запчастей Case IH 1294 - (6-164) - MFD ENGAGEMENT LEVER, TRACTORS WITH CAB (06) - POWER TRAIN
8
6
3
20
13
9
4
11
7
23
12
1
15
19
18
5
14
21
2
22
16
17
10
FIT
1:1
100%

Артикул

Название

Примечание

Количество

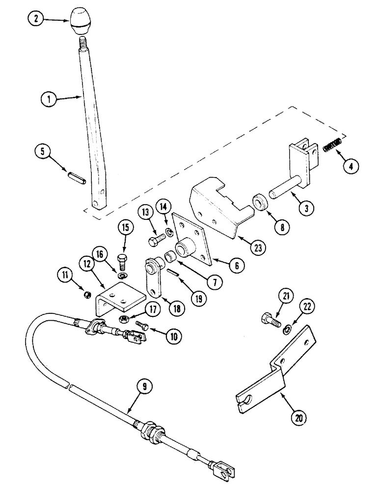
1

K207104

LEVER

- MFD selector

1шт.

2

K950493

KNOB

- selector lever

1шт.

3

K207163

BLOCK

SPINDLE - selector lever

1шт.

4

K13507

SPRING

- gear detent

1шт.

5

138-155

LOCK PIN,5/16" x 1 1/4", Slotted

PIN, 5/16" x 1 1/4", Slotted

1шт.

6

K303119

PLATE

BRACKET - spindle

1шт.

7

K628759

BUSHING

- bracket

2шт.

8

K207191

BUSHING

SPACER - spindle

1шт.

9

K307987

CABLE

- inner and outer

1шт.

10

K613988

SCREW

- No. 10 UNF x 3/4 inch

2шт.

11

K617299

LOCK NUT

- self-locking, No., 10 UNF

2шт.

12

K207336

BRACKET

- cable support, upper

1шт.

13

614-8020

BOLT,Hex, M8 x 1.25 x 20mm

- hex, full threads, 8 - 1.25 x 20 mm

3шт.

14

892-11008

LOCK WASHER,8mm ID

WASHER, LOCK, M8

3шт.

15

K602845

BOLT,Hex Hd, 5/16"-18 x 3/4"

BOLT - 5/16 UNC x 3/4 inch

2шт.

16

K19481

SPRING WASHER

WASHER - lock, 5/16 inch

2шт.

17

425-105

NUT,5/16"-18, G5

- hex, 5/16 inch NC

2шт.

18

K952260

LEVER

- operating

1шт.

19

438-11214

LOCK PIN,4.76mm OD x 22.23mm L, Slotted

Pin, 3/16" x 7/8", Slotted

1шт.

20

K261808

BRACKET

- cable support

1шт.

21

814-8035

BOLT,Hex, M8 x 1.25 x 35mm, Cl 8.8

2шт.

22

892-11008

LOCK WASHER,8mm ID

WASHER, LOCK, M8

2шт.

23

K207585

PLATE

GATE - hand lever

1шт.

Выбрано товаров: 23