Запчасти Case IH 1390 (L-06) - SINGLE RATE SENSING (09) - IMPLEMENT LIFT

Схема запчастей Case IH 1390 - (L-06) - SINGLE RATE SENSING (09) - IMPLEMENT LIFT
7
17
25
22
13
3
2
26
4
10
21
24
19
5
27
6
14
20
23
18
12
15
8
9
1
16
11
FIT
1:1
100%

Артикул

Название

Примечание

Количество

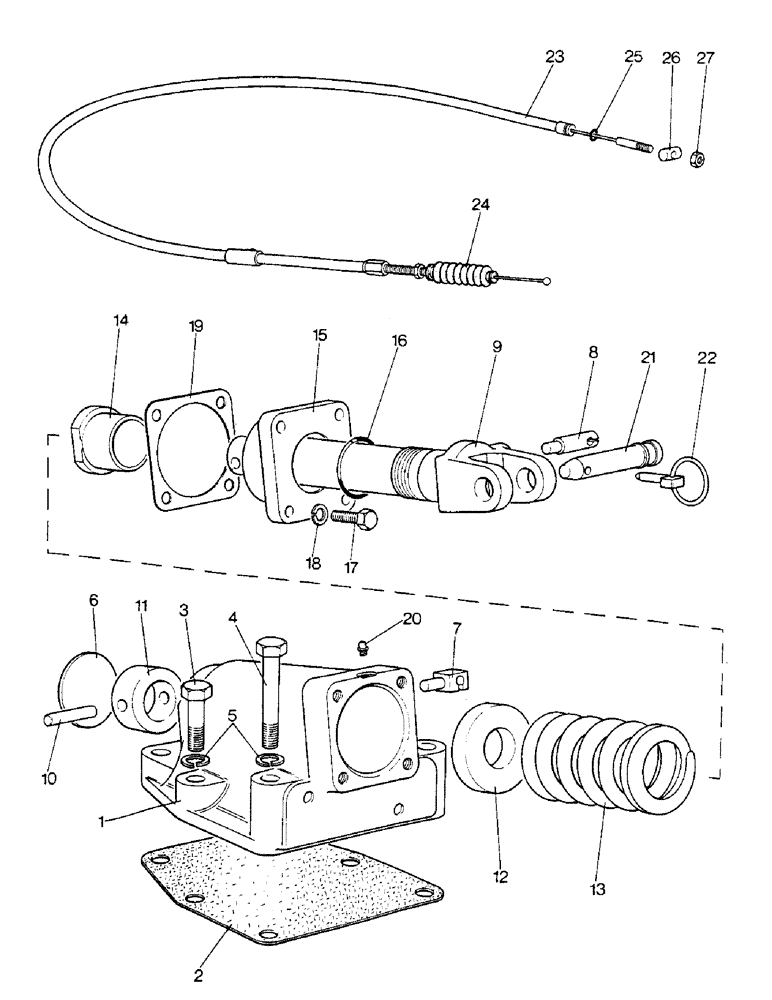
1

K202576

CASE

HOUSING - rate sensing

1шт.

2

K926451

GASKET,0.56mm Thk

- housing

1шт.

3

K600872

SCREW

BOLT - 1/2 UNC x 1-7/8 inch

4шт.

4

K600887

BOLT

- 1/2 UNC x 3-1/4 inch

2шт.

5

K626345

LOCK WASHER

WASHER - lock, 1/2 inch

6шт.

6

K623813

PLUG

- core, 2-3/8 inch

1шт.

7

K912371

CABLE

SUPPORT - cable, outer

1шт.

8

K913852

LARGE PIN

SUPPORT - cable, inner

1шт.

9

K919726

SHAFT

- sensing

1шт.

10

K915117

PIN

- retaining, 3/8 x 2-1/4 inch

1шт.

11

K915266

COLLAR

- shaft

1шт.

12

K915116

WASHER

- thrust, 0.405 inch

1шт.

12

K915115

WASHER

- thrust, 0.395 inch

1шт.

12

K915114

WASHER

- thrust, 0.385 inch

1шт.

12

K915101

WASHER

- thrust, 0.375 inch

1шт.

12

K915113

WASHER

- thrust, 0.365 inch

1шт.

12

K915112

WASHER

- thrust, 0.355 inch

1шт.

13

K915103

SPRING

- pressure

1шт.

14

K915259

SLEEVE

- shaft

1шт.

15

K915261

FLANGE

PLATE - end

1шт.

16

K623556

O-RING,0.139" Thk x 1.859" ID, -225, Cl 5, 75 Duro

- 1-7/8 inch ID

1шт.

17

413-618

BOLT,Hex, 3/8" - 16 x 1-1/8", Gr 5

4шт.

18

K19482

SPRING WASHER

WASHER - lock, 3/8 inch

4шт.

19

K915098

SHIM,.030" Thk

1шт.

19

K915097

SHIM,.010" Thk

1шт.

19

K915096

SHIM,.005" Thk

1шт.

20

K690973

FITTING

- grease, 1/4 inch ANF x 45 degree

1шт.

21

K919725

PIN,19.05mm OD x 111.13mm L

- top link

1шт.

22

K66408

PIN

ASSEMBLY - linch

1шт.

23

K963417

LINK

CABLE ASSEMBLY - inner outer, Includes Ref: 24

1шт.

24

K906182

RUBBER

SEAL - dirt

1шт.

25

K690702

O-RING,1.59mm Thk x 6.75mm ID, 80 Duro

- 1/4 inch ID

1шт.

26

K915053

FITTING

PIN - cable, 3/8 x 9/16 inch

1шт.

27

K617080

NUT

- No. 10 UNF

2шт.

Выбрано товаров: 34