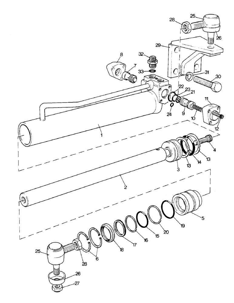
Запчасти Case IH 1390 (H-08) - STEERING CYLINDER, SIDE MOUNTED, TWO WHEEL DRIVE TRACTOR (13) - STEERING SYSTEM

Схема запчастей Case IH 1390 - (H-08) - STEERING CYLINDER, SIDE MOUNTED, TWO WHEEL DRIVE TRACTOR (13) - STEERING SYSTEM
8
21
29
4
31
16
10
28
30
12
17
25
19
2
14
26
28
26
13
3
18
33
15
22
5
7
9
13
23
1
6
24
25
11
20
27
32
FIT
1:1
100%

Артикул

Название

Примечание

Количество

K206628

CYLINDER

ASSEMBLY - steering (Replaces K200636), Includes Ref: 1 - 28

1шт.

1

K200633

CYLINDER

CASE - cylinder

1шт.

2

K200632

ROD

- piston

1шт.

3

K200559

PISTON

- cylinder

1шт.

4

K616823

HEX SOC SCREW,5/8" - 18 x 1 3/4"

BOLT - 5/8 UNC x 1-3/4 inch

1шт.

5

K200561

ARM

SLEEVE - cylinder

1шт.

6

K12993

RING, SNAP

RING - snap, 2-3/8 inch, internal

2шт.

7

K965851

VALVE

- non-return

1шт.

8

K200562

PLATE

- end

1шт.

9

K206379

SPOOL

VALVE AND SLEEVE - cylinder (Replaces K203779)

1шт.

10

K625096

SPRING

- return

1шт.

11

K200611

PLATE

- end

1шт.

12

K616502

SCREW

BOLT - 1/4 UNF x 3/4 inch

6шт.

K965852

SEAL

KIT - steering cylinder, Includes Ref: 13 - 24

1шт.

13

K628914

RING

- back-up, 1-7/8 inch ID

2шт.

14

K68123

O-RING,0.21" Thk x 1.85" ID, -328, Cl 5, 75 Duro

- 1-7/8 inch ID

1шт.

15

K628877

O-RING

- 40 MM ID

1шт.

16

K628918

SEAL,40mm ID x 44.99mm OD x 1.4mm Thk

RING - back-up, 40 MM ID

1шт.

17

K628128

RING

- sealing, 40 MM ID

1шт.

18

K623712

WIPER SEAL

- scraper, 40 MM ID

1шт.

19

K623715

O-RING,0.1" Thk x 2.06" ID

- 2-1/16 inch ID

1шт.

20

K623713

SEAL,52.39mm ID x 57.15mm OD x 1.47mm Thk

- back-up, 2-1/16 inch

1шт.

21

K623540

O-RING,0.614" ID x 0.754" OD x 0.07"

- 5/8 inch ID

2шт.

22

K16375

O-RING,0.943" ID x 0.106"

- 15/16 inch ID

2шт.

23

K628874

O-RING

- 11/16 inch ID

1шт.

24

K14573

O-RING,0.07" Thk x 0.301" ID, -11, Cl 6, 90 Duro

- 5/16 inch ID

1шт.

25

K923766

BALL JOINT

SOCKET ASSEMBLY - ball, Includes Ref: 26 - 28

2шт.

26

K962155

CAP

SEAL - dirt

1шт.

27

131-377

LOCK NUT,5/8"-11, GC

NUT - self-locking, 5/8 inch UNF

1шт.

28

K617289

LOCK NUT

- lock, 7/8 inch, special

1шт.

29

K200995

BRACKET

- steering cylinder

1шт.

30

K601358

BOLT

- 5/8 UNC x 2 inch

4шт.

31

K19485

WASHER

- lock, 5/8 inch

4шт.

32

K626039

FITTING

UNION - 3/4 inch UNF

2шт.

33

K623591

O-RING

- 5/8 inch ID

2шт.

Выбрано товаров: 0