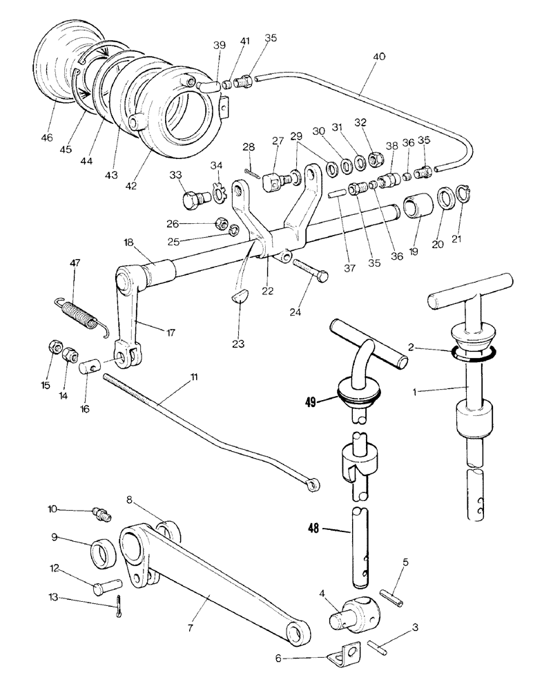
Запчасти Case IH 1390 (C-05) - PTO CLUTCH, RELEASE MECHANISM (03.1) - CLUTCH

Схема запчастей Case IH 1390 - (C-05) - PTO CLUTCH, RELEASE MECHANISM (03.1) - CLUTCH
39
45
46
26
33
5
27
37
35
28
38
2
35
44
40
34
29
36
41
14
18
32
24
35
36
4
12
25
8
15
49
31
21
16
23
10
7
20
47
19
30
43
48
9
11
6
3
1
42
22
17
13
FIT
1:1
100%

Артикул

Название

Примечание

Количество

1

K201303

LEVER

ASSEMBLY - hand (Order K206327, ref 48), Includes Ref: 2

1шт.

2

K628851

O-RING,0.118" Thk x 1.475" ID, -920, Cl 6, 90 Duro

- 1-1/2 inch diameter

1шт.

3

K623887

PIN,5.21mm OD x 25.4mm L

- 3/16 x 1-1/8 inch

1шт.

4

K946628

PIVOT

- hand lever

1шт.

5

K690947

PIN

- 5/16 x 1-1/4 inch

2шт.

6

K201959

SUPPORT

BRACKET - bracket

1шт.

7

K201293

LEVER

ASSEMBLY - with bushings, Includes Ref: 8

1шт.

8

K947343

BUSHING

- lever

2шт.

9

K627223

BUSHING

SPACER - lever

1шт.

10

219-8

LUBE NIPPLE,1/4" - 28 NPTF

NIPPLE, LUBE, , ANF 1/4"-28 NPT x .54" lg

1шт.

11

K201300

CLUTCH

ROD - PTO clutch

1шт.

12

K69984

SPLIT PIN/SAFETY PIN

PIN - clevis, 3/8 x 1-3/16 inch

1шт.

13

K19531

PIN

- cotter, 3/32 x 1-1/4 inch

1шт.

14

K607504

NUT

- adjusting, 3/8 inch UNC

2шт.

15

280136

NUT,3/8"-16, G8

2шт.

16

K14744

PIN

- 3/4 x 1-3/8 inch

2шт.

17

K201247

SHAFT

LEVER - shaft, cross

1шт.

18

K627170

BUSHING

SPACER - cross shaft

1шт.

19

K628753

BUSHING

- main frame

2шт.

20

K626749

WASHER

- Belleville, 1 inch

1шт.

21

K11128

CIRCLIP

RING - snap, 1 inch, external

1шт.

22

K915832

CLUTCH FORK

FORK - PTO clutch

1шт.

23

K19612

KEY

- Woodruff no. 608

1шт.

24

K600476

BOLT

- 3/8 UNC x 1-3/4 inch

1шт.

25

K19482

SPRING WASHER

WASHER - lock, 3/8 inch

1шт.

26

280136

NUT,3/8"-16, G8

1шт.

27

K925323

TRUNNION,14.27mm OD x 57.15mm L

PIN - trunnion, right-hand

1шт.

28

K26230

PIN, SPLIT (COTTER)

PIN - cotter, 3/16 x 1-3/8 inch

1шт.

29

K84749

GASKET

WASHER - friction

2шт.

30

K925338

BEARING WASHER

WASHER - 3/8 inch special

1шт.

31

K626723

BELLEVILLE WASHER

WASHER - Belleville

6шт.

32

232-1416

LOCK NUT,3/8"-16, GC

NUT - 3/8 inch UNC, Nyloc

1шт.

33

K915833

PIN

- trunnion, left-hand

1шт.

34

K626399

WASHER

- tap, trunnion pin

1шт.

35

K617956

NUT

- tubing, 3/8 inch UNF

3шт.

36

K19588

FERRULE

- 3/16 inch ID

1шт.

37

K926411

TUBE,0.187" OD x 2.625" L

- main frame

1шт.

38

K626045

FITTING

CONNECTOR - 3/8 inch UNF

1шт.

39

K19587

FITTING

ELBOW - 90 degree, 1/8 BSP - 3/8 inch UNF

1шт.

40

K950502

TUBE,0.187" DIA x 2.25" L

- plastic, 3/16 x 20-1/4 inch

1шт.

41

K622407

FERRULE

SLEEVE - 3/16 inch ID

2шт.

42

K915837

BEARING HOUSING

HOUSING - thrust bearing

1шт.

43

K19177

BALL BEARING,76.2mm ID x 114.3mm OD x 19.05mm W

BEARING - thrust, PTO clutch

1шт.

44

K84745

SEAL,88.01mm ID x 114.17mm OD x 0.56mm Thk

SHIELD - dirt

1шт.

45

K621431

RING, SNAP

RING - snap, 4-1/2 inch, internal

1шт.

46

K84740

THRUST PLATE

1шт.

47

K624954

SPRING

- return, cross shaft

1шт.

48

K206327

LEVER

ASSEMBLY - hand (Replaces K201303)

1шт.

49

K628851

O-RING,0.118" Thk x 1.475" ID, -920, Cl 6, 90 Duro

- 1-1/2 inch diameter

1шт.

Выбрано товаров: 49