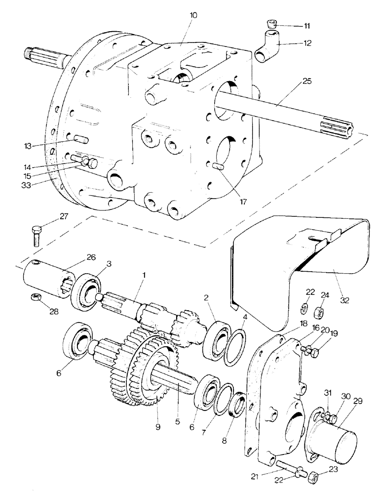
Запчасти Case IH 1390 (F-05) - POWER TAKE-OFF UNIT, 1390 TRACTOR (01) - POWER TAKE OFF

Схема запчастей Case IH 1390 - (F-05) - POWER TAKE-OFF UNIT, 1390 TRACTOR (01) - POWER TAKE OFF
16
33
4
30
18
25
2
31
8
22
22
11
23
24
14
6
17
19
10
20
5
6
28
13
7
9
12
15
1
27
21
3
32
26
29
FIT
1:1
100%

Артикул

Название

Примечание

Количество

1

K202431

SHAFT

DRIVESHAFT - multi-speed PTO

1шт.

1

K202435

SHAFT

DRIVESHAFT - single-speed PTO

1шт.

2

K690766

TAPERED BEARING

BEARING - roller, taper

1шт.

3

K620046

BEARING

- roller, taper

1шт.

4

K626976

SHIM,.003" Thk

1шт.

4

K626977

SHIM,.005" Thk

1шт.

4

K626978

SHIM,.007" Thk

1шт.

4

K626979

SHIM,.010" Thk

1шт.

4

K626980

SHIM

- 0.028 inch

1шт.

5

K915562

SHAFT

- driven

1шт.

6

K620046

BEARING

- roller, taper

2шт.

7

K915557

SHIM,53.98mm ID x 64.29mm OD x 0.05mm Thk

(.002") 0.05mm Thk

1шт.

7

K915558

SHIM,53.98mm ID x 64.29mm OD x 0.08mm Thk

(0.003") 0.076mm Thk

1шт.

7

K915559

SHIM,53.98mm ID x 64.29mm OD x 0.13mm Thk

(0.005") 0.127mm Thk

1шт.

7

K915560

SHIM

- 0.010 inch

1шт.

7

K915561

SHIM

- 0.028 inch

1шт.

8

K15177

OIL SEAL

- oil

1шт.

9

K202432

GEAR

- 38:44 teeth

1шт.

9

K202436

GEAR

- PTO (Single-Speed PTO)

1шт.

10

K948930

CASE

HOUSING - PTO

1шт.

11

K12362

PLUG

- 1 inch BSP taper

1шт.

12

K622127

FITTING

ELBOW - oil filler

1шт.

13

K61412

PIN

DOWEL - 7/16 x 1-1/4 inch

1шт.

14

K603006

SCREW

BOLT - 7/16 UNC x 1-3/8 inch

12шт.

15

K626344

WASHER, LOCK

WASHER - lock, 7/16 inch

12шт.

16

K915595

COVER

end

1шт.

17

K25360

PIN

DOWEL - 1/4 x 9/16 inch

2шт.

18

K924217

GASKET

- end cover

1шт.

19

9635884

BOLT,Hex, 5/16" - 18 1", Full Thd, Gr 5

2шт.

20

K19481

SPRING WASHER

WASHER - lock, 5/16 inch

2шт.

21

K608311

STUD

- 7/16 UNC x 2-5/16 inch

4шт.

22

K626344

WASHER, LOCK

WASHER - lock, 7/16 inch

4шт.

23

280717

NUT,7/16"-14, G5

4шт.

24

280717

NUT,7/16"-14, G5

4шт.

25

K205594

SHAFT

- cardan

1шт.

26

K89181

COUPLING, BREAK AWAY

COUPLING - shaft

1шт.

27

K600009

BOLT

- 1/4 UNC x 1-7/8 inch

1шт.

28

K607300

NUT

- self-locking, 1/4 inch UNC

1шт.

29

K909111

COVER

- PTO shaft

1шт.

30

K602840

SCREW

BOLT - 5/16 UNC x 1/2 inch

2шт.

31

K626682

WASHER

- 5/16 inch

2шт.

32

K906893

GUARD

- PTO

1шт.

33

K922591

GASKET

- PTO housing

1шт.

Выбрано товаров: 43