Запчасти Case IH 1390 (G-03) - FRONT AXLE CASE, MFD DAVID BROWN AXLE (04) - FRONT AXLE

Схема запчастей Case IH 1390 - (G-03) - FRONT AXLE CASE, MFD DAVID BROWN AXLE (04) - FRONT AXLE
29
45
43
3
24
31
23
26
1
25
35
4
6
26
42
34
40
39
36
10
5
18
16
44
46
30
33
37
20
2
25
21
46
32
28
41
38
22
17
24
15
13
27
11
19
12
14
8
28
27
7
32
9
FIT
1:1
100%

Артикул

Название

Примечание

Количество

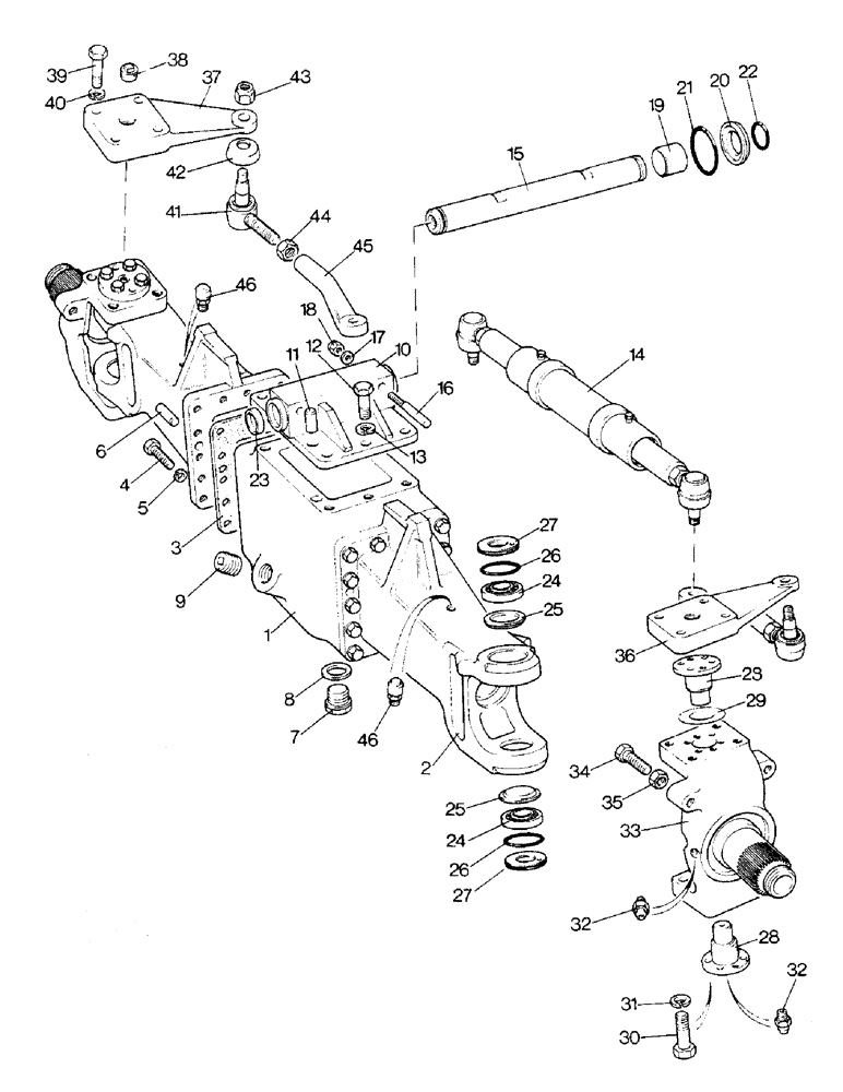
1

K953744

HOUSING

- differential

1шт.

2

K954865

SHAFT

HOUSING - half shaft

2шт.

3

K953733

GASKET

- housing

2шт.

4

K603110

SCREW

BOLT - 1/2 UNC x 1-3/4 inch

28шт.

5

K626345

LOCK WASHER

WASHER - lock, 1/2 inch

28шт.

6

K30134

PIN

DOWEL - 1/2 x 15/16 inch

4шт.

7

K623830

PLUG

ASSEMBLY - 1 inch BSP, Includes Ref: 8

1шт.

8

K11120

SEALING WASHER

WASHER - sealing

1шт.

9

K12362

PLUG

- 1 inch BSP

1шт.

10

K201704

TRUNNION

BRACKET - trunnion

1шт.

11

K622902

PIN

DOWEL - 3/4 x 1-5/16 inch

2шт.

12

K603276

SCREW

BOLT - 5/8 UNC x 1-3/4 inch

6шт.

13

K19485

WASHER

- lock, 5/8 inch

6шт.

14

K955079

STEERING CYLINDER

RAM - steering

1шт.

15

K203387

TRUNNION

PIN - trunnion

1шт.

16

K609427

PIN

- locking, 3/8 inch UNC

2шт.

17

K19472

WASHER

- 3/8 inch

2шт.

18

K607327

NUT

- self-locking, 3/8 inch UNC

2шт.

19

K15597

BUSHING

- trunnion

4шт.

20

K947188

FRICTION WASHER

WASHER - thrust

2шт.

21

K24764

O-RING

RING - sealing, 2-5/8 inch ID

2шт.

22

K15596

RING,3.63mm Thk x 31.34mm ID

O-RING - 1-1/4 inch ID

2шт.

23

K623794

CORE

PLUG - core

1шт.

24

K620116

TAPERED BEARING,31.75mm ID x 68.26mm OD x 22.23mm W

- roller

4шт.

25

K951274

PLATE

- bearing

4шт.

26

K14499

O-RING,2.437" ID x 2.715" OD x 0.139"

- 2-7/16 inch ID

4шт.

27

K951275

DISC

- sealing

4шт.

28

K951276

PIN

- bearing

4шт.

29

K626939

SHIM,.030" Thk

1шт.

29

K626938

SHIM,.010" Thk

1шт.

29

K626937

SHIM,.003" Thk

1шт.

29

K626936

SHIM,.002" Thk

1шт.

30

K603005

SCREW

BOLT - 7/16 UNC x 1-1/4 inch

16шт.

31

K626344

WASHER, LOCK

WASHER - lock, 7/16 inch

16шт.

32

219-8

LUBE NIPPLE,1/4" - 28 NPTF

NIPPLE, LUBE, , ANF 1/4"-28 NPT x .54" lg

6шт.

33

K954890

SHAFT

AXLE - stub

2шт.

34

K603318

BOLT

- 5/8 UNC x 3 inch

4шт.

35

425-1410

JAM NUT,Jam, 5/8"-11, G5

- lock, axle bolt

4шт.

36

K953567

LEVER

- steering, left-hand

1шт.

37

K953568

LEVER

- steering, right-hand

1шт.

38

K19578

PLUG

- 3/4 inch BSP, taper

2шт.

39

K601362

BOLT

- 5/8 UNC x 2-3/4 inch

8шт.

40

K19485

WASHER

- lock, 5/8 inch

8шт.

41

K915962

BALL JOINT

SOCKET ASSEMBLY - ball, Includes Ref: 42 - 45

2шт.

42

K962155

CAP

COVER - rubber

1шт.

43

131-377

LOCK NUT,5/8"-11, GC

NUT - lock, 5/8 inch UNF

1шт.

44

K622500

LOCK NUT

- lock, 3/4 inch Whitworth

1шт.

45

K951408

LINK

- steering

2шт.

46

K623800

BREATHER

- axle housing

2шт.

Выбрано товаров: 49