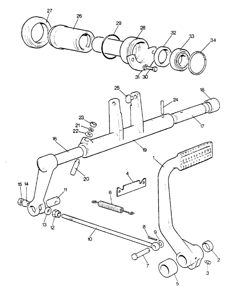
Запчасти Case IH 1390 (C1-1) - INDEPENDENT CLUTCH RELEASE MECHANISM (06) - POWER TRAIN

Схема запчастей Case IH 1390 - (C1-1) - INDEPENDENT CLUTCH RELEASE MECHANISM (06) - POWER TRAIN
9
26
28
18
4
24
8
32
13
6
23
12
16
34
19
3
15
27
21
30
10
20
25
14
31
1
17
11
2
7
22
33
5
29
FIT
1:1
100%

Артикул

Название

Примечание

Количество

1

K200654

CLUTCH

PEDAL ASSEMBLY clutch

1шт.

2

K947343

BUSHING

pedal

2шт.

3

219-8

LUBE NIPPLE,1/4" - 28 NPTF

NIPPLE, LUBE, , ANF, Order 219-8 1/4"-28 NPT x .54" lg

1шт.

4

K300300

SHIM

STOP clutch pedal

1шт.

5

K627223

BUSHING

SPACER pedal

1шт.

6

K624963

SPRING

pedal return

1шт.

7

K625968

PIN

3/8 x 1-5/8 inch

1шт.

8

K19528

PIN

cotter, Order 132-26

1шт.

9

K19472

WASHER

3/8 inch

1шт.

10

K200394

ROD

pedal to stub shaft

1шт.

11

K14744

PIN

3/4 x 1-1/2 inch

1шт.

12

232-1416

LOCK NUT,3/8"-16, GC

NUT self-locking, 3/8 inch UNC, Order 131-52

1шт.

13

K205088

RUBBER

WASHER rubber, 3/8 inch

1шт.

14

K607521

NUT

adjusting, 3/8 inch UNC

1шт.

15

280136

NUT,3/8"-16, G8

Order 129-103 3/8"-16, G8

1шт.

16

K200657

CLUTCH

LEVER shaft, stub, left-hand

1шт.

17

K201283

SHAFT

stub, right-hand

1шт.

18

K628753

BUSHING

main frame

2шт.

19

K200323

CLUTCH

FORK clutch

1шт.

20

K609425

LARGE PIN

PIN locking, 3/8 inch

1шт.

21

K11522

WASHER

shakeproof, 3/8 inch, Order 193-10

1шт.

22

K19472

WASHER

3/8 inch

1шт.

23

280136

NUT,3/8"-16, G8

Order 129-103 3/8"-16, G8

1шт.

24

K623726

PIN

1/4 x 1-1/2 inch, Order 135-764

1шт.

25

K84748

TRUNNION

PIN trunnion, clutch fork

2шт.

26

K915836

BEARING CARRIER,Clutch

CARRIER release bearing

1шт.

27

K620153

THRUST BEARING,69.84mm ID x 103.17mm OD x 21.59mm W

BEARING release

1шт.

28

K200333

SHAFT

SNOUT support, bearing carrier

1шт.

29

K623545

O-RING,0.139" Thk x 2.984" ID, -234, Cl 5, 75 Duro

3 inch ID, Order A30095

1шт.

30

9635884

BOLT,Hex, 5/16" - 18 1", Full Thd, Gr 5

Order 113-103 Hex, 5/16"-18 x 1", G5, Full Thd

3шт.

31

K19481

SPRING WASHER

WASHER lock, 5/16 inch UNC, Order 192-20

3шт.

32

K623430

OIL SEAL

oil, 45 x 65 x 8 mm

1шт.

33

K620204

BALL BEARING

BEARING ball

1шт.

34

K621430

CIRCLIP

RING snap, internal, 75 mm

1шт.

Выбрано товаров: 34