Запчасти Case IH 1390 (D1-1) - GEAR SHIFT LEVERS (06) - POWER TRAIN

Схема запчастей Case IH 1390 - (D1-1) - GEAR SHIFT LEVERS (06) - POWER TRAIN
17
28
14
6
11
31
21
27
32
30
22
9
25
37
29
2
8
38
22
3
20
36
4
13
1
15
12
26
25
7
16
5
18
39
10
19
35
11
FIT
1:1
100%

Артикул

Название

Примечание

Количество

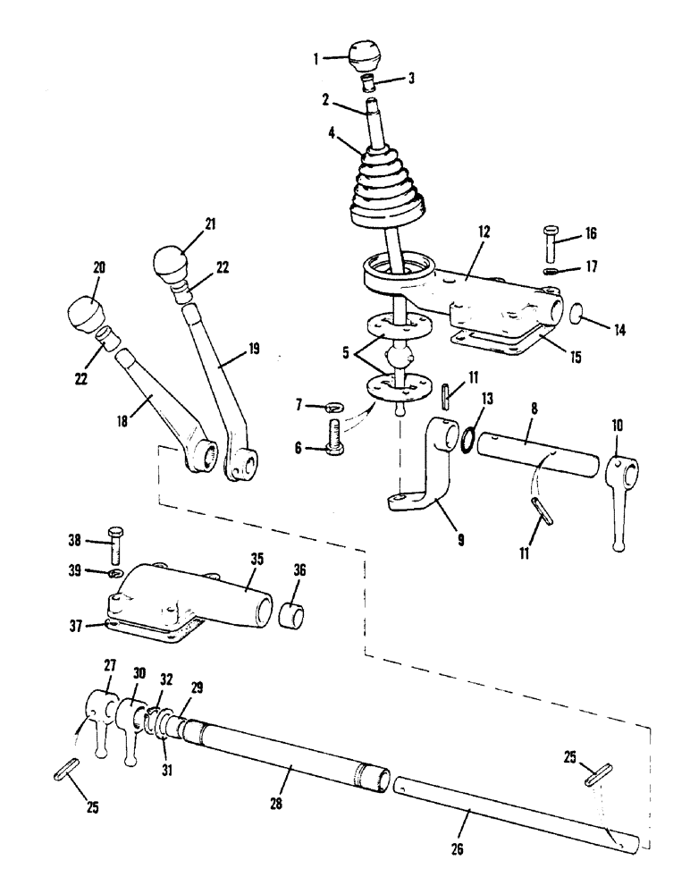
1

K200552

KNOB

gear lever

1шт.

2

K206288

LEVER

gear

1шт.

3

K628472

RING

retaining, Serial Range: knob-lever

1шт.

4

K950494

RUBBER

COVER gear level

1шт.

5

K200162

SPACER

HOUSING ball

2шт.

6

K602739

SCREW

BOLT, 1/4 UNC x 1-1/8 inch

4шт.

7

K626341

SPRING WASHER

WASHER lock, 1/4 inch, Order 192-19

4шт.

8

K200160

SHAFT

selector

1шт.

9

K200161

LEVER

ARM selector shaft

1шт.

10

K950215

SELECTOR

LEVER selector

1шт.

11

K623775

GROOVED PIN,5/16" x 1 1/2", Type E, Hardened

Pin, Grooved, , Order K623778 5/16" x 1 1/2", Type E, Hardened

2шт.

12

K200159

GEAR

HOUSING selector shaft

1шт.

13

K623630

SEAL

oil, 7/8 inch ID

1шт.

14

K623810

PLUG

core, 1 inch diameter, Order 41-16

1шт.

15

K950543

GASKET,0.2mm Thk

housing

1шт.

16

K600365

BOLT

5/16 UNC x 1-1/2 inch

4шт.

17

K19481

SPRING WASHER

WASHER lock, 5/16 inch, Order 192-20

4шт.

18

K200203

LEVER

hand, high-low

1шт.

19

K200200

LEVER

hand, slow-normal

1шт.

20

K206712

KNOB

range lever, high-low

1шт.

21

K206713

KNOB

range lever, slow-normal

1шт.

22

K628472

RING

retaining

2шт.

25

K623925

PIN

1/4 x 1-1/2 inch

2шт.

26

K200198

SHAFT

selector, slow-normal

1шт.

27

K950005

SELECTOR

LEVER selector, slow-normal

1шт.

28

K200199

SHAFT

TUBE selector, high-low

1шт.

29

K621303

BUSHING

, Serial Range: shaft-tube

2шт.

30

K950004

SELECTOR

LEVER selector, high-low

1шт.

31

K950002

BUSHING

WASHER, 1 inch

1шт.

32

K11128

CIRCLIP

RING snap, external, 1 inch

1шт.

35

K950000

HOUSING

gear change

1шт.

36

K628750

BUSHING

housing

1шт.

37

K950543

GASKET,0.2mm Thk

housing

1шт.

38

K600365

BOLT

5/16 UNC x 1-1/2 inch, Order 113-122

4шт.

39

K19481

SPRING WASHER

WASHER lock, 5/16 inch, Order 192-20

4шт.

Выбрано товаров: 35